摘要
减速器壳是一种常见的与轴和齿轮连接并配合的机械连接装置,是驱动主件,在汽车、航空领域广泛应用。通过对零件图纸尺寸要求的分析,合理的制定生产工艺流程,可以提高减速器壳的使用寿命和性能,降低制造成本,提高生产效率。
本文主要研究的问题是对减速器壳零件图纸进行分析后,学习相关三维建模软件绘制三维零件图,然后制定合理高效、满足加工精度的工艺加工流程。首先,本文详细介绍了关于三维建模和体素构造法的相关内容并分析了其在工业制造中的应用。其次,介绍了减速器壳的制造过程和工艺流程,包括材料分析、定位基准选择、加工方法的选择、加工顺序的安排、工序尺寸的确定、加工余量的确定、工艺装备的选择。最后,对其加工过程中的关键工序设计专用夹具,提高生产效率,保证零件加工合格率。
综上所述,本文通过对减速器壳的工艺和机械加工专用夹具设计的研究,能够提高查阅相关工具书籍和三维建模软件的技能,为以后工作打下坚实基础。
关键词:减速器壳;三维建模;机加工艺设计;夹具设计
目录
摘要 2
ABSTRACT 3
第一章 绪论 5
1.1研究背景 5
1.2国内外夹具技术的研究现状 5
1.3研究目的 6
1.4研究意义 6
第二章 减速器壳三维模型建构 8
2.1三维建模软件的选择 8
2.2零件的三维建模步骤 8
2.3小结 13
第三章 减速器壳机加工工艺设计 14
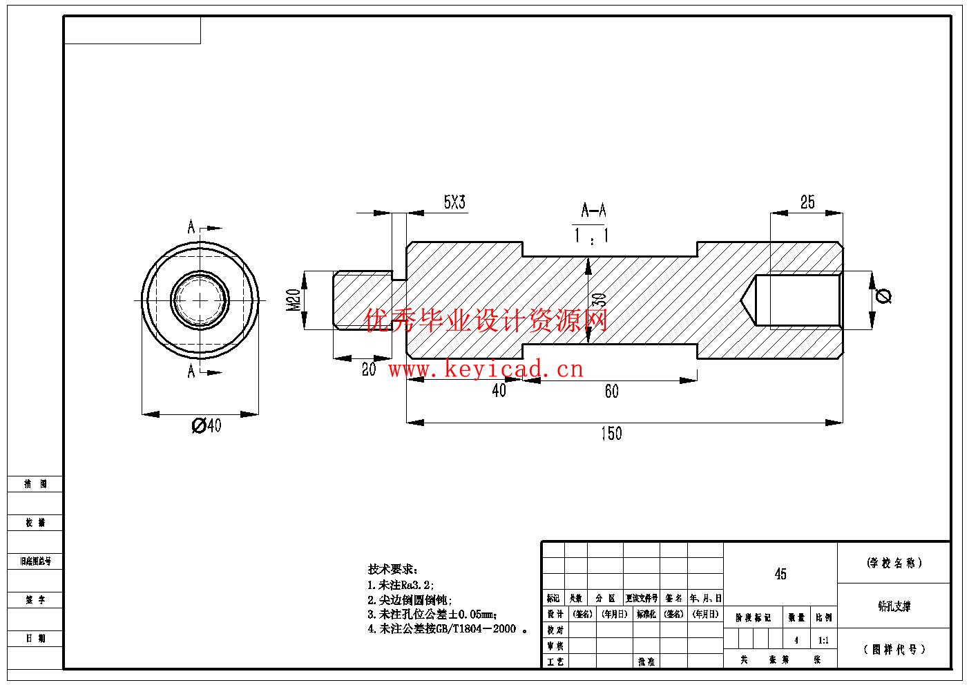
3.1零件图样分析 14
3.2基准的选择 15
3.3零件表面加工方法的选择 16
3.4加工顺序的安排 16
3.5确定机械加工余量、工序尺寸及毛坯尺寸 18
3.6选择加工机床及工艺设备 19
3.7切削用量与基本工时的计算 20
第四章 专用夹具结构设计 31
4.1 设计前期准备 31
4.2定位元件的设计 31
4.3夹紧元件的设计 33
4.4钻床夹具装配图 33
4.5钻削力及夹紧力的计算 34
4.6误差分析与计算 35
4.7操作的简要说明 35
结 论 36
参考文献 37
说明书

三维模型

CAD图纸
文件列表

