摘要
本文围绕小型液压机展开了全面系统的研究与设计。首先,在引言部分阐述了课题背景与研究意义,并对国内外研究现状进行了分析,明确了主要研究内容。
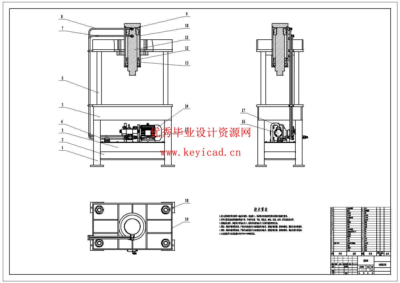
在小型液压机设计方面,进行了工况分析,包括动力、运动分析,绘制负载与速度循环图,并确定了如液压缸工作压力、尺寸和最大流量等主要技术参数。随后拟定了液压原理图,涉及执行元件、方向控制、速度控制、压力控制和液压油源回路的选择与设计,并完成液压系统的合成。
在元器件选择上,详细阐述了电机规格、液压泵的选型过程,包括计算最大工作压力、流量以及电机选择,同时介绍了液压元件、油管和油箱的选择与参数计算方法。此外,对液压系统性能进行了验算,涵盖不同工作阶段的压力损失以及油液温升的计算。
最后,设计了 PLC 控制系统,包括对 PLC 的概述、选型,输入输出点的分配,硬件电路与接线图设计,以及控制程序的设计。本研究为小型液压机的设计与应用提供了一套完整的理论与实践方案,有助于提高小型液压机的性能和可靠性。
关键词:小型液压机;液压系统设计;元器件选型;性能验算;PLC 控制系统
目录
小型液压机液压传动系统及控制系统设计 I
第1章 引 言 1
1.1课题背景 1
1.2课题研究意义 1
1.3 国内外研究现状 2
1.3.1 国外研究现状 2
1.3.2 国内研究现状 3
1.4 主要研究内容 4
第2章 工况分析 6
2.1动力分析 6
2.2运动分析 6
2.3负载循图与速度循环图的绘制 7
2.4确定主要的技术参数 7
2.4.1初选液压缸的工作压力 7
2.4.2确定液压缸的主要尺寸 8
2.4.3计算最大的流量 9
3拟定液压原理图 11
3.1执行元件类型的选择 11
3.2方向控制回路 11
3.3速度控制回路 11
3.4压力控制回路 12
3.5液压油源回路 13
3.6液压系统的合成 13
4.液压系统元器件的选择 16
4.1电机规格与液压泵的选择 16
4.1.1计算液压泵的最大工作压力 16
4.1.2计算总的流量与泵的选择 16
4.1.3电机的选择 17
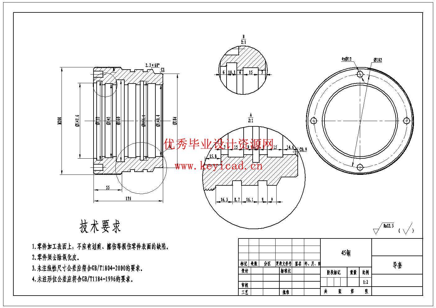
4.2液压元件的选型 17
4.3油管的选择 18
4.4油箱的参数计算 19
5.验算液压系统的性能 20
5.1压力损失的验算以及液压阀调整值的确定 20
5.1.1快速下降阶段的压力损失 20
5.1.2慢速加压阶段的压力损失 21
5.1.3快速上升阶段的压力损失 22
5.2油液温升的验算 23
5.2.1液压工作系统的效率参数 23
5.2.2温升系统参数计算 23
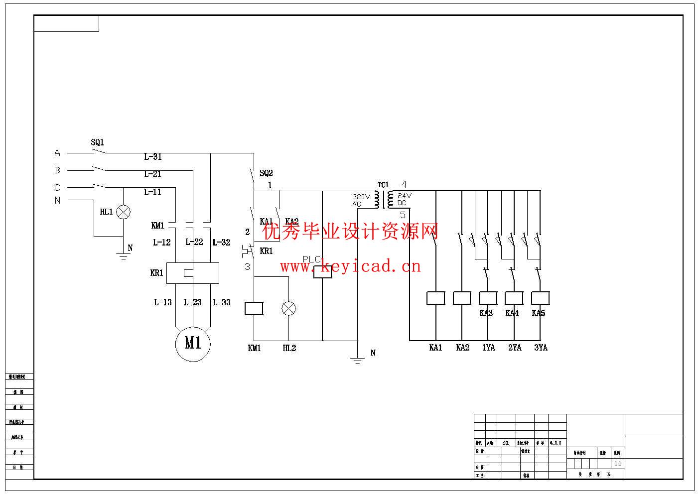
6.PLC控制系统的设计 25
6.1PLC的概述 25
6.2PLC的选型 25
6.3PLC输入输出点的分配 26
6.4硬件电路与接线图的设计 26
6.4.1主电路的设计 26
6.4.2I/O端口接线图的设计 28
6.5控制程序的设计 29
参考文献 32
致 谢 1
说明书

三维模型

CAD图纸
文件列表
