摘要
随着全球对环境保护和可持续发展的重视,废弃纸张的回收利用成为了一个日益重要的话题。废纸作为城市中的森林资源,其有效利用对于缓解造纸原料供应不足、减轻环境污染、降低能源消耗以及保护生态平衡具有重要意义。近年来,废纸利用率不断上升,废纸制浆技术也得到了飞速的发展。碎浆作为废纸处理技术中的第一道工序,是废纸再利用的关键环节。传统的碎浆机在操作过程中存在工人需过度靠近搅拌槽槽口、操作不便且存在一定安全隐患等问题。因此,设计一种高效、安全、便捷的废弃纸张打浆机,以提高废纸回收利用的效率和安全性,成为当前造纸工业亟待解决的问题。
本文研究了打浆机的机体设计、搅拌槽结构、驱动件与搅拌组件的配置,以及进料槽和滑移件的创新设计等内容。通过合理布局各部件,确保浆料在槽内形成良好的循环运动,提高碎浆效率。该方案旨在通过优化打浆机的结构和工作原理,实现废纸的高效碎解和纤维的充分分离,同时减少操作过程中的安全隐患和工人劳动强度。
关键词:废纸回收;废纸制浆;打浆机;结构设计
目录
第1章 绪论 5
1.1 研究背景及意义 5
1.2 废纸回收工艺 5
1.2.1机械处理法 5
1.2.2化学处理法 6
1.2.3生物处理法 6
1.3 国内外研究现状 6
1.4 本文主要研究内容 8
第2章 总体结构设计 9
2.1 打浆机总体结构组成 9
2.2 打浆机工作原理 9
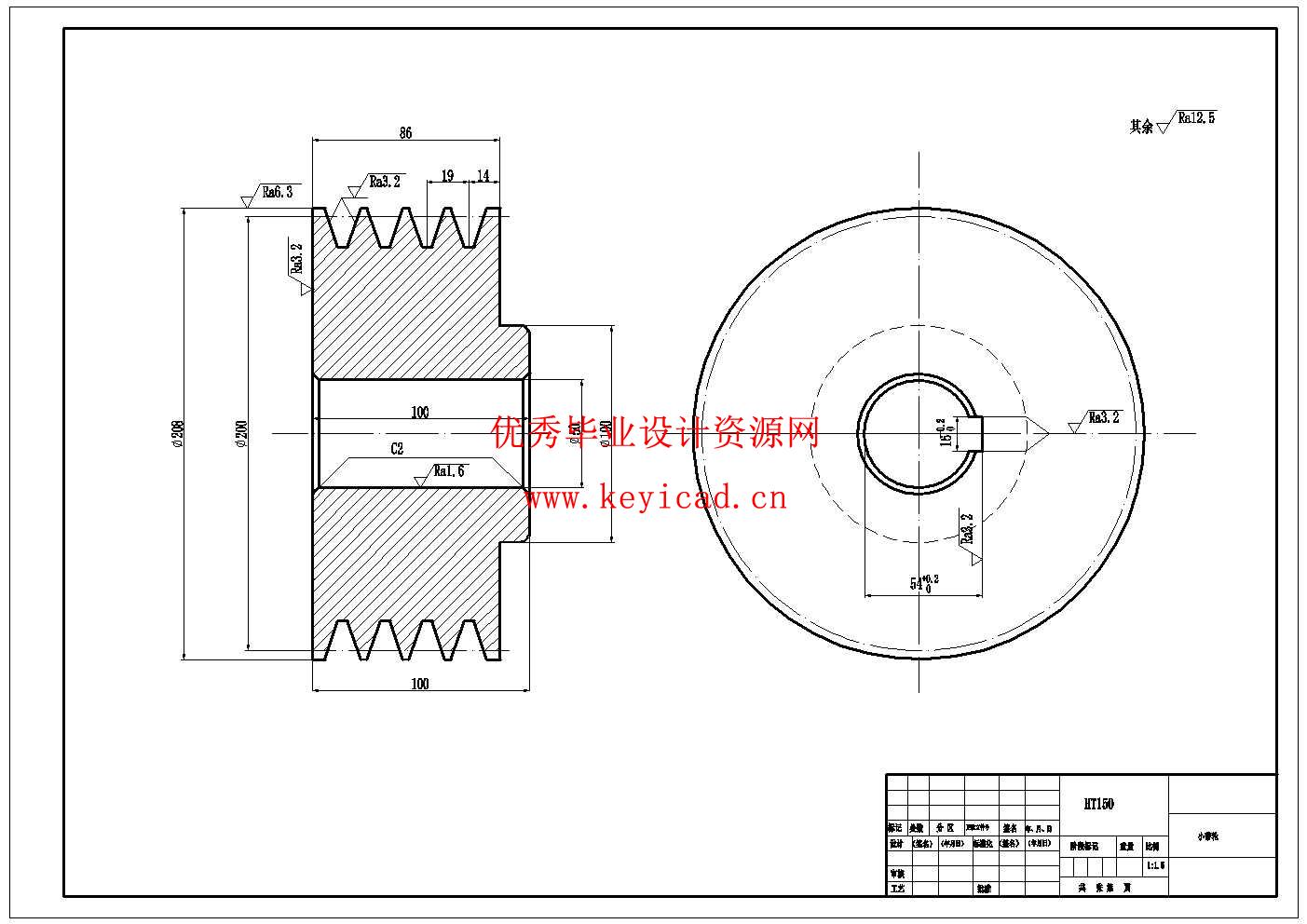
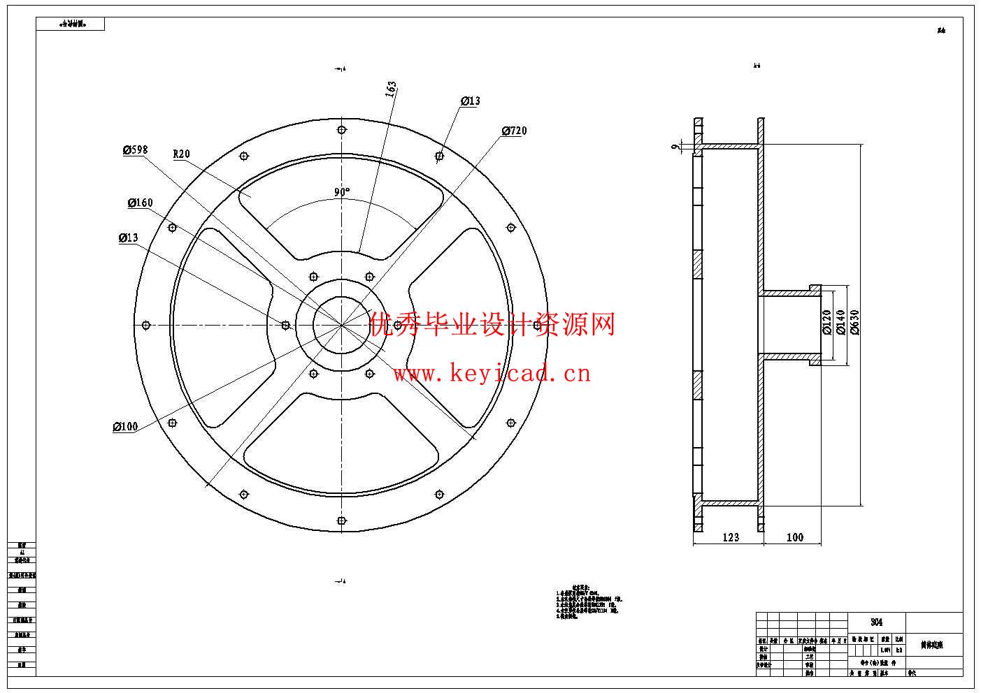
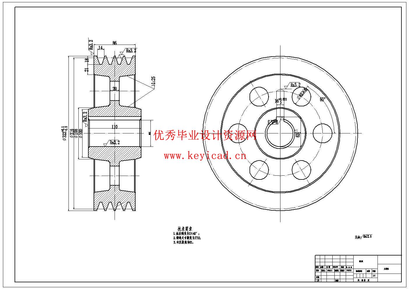
2.3 筒体结构设计 10
2.4 打浆机转子设计 11
2.5 机架结构设计 12
第3章 传动系统设计 13
3.1 电动机选择 13
3.2 带传动的设计与计算 13
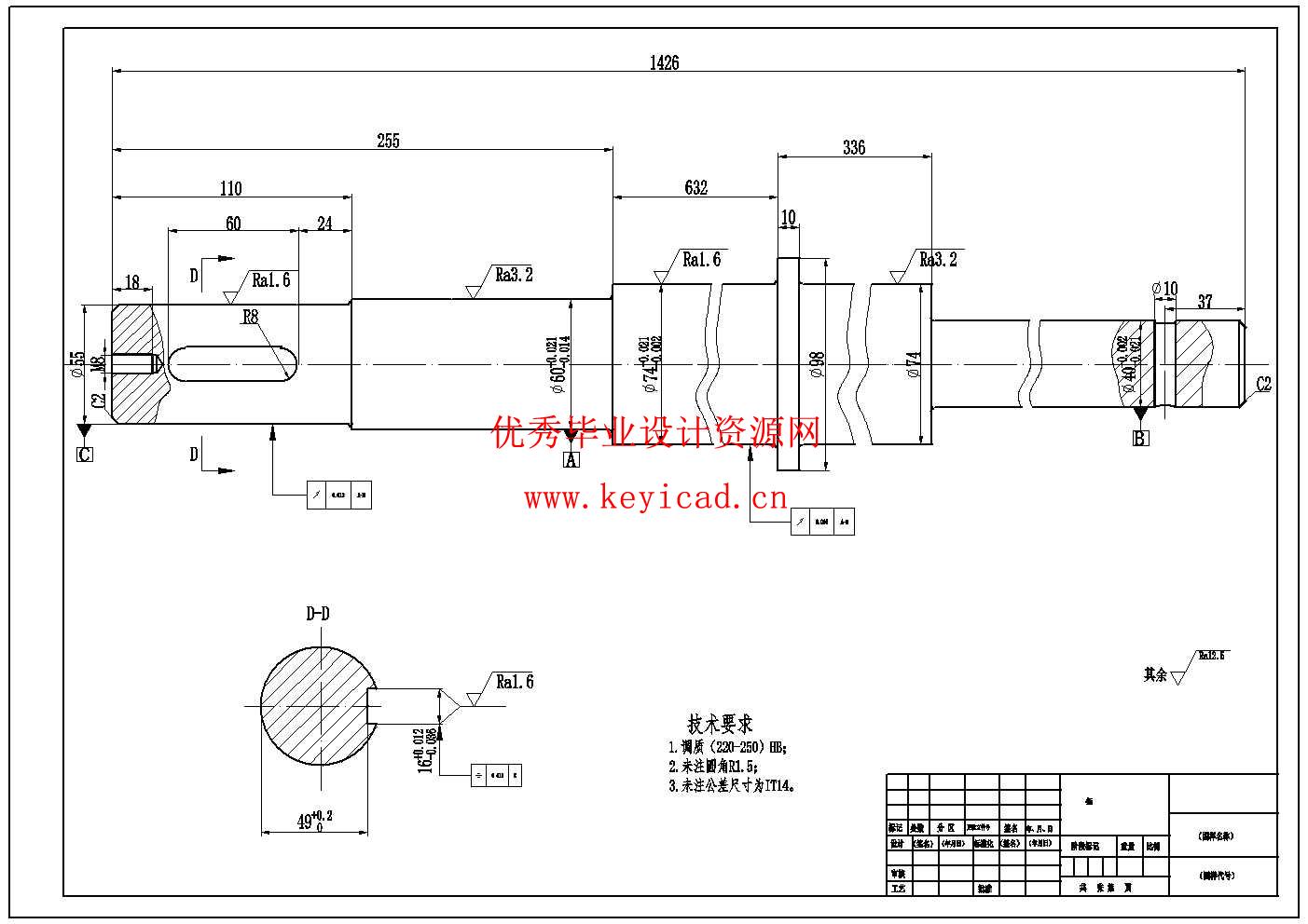
3.3传动主轴的结构设计计算 16
3.3.1计算轴的直径 16
3.3.2轴的结构设计 16
3.4轴上零件的定位 18
3.5滚动轴承 18
第4章 主要零件校核 19
4.1轴的强度校核计算 19
4.1.1按扭转强度条件计算 19
4.1.2按弯扭合成强度条件计算 20
4.2轴的扭转刚度校核计算 21
4.3轴承寿命的校核 21
4.4键的校核 22
结 论 23
谢 辞 24
参考文献 25
说明书

三维模型

CAD图纸
文件列表
