优秀毕业设计资源网
首页
机械机电
三维模型
电子信息/单片机
计算机
课程设计
外文翻译
资源分享
设计定制
优秀毕业设计资源网
海量大学生毕业设计素材分享,邂逅灵感创意新天地
首页
机械机电
正文
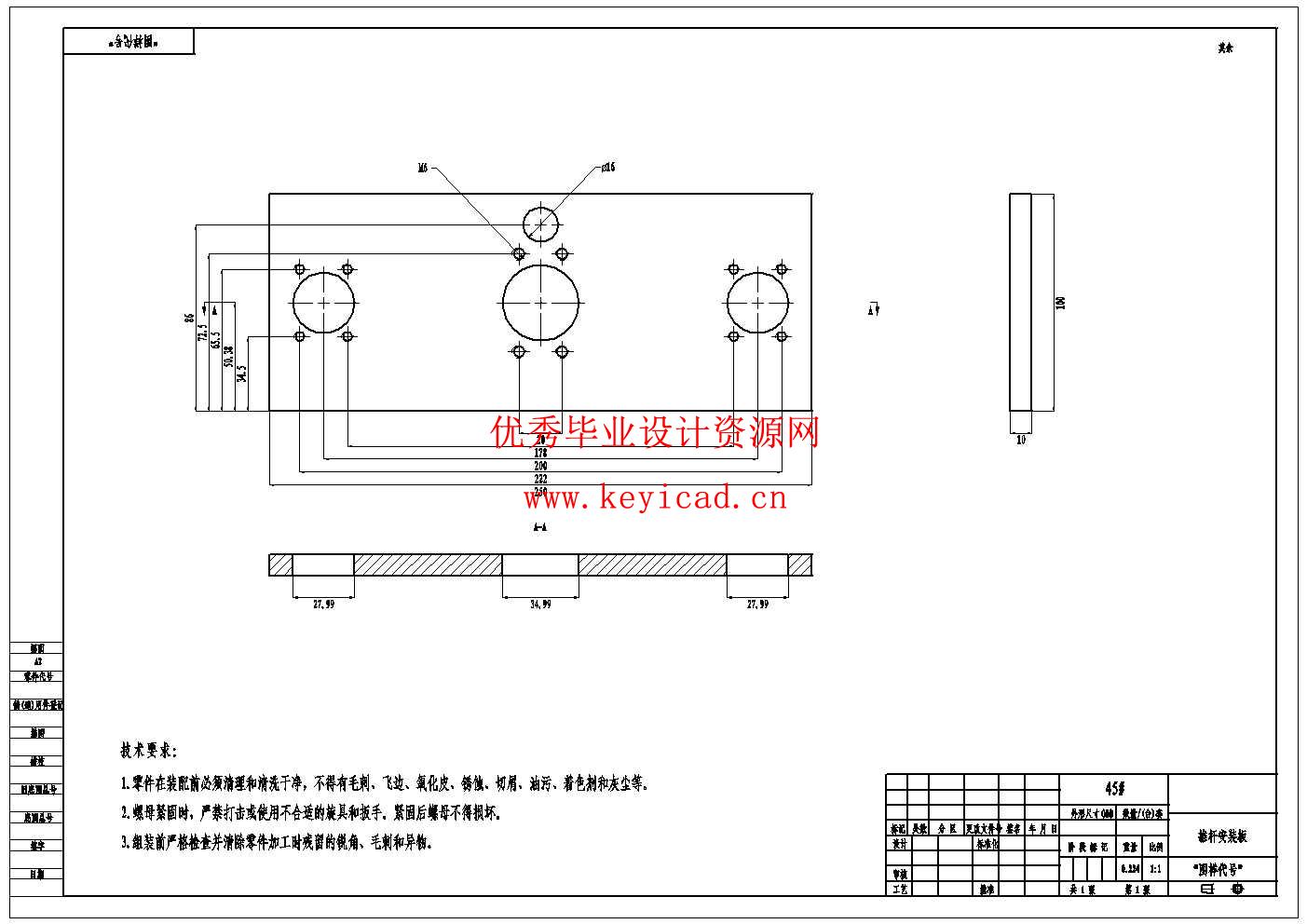
风机塔筒自爬升检修运维平台设计(Solidworks三维模型、CAD图纸)
2025-08-09
三维模型
CAD图纸
文件列表
下载链接
这部分内容需付费后浏览
支付 100.00 元
已付费?点这里浏览.
请您仔细阅读本站[免责声明],下载资料默认您同意该声明内所有条款
< 上一篇
下一篇 >
搜索
搜索
最新
热点
随机
最新
热点
随机
YM-SHJ-00 玉米根茬收获机(SW+CAD+说明书)
轮胎铲平机结构设计(SW+CAD+说明书+任务书+开题)
基于SOLIDWORKS的荞麦剥壳机测绘与改进(SW+SW图纸+说明书)
小型秸秆粉碎制粒机设计(SW+CAD+说明书+任务书+开题)
中间存取立体停车库设计(SW+CAD+说明书)
芦苇收割收获机设计(SW+CAD+说明书)
油泵泵盖铣面夹具设计(SW+CAD+说明书)
拖拽式双行小型水稻插秧机结构设计(SW模型+图纸+说明书+开题+任务书+外文翻译+仿真+PPT)
原理图库AD精品库Altium库 PCB封装库3D库STM32AD封装库单片机库
卧式钢筋弯曲机的设计-半自动可调速(SW+CAD+说明书+开题报告+外文翻译)
拖拽式双行小型水稻插秧机结构设计(SW模型+图纸+说明书+开题+任务书+外文翻译+仿真+PPT)
变压器硅钢片落料冲孔倒装复合模设计(CAD图+UG三维+说明书)
角垫片冲孔落料复合模设计(CAD图+UG三维+说明书)
硬币自动分拣包装机设计含(SW+CAD+说明书)
三角包装袋形式的液体立式成型-充填-封口包装机设计(SW+CAD+说明书)
GQ50型钢筋切断机的结构设计与运动仿真(Inventor+CAD+说明书)
卧式钢筋弯曲机的设计-半自动可调速(SW+CAD+说明书+开题报告+外文翻译)
原理图库AD精品库Altium库 PCB封装库3D库STM32AD封装库单片机库
轮胎铲平机结构设计(SW+CAD+说明书+任务书+开题)
基于SOLIDWORKS的荞麦剥壳机测绘与改进(SW+SW图纸+说明书)
一种面向船舶分段对位的自动转站测量装置设计(附Solidworks模型、CAD图纸)
油泵泵盖铣面夹具设计(SW+CAD+说明书)
智能工厂中的自动化自行车轮胎搬运小车设计(附Solidworks模型、CAD图纸)
旋耕机侧齿轮箱(CAD+SW+说明书)
无离合器自动机械变速器同步器的缺陷分析与创新设计
松子采摘机设计(附Solidworks模型)
论文查重过关最全规律揭秘
花生脱壳机结构设计(附Solidworks模型、CAD图纸)
水稻插秧机设计(附SolidWorks模型、CAD图纸)
基于Java的访问远程数据库的高效的标准软件体系结构
联系我们
邮箱:keyicad@qq.com
微信客服:keyicad
有偿投稿活动
有偿投稿活动正在进行,详情请联系客服
工作时间:9:00—23:00
正在处理,请稍候 . . .