摘要
本文主要探讨了绞肉机结构设计的研究背景、现状、目的、意义以及研究内容。首先,介绍了绞肉机结构设计的重要性,特别是在食品加工行业中的应用。接着,对当前绞肉机结构设计的研究现状进行了概述,包括手动和电动绞肉机的发展现状。然后,阐述了本课题的研究目的、意义和研究内容,旨在设计一款高效、安全、易于操作的绞肉机。
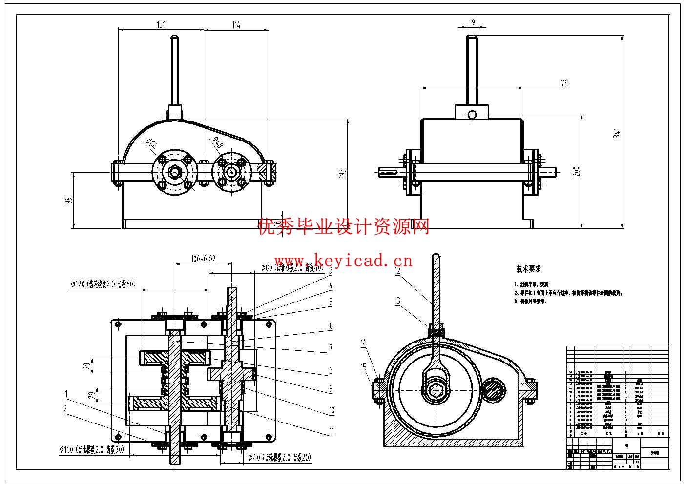
在总体方案设计中,详细介绍了送料机构、切割机构和驱动机构的设计思路和原理。同时,阐述了绞肉机的工作原理,为后续的设计提供理论支持。在螺旋供料器设计中,重点考虑了绞笼和绞筒的设计,包括材料选择、螺旋直径、转速、螺旋节距等参数的确定。传动系统设计部分,主要介绍了电机的选择、带传动和齿轮传动的设计。通过计算和校核,确定了电机的功率和型号,以及带传动和齿轮传动的参数。此外,还对轴的设计进行了简要说明。最后,重点讨论了绞刀的设计,包括刀刃的起讫位置、前角、后角、刃倾角以及刀片的结构等。这些设计旨在提高绞肉机的切削效率和刀片的使用寿命。
关键词 绞肉机;挤肉样板;绞刀;绞笼
目录
1 绪论 5
1.1 绞肉机结构设计的研究背景 5
1.2绞肉机结构设计研究现状 5
1.2.1手动绞肉机 5
1.2.2电动绞肉机 7
1.3 本课题研究的目的、意义及研究内容 7
1.3.1研究目的及意义 7
2总体方案设计 9
2.1 总体方案设计 9
2.1.1 送料机构 9
2.1.2 切割机构 10
2.1.3 驱动机构 10
2.2 绞肉机的工作原理 10
3 螺旋供料器的设计 12
3.1 绞笼的设计 12
3.1.1 绞笼的材料 12
3.1.2 螺旋直径 12
3.1.3 螺旋供料器的转速 13
3.1.4 螺旋节距 13
3.2 绞筒的设计 13
4 传动系统的设计 14
4.1 电机的选择 14
4.2 带传动的设计 15
4.2.1 设计功率 15
4.2.2 选定带型 15
4.2.3 传动比 15
4.2.4 小带轮基准直径(mm) 15
4.2.5 大带轮基准直径(mm) 15
4.2.6 带速验算 15
4.2.7 初定轴间距(mm) 15
4.2.8 所需带的基准长度(mm) 16
4.2.9 实际轴间距 16
4.2.10 小带轮包角 16
4.2.11 单根V带的基本额定功率 16
4.2.12 单根V带型额定功率增量 16
4.2.13 V带的根数 16
4.2.14 单根V带的预紧力 17
4.2.15 作用在轴上的力 17
4.2.16 带轮的结构和尺寸 17
4.3 齿轮传动设计 18
4.3.1 选择材料,确定精度等级。 18
4.3.2 按接触强度进行初步设计 18
4.3.3 校核齿面接触强度 20
4.3.4 校核齿根的强度 22
4.3.5 齿轮及齿轮副精度的检验计算 23
4.4 轴的设计 24
5 绞刀设计 26
5.1 刀刃的起讫位置 27
5.2 刀刃的前角 28
5.3 刀刃的后角 29
5.4 刀刃的刃倾角 30
5.5 刀刃上任一点位量上绞肉速度 31
结论 34
说明书

三维模型

CAD图纸
文件列表

