摘要
本文设计了一种集清洗与切块功能于一体的番石榴清洗切块机,旨在解决番石榴果实加工中的清洗不彻底、切块不均匀及卫生安全隐患等问题。通过市场调研和技术分析,明确了设备设计要求,并采用了自动上料、高效清洗、精准切块及模块化设计等创新技术。设备利用高压喷淋系统实现全面清洗,通过电机、减速器、凸轮和切刀的精确配合实现均匀切块,同时采用SolidWorks进行三维建模,直观展示设备结构和工作原理。该设备不仅适用于番石榴加工,还具有推广到其他水果加工领域的潜力,显著提高了加工效率和产品质量,为农业机械化、智能化发展做出了积极贡献。未来,计划引入机器视觉技术和优化切割算法,进一步提升设备的自动化和智能化水平。
关键词:番石榴;清洗切块一体机;自动送料装置
目录
第一章 绪论 1
1.1 课题研究背景及意义 1
1.2 国内外研究现状 1
1.3 主要研究内容及目标 4
第二章 番石榴清洗切块一体机方案拟定 5
2.1 设计要求及参数 5
2.2 总体设计方案 5
2.3 工作原理 6
2.4 番石榴清洗切块机三维设计 9
第三章 自动上料清洗装置的设计 10
3.1 上料机的尺寸设计 10
3.2 确定传动装置的总传动比和分配传动比 12
3.3 计算传动装置的运动和动力参数 13
3.4 减速器计算 15
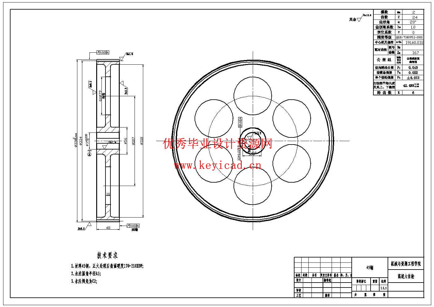
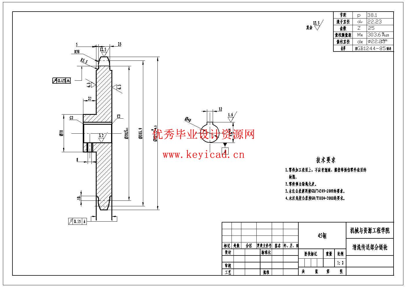
3.5 链传动与链轮的设计 37
3.6 键的选择与校核 40
3.7 轴承的计算与校核 40
3.8 本章小结 42
第四章 切块装置的设计 43
4.1 切刀设计 43
4.2 凸轮的设计 44
第五章 基于solidworks的三维建模 46
5.1 Solidworks软件介绍 46
5.2 番石榴清洗切块机三维模型展示 46
5.3 自动送料装置三维模型展示 47
5.4 清洗传送装置三维模型展示 48
5.5 切块装置三维模型展示 48
第六章 总结与展望 49
6.1 总结 49
6.2 展望 49
参考文献 50
致谢 51
说明书

三维模型

CAD图纸
文件列表

