摘要
本产品设计给定的原始参数是:切断能力为(中6-中50)mm 的圆钢;电机功率为4kw;冲切次数为 28 次/min;切断行程为40mm。此次设计的主要研究内容和技术关键是:根据钢筋切断机的使用要求,确定其工作原理,在此基础上进行钢筋切断机的结构设计,确定主要结构尺寸。主要包括以下几点:1、电动机的选择;2、传动装置的设计和计算;3、轴承的选择;4、曲轴连杆机构的设计;5、机体的设计;6、刀片的设计选择。然后根据这些设计数据进行产品的建模及运动仿真。本次产品建模使用的是美国 Autodesk 公司的三维设计软件 Inventor2011。首先是根据设计数据建立各个零件的草图,在草图的基础上运用零件特征生成三维实体;然后在 Inventor 2011 软件的虚拟环境中进行虚拟装配,建立数字样机;最后进行应力分析运动干涉分析及运动仿真。
本设计可以大幅降低钢筋切断机的研发周期及成本,从而提高产品的市场竞争力和企业的经济效益。
关键词:钢筋切断机,结构设计,Inventor2011,虚拟装配,运动仿真
目录
这是一份关于钢筋切断机设计的文档目录,涵盖了设计准备、整机设计、传动方案、软件应用及装配仿真等内容,具体整理如下:
1 绪论
2 设计前的准备
2.1 计划任务书
2.1.1 产品设计的依据
2.1.2 计划任务书
2.2 设计前的准备
3 钢筋切断机的总体设计
3.1 钢筋切断机的工作原理
3.2 钢筋切断机的基本结构
4 传动方案的设计
4.1 基本传动数据计算
4.1.1 分配传动比
4.1.2 计算各轴的运动及动力参数
4.2 带传动的设计
4.2.1 带型的选择
4.2.2 带轮基准直径的确定
4.2.2 带速的确定
4.2.3 中心距、带长及包角的确定
4.2.4 确定带的根数
4.2.5 带轮结构与尺寸
4.3 齿轮传动的设计
4.3.1 选材料、确定初步参数
4.3.2 齿面疲劳强度计算
4.3.3 齿根抗弯疲劳强度验算
5 Autodesk Inventor 2011
5.1 Inventor 2011的组成
5.2 三维绘图软件Inventor 2011的优点
5.2.1 二维工程图处理能力比较好
5.2.2 具有良好的设计项目管理功能
5.2.3 参数化技术和变量化技术
5.2.4 简便的操作风格
5.2.5 精彩的显示功能
6 主要零件的设计及建模
6.1 机体的设计流程
6.2 其他主要零件的建模效果展示
7 钢筋切断机的装配
7.1 装配流程
7.2 大侧盖的装配步骤
7.2.1 新建文件
7.2.2 装入所有零件
7.2.3 向机体安装大侧盖
7.3 装配效果图展示
8 应用Inventor软件进行干涉检查
8.1 检查零部件之间的干涉
8.2 连杆及连杆轴瓦的干涉检查
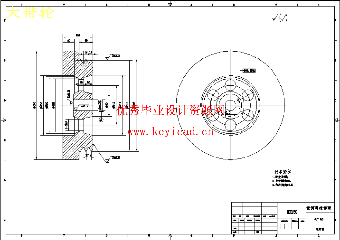
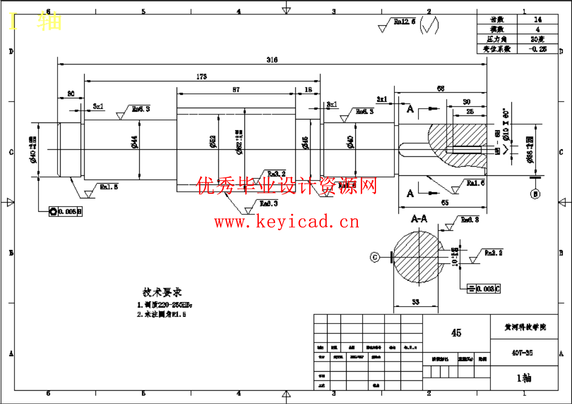
9 绘制各主要零件的工程图
10 传动结构的运动仿真
10.1 建立一个简单的装配
10.2 运动仿真步骤
致谢
参考文献
附录
说明书

三维模型

CAD图纸
