摘要
拨叉的加工质量将直接影响机器的性能和使用寿命。本次设计旨在提高CA6140车床拨叉的加工效率,由此我们首先对拨叉的结构特征和工艺进行了仔细的分析,然后确定了一套合理的加工方案,加工方案要求简单,操作方便,并能保证零件的加工质量。在制定加工工艺规程的顺序如下:
1分析零件;
2选择毛坯;
3设计工艺规程:包括制定工艺路线,选择基准面等;
4工序设计:包括选择机床,确定加工余量,工序尺寸及毛坯尺寸,确定切削用量及计算基本工时等;
5编制工艺文件。
此外,为了提高劳动生产率,降低劳动强度,保证加工质量,需设计专用夹具,本次设计选择了第六道工序铣断双体的专用夹具设计,以满足加工过程的需要。
关键词:拨叉; 工艺规程; 夹具设计
目录
摘 要 2
前 言 3
1.零件分析 3
1.1 零件的作用 3
1.2 零件的工艺分析 3
2. 工艺规程设计 4
2.1 毛坯的制造形式 4
2.2 基准面的选择 4
2.3 制定工艺路线 5
2.4 机械加工余量、工序尺寸及毛坯尺寸的确定 6
2.5 确定切削用量及基本工时 6
3. 绘制零件图和编制工艺文件 23
3.1 绘制零件图 23
3.2 编制工艺文件 23
4. 夹具设计 24
结 论 26
参考文献 27
说明书
![CA6140车床拨叉[831008] 加工工艺及镗Φ50孔的夹具设计(SW+CREO+CAD+说明书) CA6140车床拨叉[831008] 加工工艺及镗Φ50孔的夹具设计(SW+CREO+CAD+说明书)](https://www.keyicad.cn/wp-content/uploads/2025/12/keyicad-c8c2b81a-8673-ddef-2445-8602e93bbb18-1024x481.png)
![CA6140车床拨叉[831008] 加工工艺及镗Φ50孔的夹具设计(SW+CREO+CAD+说明书) CA6140车床拨叉[831008] 加工工艺及镗Φ50孔的夹具设计(SW+CREO+CAD+说明书)](https://www.keyicad.cn/wp-content/uploads/2025/12/keyicad-df628dd6-3bde-6cd7-f66d-a8b22ceb02f1-1024x569.png)
三维模型
![CA6140车床拨叉[831008] 加工工艺及镗Φ50孔的夹具设计(SW+CREO+CAD+说明书) CA6140车床拨叉[831008] 加工工艺及镗Φ50孔的夹具设计(SW+CREO+CAD+说明书)](https://www.keyicad.cn/wp-content/uploads/2025/12/keyicad-336bb643-f707-4c94-3255-38b6c039b6a2-1.png)
![CA6140车床拨叉[831008] 加工工艺及镗Φ50孔的夹具设计(SW+CREO+CAD+说明书) CA6140车床拨叉[831008] 加工工艺及镗Φ50孔的夹具设计(SW+CREO+CAD+说明书)](https://www.keyicad.cn/wp-content/uploads/2025/12/keyicad-1f584f1b-9639-5e90-b98e-98cb094a7b67-1024x507.png)
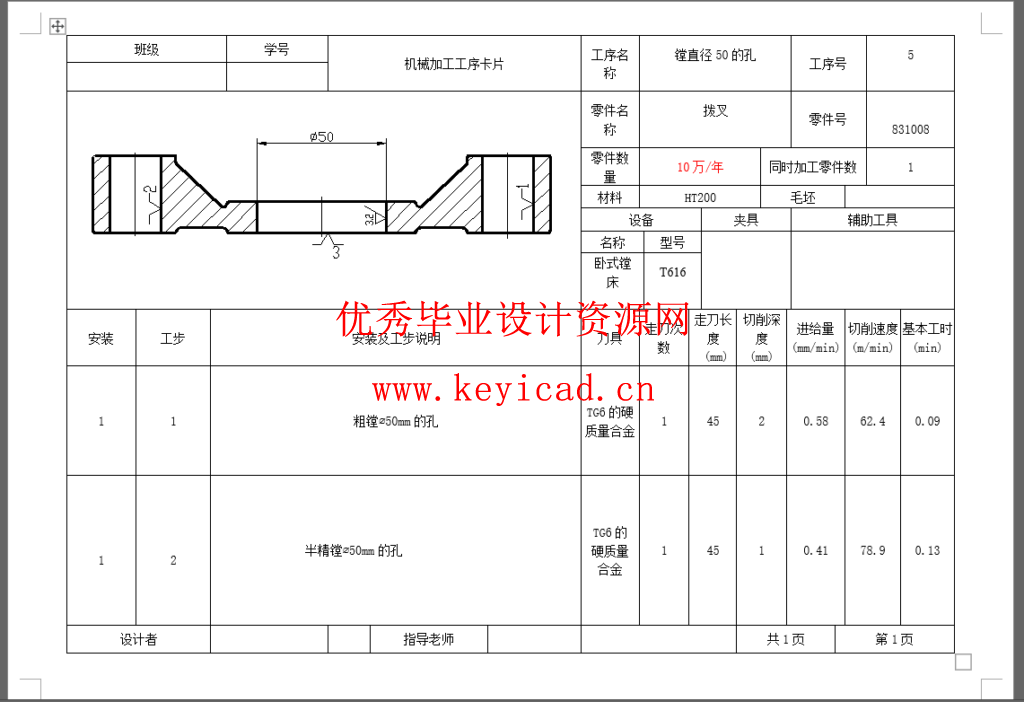
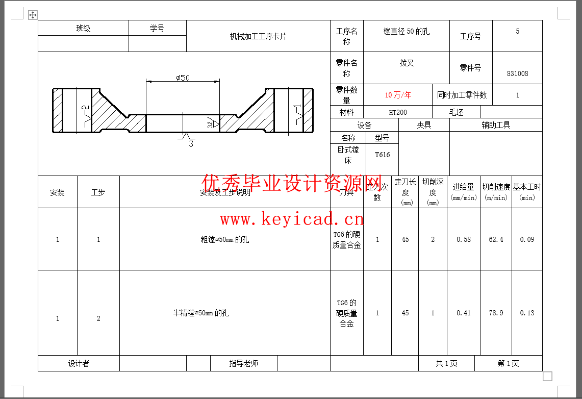
工序卡
![CA6140车床拨叉[831008] 加工工艺及镗Φ50孔的夹具设计(SW+CREO+CAD+说明书) CA6140车床拨叉[831008] 加工工艺及镗Φ50孔的夹具设计(SW+CREO+CAD+说明书)](https://www.keyicad.cn/wp-content/uploads/2025/12/keyicad-9336d56d-a323-5e59-8541-ee54e5346dc2-1024x702.png)
CAD图纸
文件列表
![CA6140车床拨叉[831008] 加工工艺及镗Φ50孔的夹具设计(SW+CREO+CAD+说明书) CA6140车床拨叉[831008] 加工工艺及镗Φ50孔的夹具设计(SW+CREO+CAD+说明书)](https://www.keyicad.cn/wp-content/uploads/2025/12/keyicad-d2b5ca33-bd97-0f64-a630-1fa75ae2eb22-25.png)
