目录
1 零件的分析 1
1.1 零件的作用 1
1.2零件的工艺分析 1
2 零件工艺规程 3
2.1 毛坯制造形式 3
2.2基准面选择 4
2.2.1粗基准面选择 4
2.2.2精基准面选择 4
2.3工艺路线制定 5
2.4加工余量,工序尺寸及毛坯尺寸的确定 9
2.4.1毛坯的结构工艺要求 9
2.4.2 CA6140机床后托架的偏差计算 10
2.5确定切削用量及基本工时 14
2.6时间定额计算及生产安排 28
3 夹具设计 32
3.1 问题的提出 32
3.2夹具设计 32
3.2.1夹具定位基准 32
3.2.2切削力及夹紧力计算 32
3.3.3 误差分析与计算 33
3.3夹具装配图 34
参考文献 35
说明书




工艺过程卡


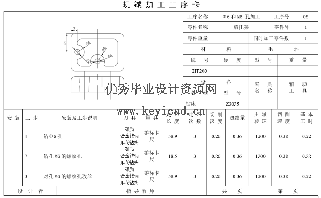
工序卡CAD

CAD图纸
文件列表


文章评论