摘要
本文围绕1105型柴油机气门摇臂轴支座展开加工工艺与夹具设计研究,该零件为柴油机气门控制系统关键部件,核心加工为高精度孔系与平面,需保证孔距、平行度等要求。工艺设计上,确定毛坯为HT200砂型机器造型,遵循先面后孔、粗精分开原则,经方案比选确定最优工艺路线,明确各表面加工方法、加工余量及毛坯尺寸,选用X52立式铣床、Z525立式钻床等设备,搭配专用与通用夹具及对应刀具,并计算了各工序切削用量与工时定额。夹具设计针对铣Φ28圆柱两端面工序,采用底平面、Φ11孔短销及侧面挡销的定位方案,经误差分析满足加工要求,设计从上往下的拉杆夹紧装置,对夹紧拉杆强度校验后确认合格,夹具兼顾加工精度、生产效率与操作便捷性,适配成批大批生产需求。
目录
一. 零件的分析 2
(一)零件的作用 2
(二)零件的工艺分析 2
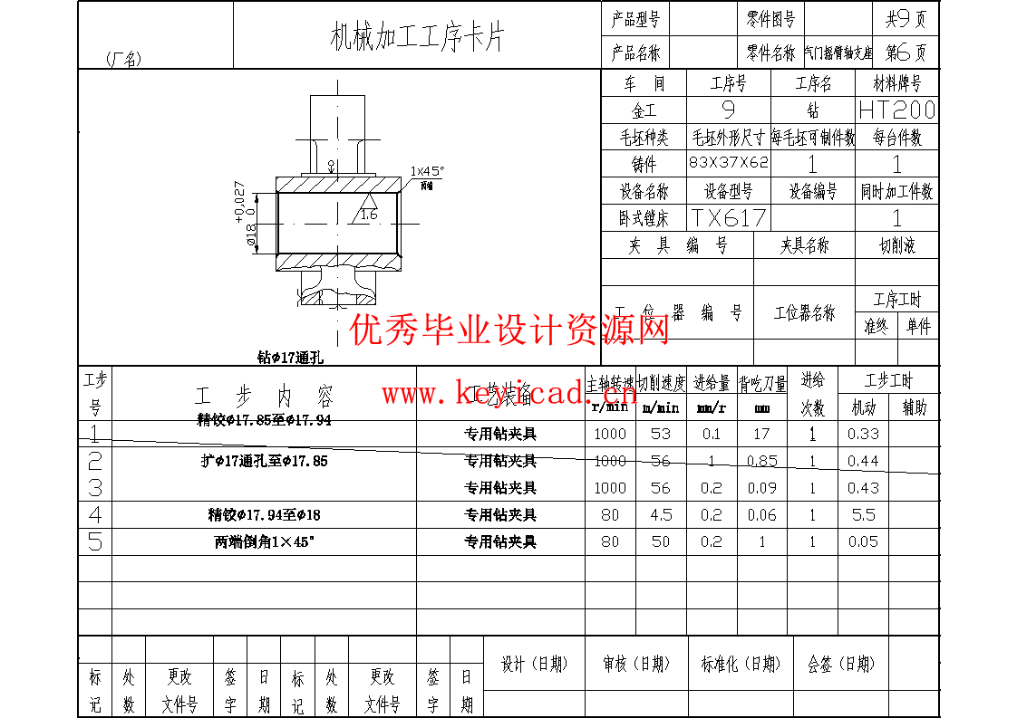
1.孔加工 2
2.面的加工 2
二、工艺规程设计 3
(一)确定毛坯的制造形式 3
(二)基面的选择 3
(三)制订工艺路线 4
(四)机械加工余量、工序尺寸及毛坯尺寸的确定 6
(五)选择加工设备及工艺装备 7
(六) 确定切削用量及基本工时: 8
三、夹具设计 12
(一)问题的提出: 12
(二)夹具的设计: 12
定位方案分析 12
[参考资料 14
零件图

说明书




工艺过程卡

工序卡
CAD图纸
文件列表


文章评论