摘要
本文旨在设计一种高效、低损的小型核桃去壳机,以解决传统人工破壳效率低、损伤率高的问题。通过分析核桃的物理特性及现有去壳机械的不足,提出了采用挤压式破壳方案,并确定减速电机直接驱动的动力源。研究方法包括文献综述、方案设计、理论计算与结构设计。
设计过程中,对传动系统、主要零件及关键 部件进行了详细设计与计算,包括齿轮传动、传动轴、上壳体、下壳体、运料装置、击打装置及凸轮结构等。研究结果表明,所设计的核桃去壳机破壳率可达95.2%,整仁率超过90%,较传统设备效率提升30%以上。
主要结论是该设备能有效提高核桃加工效率与产品质量,降低维护成本,具有显著的经济效益与社会价值。此外,该设备为同类坚果加工机械的设计提供了技术参考,推动了核桃加工业的自动化、智能化发展。
[关键词] 核桃去壳机;减速电机驱动;破壳率;整仁率
目录
1 前言 5
1.1课题的背景及意义 5
1.2 国内外研究现状 6
1.2 国内外研究现状 7
1.3 研究的基本内容 8
2 总体设计方案 9
2.1 任务要求 9
2.2 破壳方案对比 9
2.3 动力源方案选择 11
2.4 工作原理 12
2.5 本章小结 13
3 核桃去壳机传动及主要零件设计 15
3.1 核桃去壳机传动方案的确定 15
3.2 电动机选型 15
3.3 确定传动装置的总传动比和分配传动比 16
3.4 动力学参数计算 16
3.5 选定齿轮类型、精度等级、材料及齿数 17
3.6 按齿面接触疲劳强度设计 17
3.7确定传动尺寸 20
3.8校核齿根弯曲疲劳强度 20
3.9计算齿轮传动其它几何尺寸 22
3.10齿轮参数和几何尺寸总结 22
3.11高速轴设计计算 23
3.12低速轴设计计算 27
3.13高速轴上的轴承计算与校核 32
3.14低速轴上的轴承计算与校核 33
3.15高速轴与联轴器键连接校核 33
3.16低速轴与大齿轮键连接校核 34
3.17低速轴与外件键连接校核 34
3.18高速轴上联轴器 34
3.19 本章小结 35
4 核桃破了机主要部件的设计 36
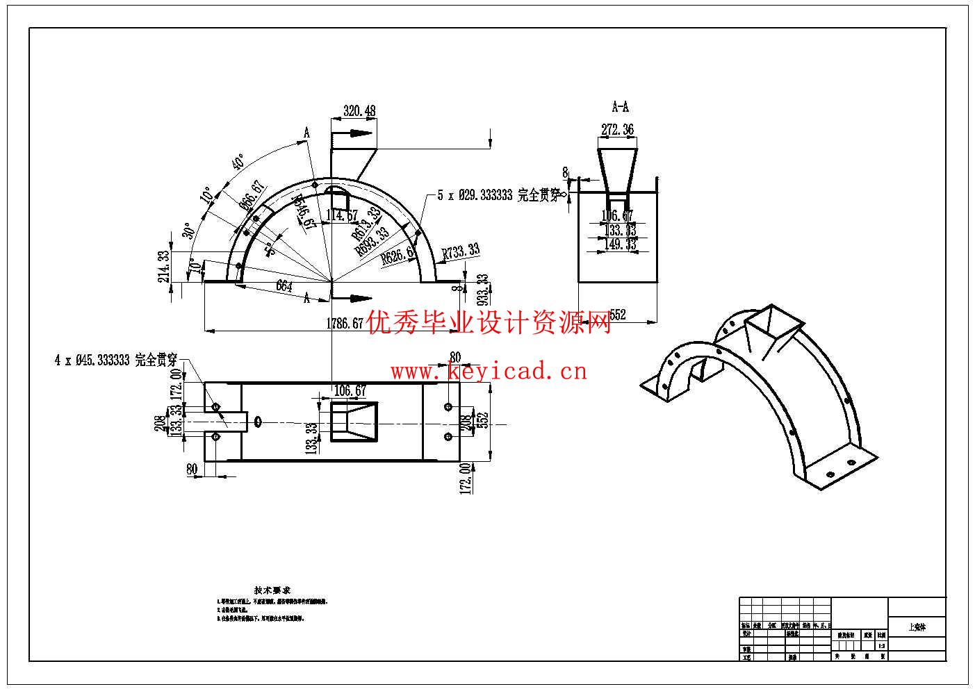
4.1 去壳机上壳体的结构设计 36
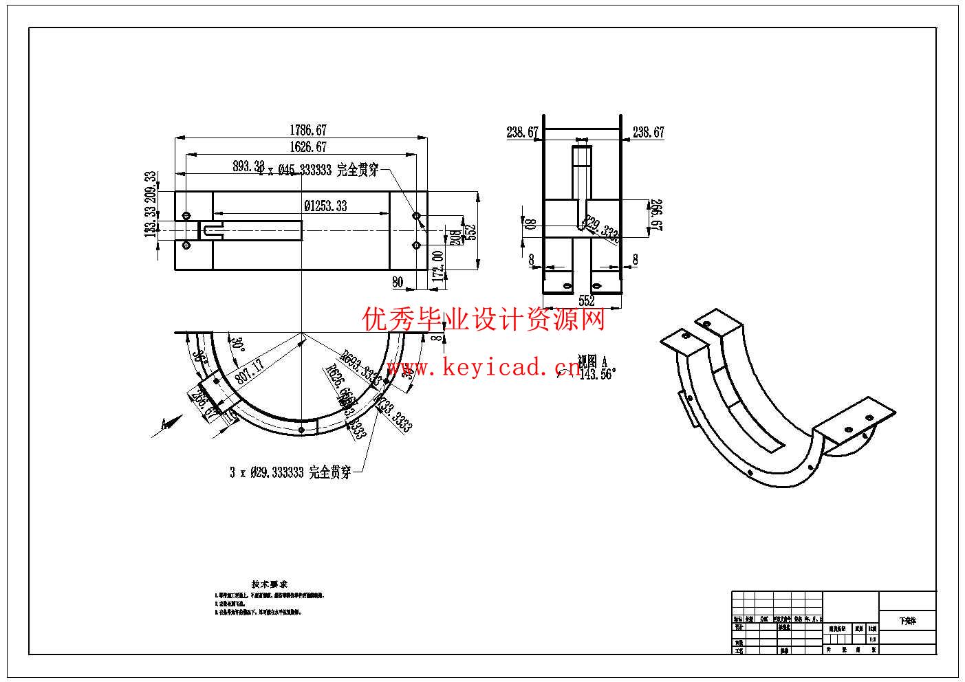
4.2 核桃去壳机下壳体的结构设计 37
4.3核桃去壳机运料装置的设计 37
4.4 核桃去壳机击打装置的设计 38
4.5 凸轮结构的设计 39
4.6 本章小结 40
5 结论 41
[参考文献] 42
附 录 43
致 谢 44
说明书

三维模型

CAD图纸
文件列表
