摘要
线材拉伸的发展方向将是向高科技化方向发展,制造出适用性强的线材拉伸很有发展市场,对不同地区开发出不同的线材拉伸是很有发展前途的。由此,相应的制造出高性能的线材拉伸是国外收获机的发展概况。该线材拉伸线材拉伸可一次性完成拉伸、线材拉伸、分离和装袋作业。该机体积小、重量轻,操作灵活,通过性与适应性好,较好地解决了大、中型线材拉伸在丘陵、山区和水田难以拉伸的难题。线材拉伸试验机适用于航空航天、石油化工、机械制造、金属材料及制品、电线电缆、橡塑胶、纸品及彩印包装、胶粘带、箱包手袋、纺织纤维、食品、制药等行业。可测试各种材料及成品、半成品的拉、压、弯、剪等物理性能,选购各种不同的夹具可做抗拉、抗压、持拉、持压、抗弯、撕裂、剥离、黏着力、剪力等试验。拉伸试验是指在承受轴向拉伸载荷下测定材料特性的试验方法。利用拉伸试验得到的数据可以确定材料的弹性极限、伸长率、弹性模量、比例极限、面积缩减量、拉伸强度、屈服点、屈服强度和其它拉伸性能指标。从高温下进行的拉伸试验可以得到蠕变数据。金属拉伸试验的步骤可参见ASTM E-8标准。塑料拉伸试验的方法参见ASTM D-638标准、D-2289标准(高应变率)和D-882标准(薄片材)。
关键词:线材拉伸线材拉伸;线材拉伸; 改进设计
目录
摘 要 III
Abstract IV
目 录 V
第1章 绪论 1
第2章 总体方案确定 2
2.1 线材拉伸工作原理 2
2.2线材拉伸总体设计 3
2.2.1线材的类型定位 3
2.2.2 线材拉伸的整机结构及选择 3
2.2.3 线材拉伸线材拉伸的工作流程 3
第3章 线材拉伸结构设计 4
3.1 拉伸原理 4
3.2 线材拉伸类型选择 4
第4章 动力的选择 6
4.1 整机消耗的功率计算 6
4.1.1 线材拉伸的功率消耗的计算 6
4.1.2 撑板强度计算 6
4.2 电机的选择 7
第5章 轴的设计与计算 15
5.1 轴的材料选择 15
5.2 轴的最小直径确定 15
5.3 轴的结构设计 15
5.4 轴的校核 16
第6章 传动方案设计 19
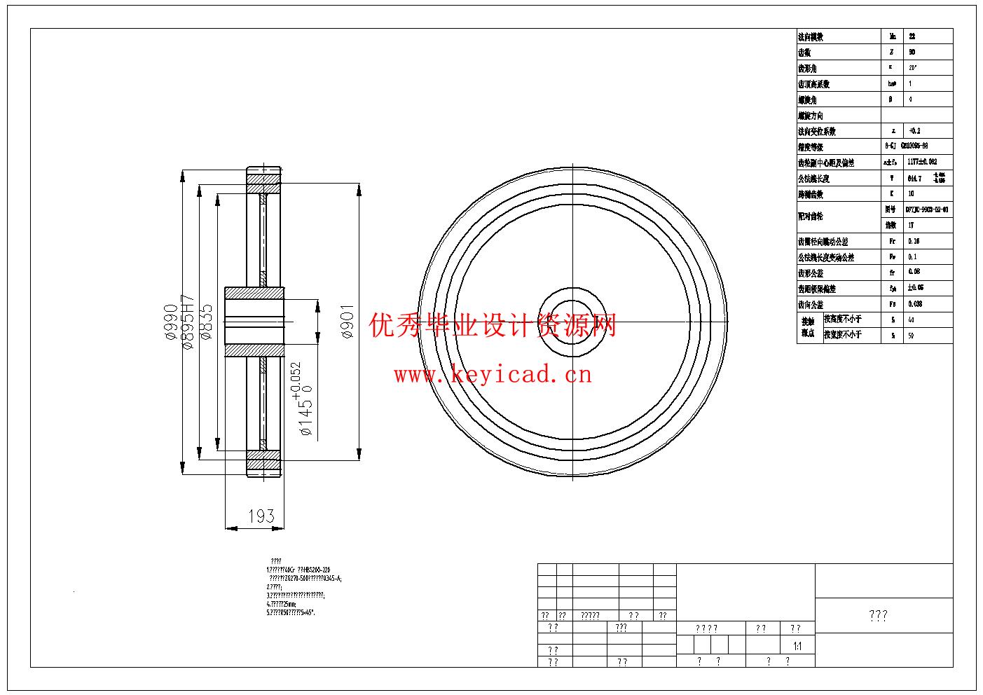
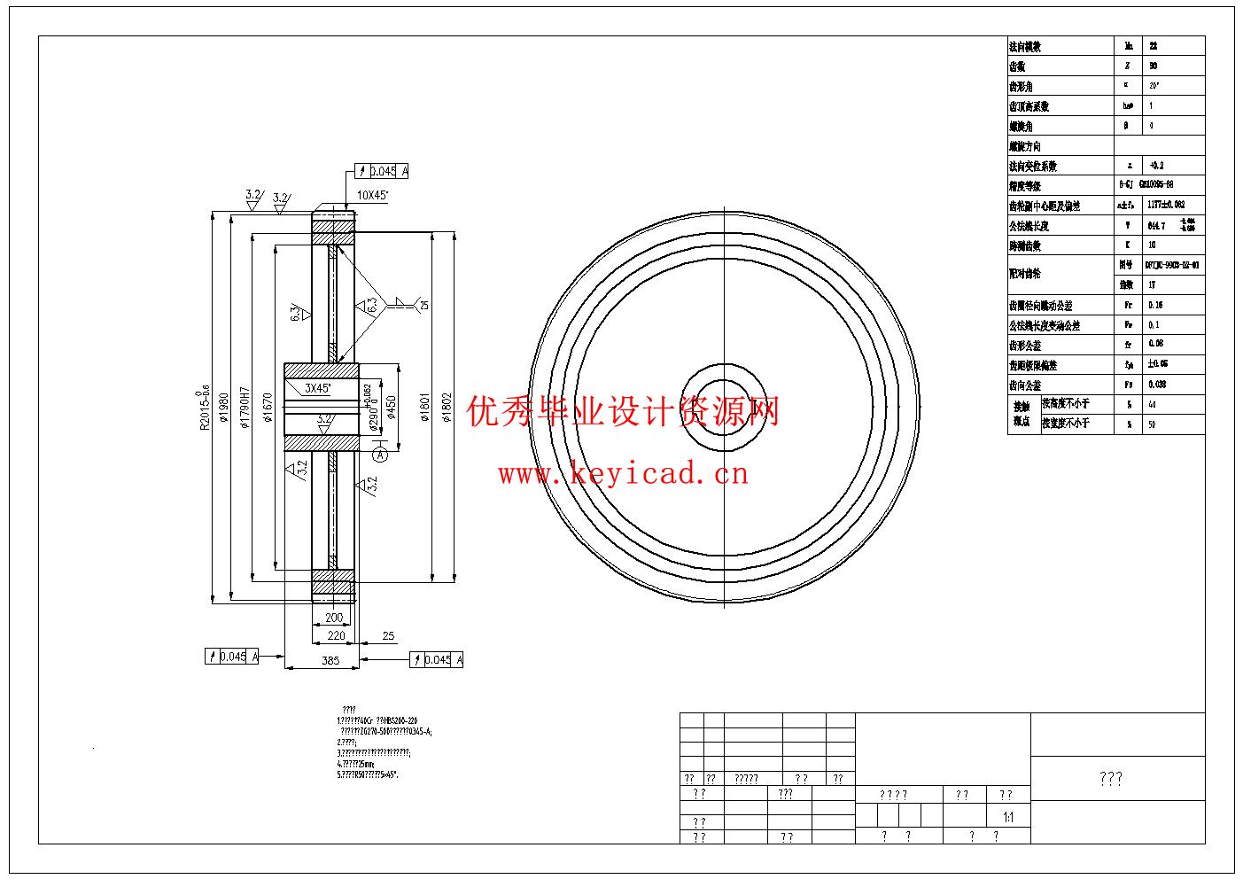
6.1齿轮的设计 24
6.1.1 齿轮类型的确定 24
6.1.2 传动比的确定 24
6.2 齿轮的设计计算 25
第7章 键连接选择 19
7.1撑板的设计 24
7.1.1 撑板类型的确定 24
7.1.2 撑板直径的确定 24
7.2 撑板与滚筒之间间隙的确定 25
结论 26
参考文献 27
致 谢 28
说明书

三维模型

CAD图纸
文件列表

下载链接
