摘要
本文围绕双轴搅拌机展开了全面的研究与设计。首先,介绍了双轴搅拌机的选题背景及意义,阐述了其作为高效混合设备在工业生产中的重要地位。接着,详细描述了双轴搅拌机的组成及原理,包括其各个部件的功能、类型以及工作原理,为后续的设计和分析提供了理论基础。
在总体方案论证部分,本文对双轴搅拌机的工作原理、结构设计特点进行了深入探讨,特别是对外壳、轴与叶片、传动机构、密封装置和雾化装置等关键部件的设计进行了详细说明。通过计算预加水双轴搅拌机的主要技术参数,如生产能力、主轴转速、主轴直径等,为设备的选型和设计提供了科学依据。
本文还对电机的选择、传动装置的设计计算与校核进行了深入研究,确保了双轴搅拌机的动力传递效率和运行稳定性。最后,提出了双轴搅拌机的安装和操作要点,以及机器的使用维护和润滑建议,为设备的正确使用和管理提供了指导。本文的研究成果为双轴搅拌机的优化设计和实际应用提供了有力支持。
关键词:双轴搅拌机;搅拌轴;搅拌叶片
目录
摘 要 I
ABSTRACT II
1绪论 - 1 -
1.1双轴搅拌机选题的背景及意义 - 1 -
1.2双轴搅拌机的组成及原理 - 1 -
1.2.1 双轴搅拌机的组成 - 1 -
1.2.2 双轴搅拌机的类型 - 2 -
1.2.3 双轴搅拌机的原理 - 3 -
1.3双轴搅拌机的国内外研究现状 - 3 -
1.3.1 国内研究现状 - 3 -
1.3.2 国内研究现状 - 4 -
2 总体方案论证 - 6 -
2.1 工作原理 - 6 -
2.2 结构设计特点 - 6 -
2.2.1 外壳的设计形式 - 7 -
2.2.2 轴与叶片的安装方法的设计 - 7 -
2.2.3 传动机构的设计 - 9 -
2.2.4 密封装置的设计 - 9 -
2.2.5 雾化装置的设计 - 10 -
3 预加水双轴搅拌机主要技术参数的计算 - 11 -
3.1 生产能力的估算 - 11 -
3.1.1导程系数 - 11 -
3.2 主轴转速N的估算 - 13 -
3.3 主轴直径D的估算 - 13 -
3.4 搅拌机内物料轴向运动速度 的估算 - 13 -
3.5 物料在搅拌机内停留时间的估算 - 15 -
3.6 功率的计算 - 15 -
4 电机的选择 - 18 -
4.1 选择电动机类型和结构形式 - 18 -
4.1.1 选择电动机的容量 - 18 -
4.1.2 确定电动机转速 - 19 -
4.2 减速机选择 - 19 -
4.3 计算传动装置的总传动比并分配各级传动比 - 19 -
5 传动装置的设计计算与校核 - 21 -
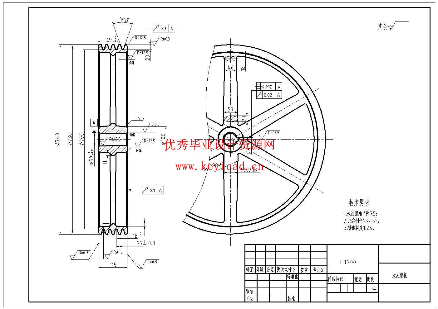
5.1 V带的设计计算 - 21 -
5.2 齿轮的设计计算 - 23 -
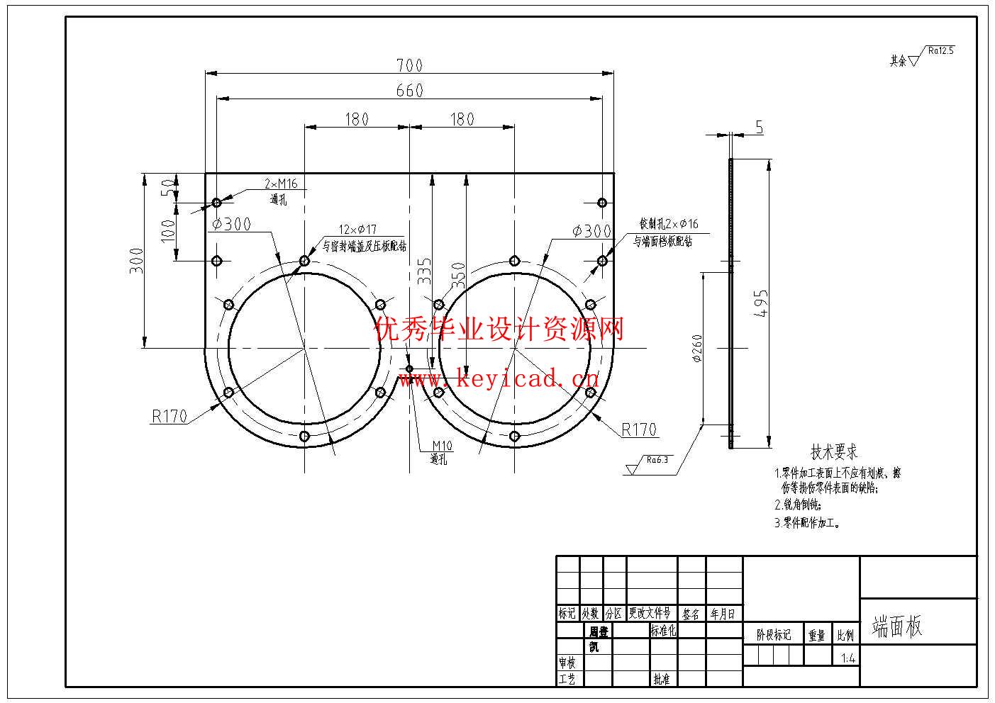
5.3 轴的设计计算及校核 - 26 -
5.4 轴承的校核 - 30 -
6 预加水双轴搅拌机的安装 - 32 -
6.1 双轴搅拌机的安装 - 32 -
6.2 双轴搅拌机的操作要点 - 32 -
7 机器的使用维护和润滑 - 34 -
7.1 机器的使用维护 - 34 -
7.2 机器的润滑 - 34 -
8 结论 - 36 -
致 谢 - 38 -
说明书

CAD图纸
文件列表

