摘要
随着社会、经济的发展,汽车已经成为了人们日常生活的伙伴,同时,人们对于汽车的舒适性和安全性的要求也随之提高。因此,现代汽车的节能性、环保性及安全性已然成为汽车技术未来发展的关键方向。其中,汽车电子驻车制动系统作为现代主动安全技术的典型应用,正逐渐赢得广泛关注与青睐。根据数据显示,截止到2018年,中国的汽车保有量超过2亿,成为名副其实的朝阳产业,发展势头强劲[1-5]。
汽车电子技术在车用零部件中的应用日益普及,那些以往主要依赖机械和液压技术[6]的部件,正逐步转向电子技术的应用。驾驶员通过直接机械连接进行自主操作的情况日渐减少,越来越多的汽车开始配备电子驻车制动功能[7]。
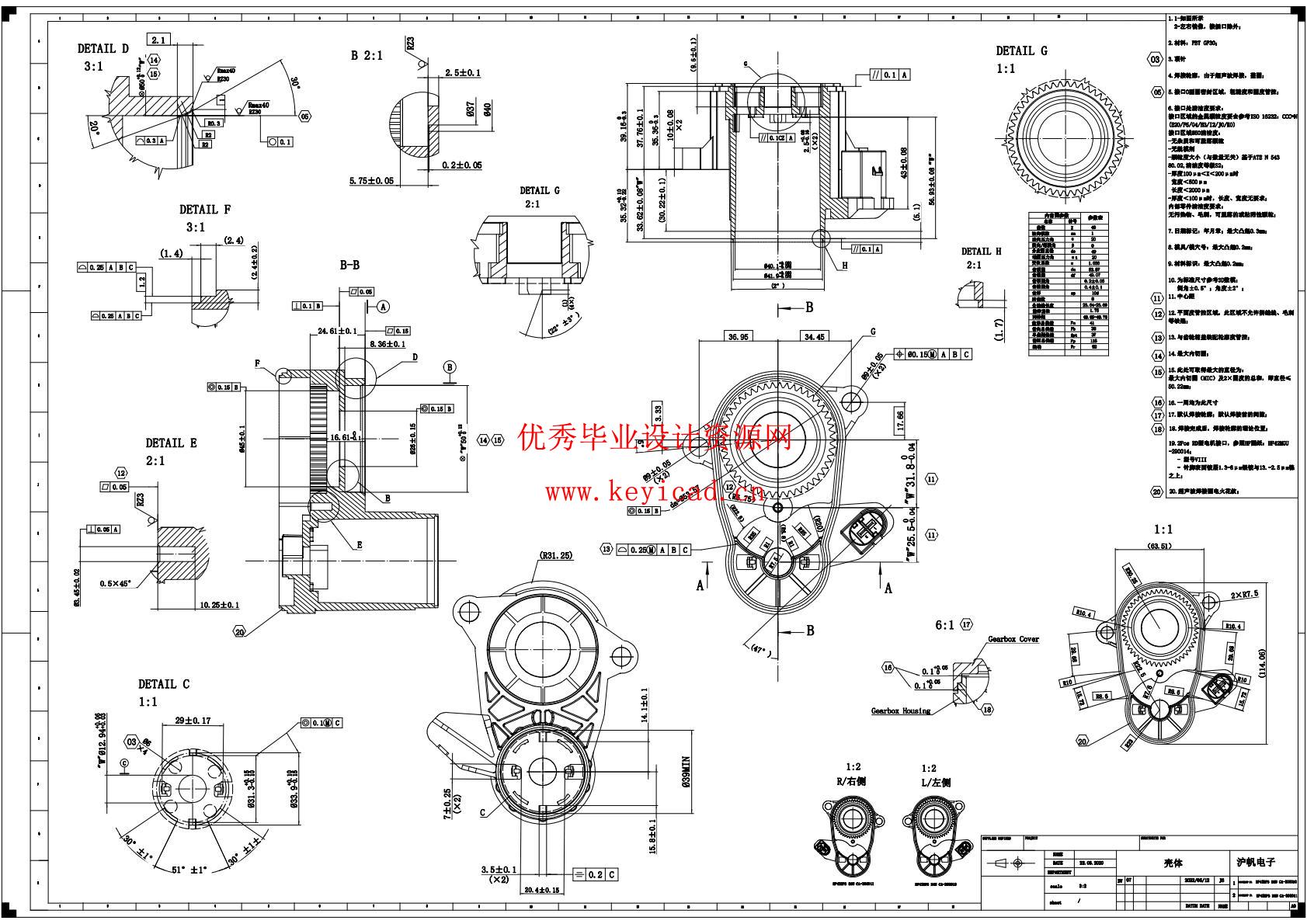
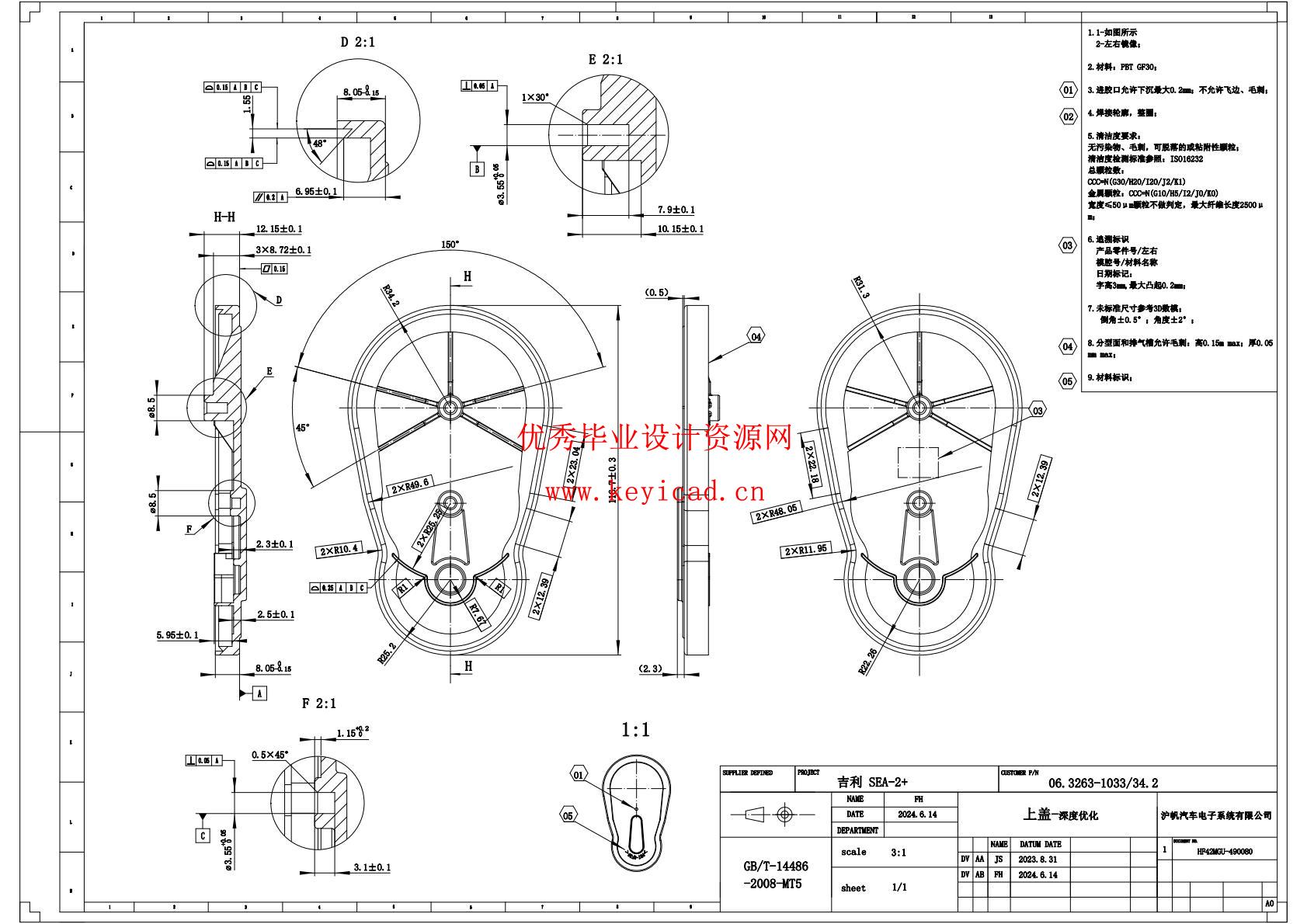
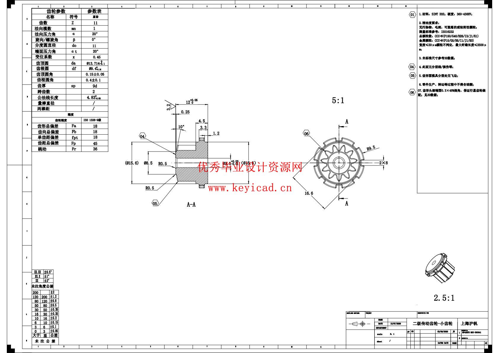
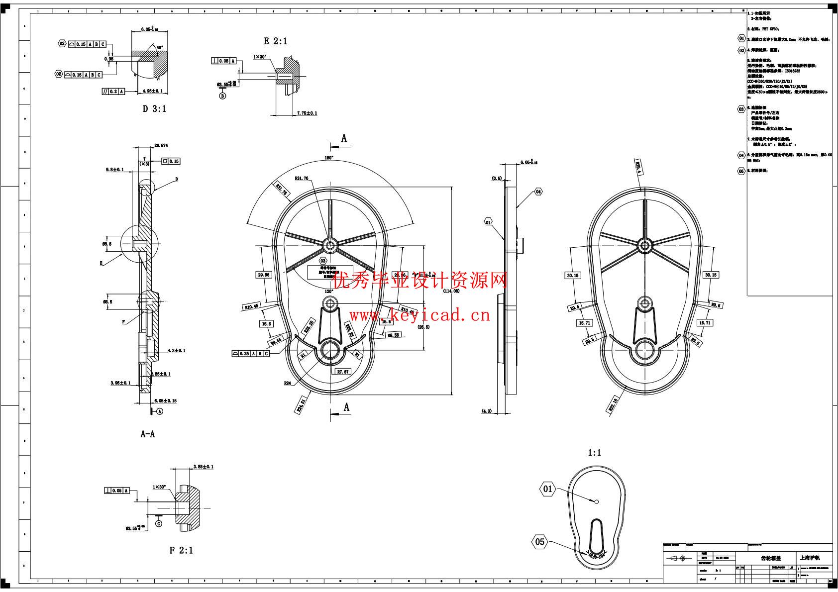
整合式电子驻车制动钳MOC包括:刹车卡钳、传动机构、电机齿轮单元MGU(Motor Gear Unit)机构。MGU在MOC组件中作用是提供有效制动动力,是一个执行机构。MGU的构成:电机、输出齿轮、行星齿轮组、壳体等组成。
汽车MGU有两种,分别是动能电机MGU-K和热能电机MGU-H。动能电机(MGU-K),负责刹车的时候动能回收。热能电机(MGU-H),负责废气的动能回收。 现有MGU在能量回收效率较低、高温损耗、重量成本等方面的局限性。混合动力/纯电汽车对MGU集成度与响应速度的更高需求。改良价值:提升能源利用率;降低系统复杂度。
MGU优化是一个多学科交叉的系统工程,涉及能量管理、电机设计、热管理、轻量化、NVH控制等多个方面。通过综合运用先进材料、智能算法和高效设计,可以显著提升MGU的性能、效率和可靠性,从而推动混合动力和电动汽车的技术进步。未来,随着智能化、新材料和新工艺的发展,MGU优化将迎来更多创新和突破。
通过超参数调优,模型结构调整,训练策略优化,数据预处理,实验与评估等方式对MGU的参数进行优化。通过添加润滑油脂改善齿轮摩擦,提高传动效率;调整重合度来控制噪音。MGU参数优化是一个系统化过程,涉及超参数调优、模型结构调整、训练策略优化和数据预处理。通过实验和自动化工具,可以高效找到最优参数组合,提升模型性能。
关键词:汽车;电子驻车;MGU;手刹系统
目录
摘 要 1
ABSTRACT 3
一、 绪 论 4
1.1. 研究目的及意义 4
1.1.1. 研究目的 4
1.1.2. 研究意义 4
1.2. 存在的问题 5
1.2.1. 核心技术受制于人 5
1.2.2. 用户体验短板 5
1.2.3. 产业生态不健全 5
1.3. 未来研究方向 5
1.4. 国内外现状及分析 6
1.4.1. 国内研究现状 6
1.4.2. 国外研究现状 7
1.4.3. 总结 7
1.5. 汽车电子驻车制动技术 8
1.5.1. 汽车电子驻车工作原理 8
二、 MGU的研究内容 10
2.1. MGU的组成结构 10
2.2. MGU的特点 10
2.3. MGU改良设计 12
2.4. MGU现阶段在市面上的应用 12
2.4.1. 能量回收 12
2.4.2. 精准制动控制 13
2.4.3. 再生制动功能 13
2.5. 引领开源软件生态与行业协作 13
2.5.1. 操作系统创新 13
2.5.2. 标准化与行业示范效应 13
2.6. 本章小结 14
三、 优化与仿真 15
3.1. MGU力矩的计算 15
3.1.1. Tc的计算 15
3.1.2. Tm的计算 16
3.2. 优化滑动比 17
3.3. 优化重合度 19
3.4. MGU电机的优化与仿真 20
四、 MGU未来的发展趋势 22
4.1. 高性能与高效率技术 22
4.2. 材料与制造工艺革新 22
4.3. 深度集成化与模块化设计 22
五、 结 论 23
六、 参考文献 24
七、 致 谢 25
说明书

PDF图纸
文件列表

