摘要
本文针对弧面产品贴标效率低、精度差的问题,设计了一种基于气动与机械协同控制的弧面贴标、贴纸装置。通过分析标签剥离力学特性和贴标工艺需求,提出了包含供标机构、转盘定位系统、压标模组及自动出料流水线的整体方案。采用步进电机驱动标签输送,结合气动控制实现精准贴标与压标,通过丝杠螺母机构和硅胶夹持手爪完成物料抓取与转移。实验结果表明,该装置贴标精度达 ±0.3mm,贴标速度为 150-200 件 / 分钟,可适应曲面半径 30-100mm 的多样化产品需求,显著提升了弧面贴标的自动化水平与生产效率。
关键词:弧面贴标;结构设计;自动贴标机;气动控制;机械臂抓取
目录
1 绪 论 6
1.1 研究背景及意义 6
1.2 国内外研究现状 7
1.2.1 国内现状 7
1.2.2 国外现状 8
1.3 本文主要研究内容 9
1.4 本文的内容章节安排 9
2 弧面贴标、贴纸装置的功能分析与方案设计 10
2.1 引言 10
2.2 弧面贴标、贴纸装置的需求分析 10
2.3 弧面贴标、贴纸装置的结构设计方案 12
2.3.1 自动贴标工艺流程 12
2.3.2 弧面贴标、贴纸整体方案设计 12
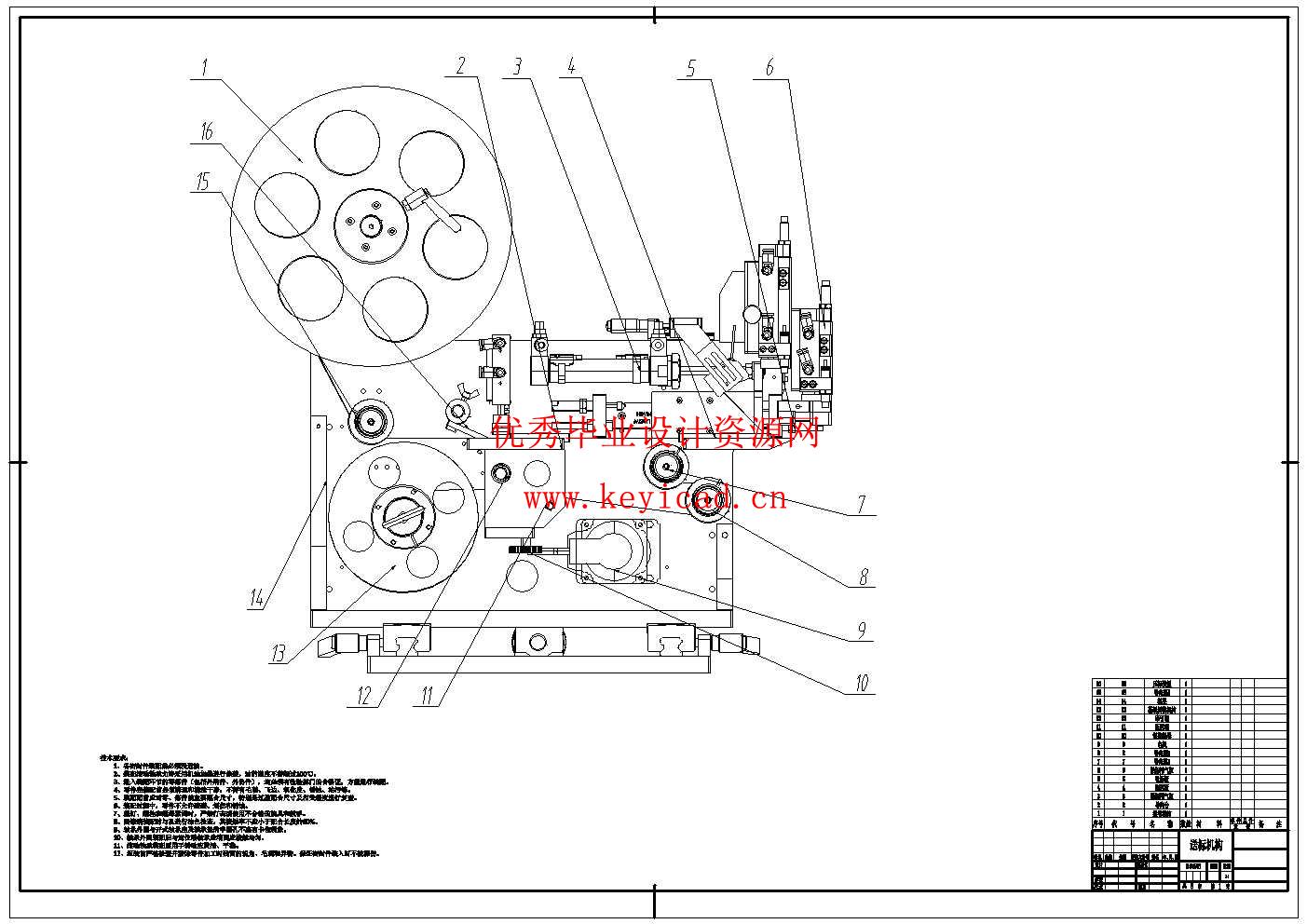
2.3.3 供标机构方案设计 13
2.3.4 供料机构方案设计 15
2.3.5 弧面贴标、贴纸机控制方案设计 15
3 弧面贴标机的主要结构设计 16
3.1 供标机构的设计 16
3.1.1 标签剥离过程中的受力分析 16
3.1.3传动系统的分析与设计 25
3.2 自动出料机械手的设计 28
3.2.1 手爪的选型 28
3.2.2 滑动丝杠设计 29
3.2.3 直齿轮设计 31
3.2.4 电机选型 31
4 弧面贴标机控制系统设计 32
4.1 工作流程分析 32
4.2 气动回路设计 32
5 总结与展望 33
参考文献 34
致谢 36
说明书

三维模型

CAD图纸
文件列表

