摘要
本文设计了一种苹果分选机,旨在满足农业现代化中对苹果高效、精准分选的需求。随着农业现代化推进,苹果分选机的自动化、智能化对于提升生产效率和降低劳动强度至关重要。
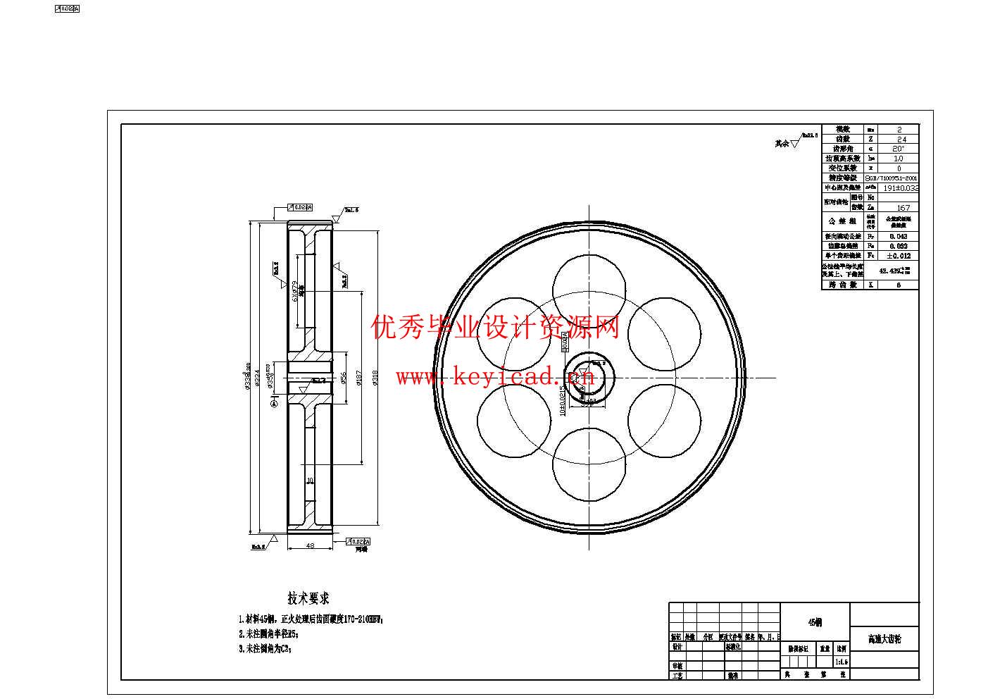
文章首先综述了国内外苹果分选技术的研究现状,分析了当前技术的优缺点,为设计提供了参考。在设计环节,首先明确了设计参数、原则和总体方案。接着,详细设计了关键零部件,如上料机、分选机构和传动装置。上料机确保苹果稳定有序进入分选机构;分选机构能精准识别与分类苹果大小、颜色等特征;传动装置则通过详细计算总传动比、分配传动比以及运动和动力参数,确保分选机稳定运行和高效传动。此外,还设计了减速器、链传动与链轮,并进行了键和轴承的选择与校核,确保零部件的可靠性和耐久性。
对本文的设计工作进行了总结,指出所设计的苹果分选机具有自动化程度高、分选精度高、运行稳定等优点,能够满足农业生产中对苹果分选的需求。同时,也提出了进一步的研究方向,以期不断完善和优化苹果分选机的设计。
关键词:苹果分选机;结构设计;传动设计;链条计算
目录
摘 要 I
Abstract II
绪 论 1
1.1 课题的背景及意义 1
1.1.1课题的背景 1
1.1.2课题的意义 1
1.2 国内外研究现状 2
1.2.1 国外研究现状 2
1.2.2 国内研究现状 4
1.3 课题的主要研究内容 6
总体设计 7
2.1 设计参数 7
2.2设计原则 7
2.3总体方案 8
关键零部件设计 10
3.1上料机的尺寸设计 10
3.2分选机构设计 12
3.3确定传动装置的总传动比和分配传动比 14
3.4减速器计算 15
3.4.1高速级齿轮的设计计算 15
3.4.2低速级齿轮的设计计算 20
3.4.3输入轴的设计 26
3.5链传动与链轮的设计 33
3.5.1选择链轮齿数与计算 33
3.5.2确定链条型号 34
3.5.3计算链节数和中心距 34
3.6键的选择与校核 35
3.7轴承的计算与校核 36
结 语 38
参考文献 39
说明书

三维模型

CAD图纸
文件列表
