摘要
摘要:本次毕业设计的课题是曲轴箱体零件的机械加工工艺及夹具设计。本次设计的目的是在完成了大学全部课程后,进行的一次理论联系实际的综合运用使我对专业知识、技能有了进一步的提高,为以后从事专业技术的工作打下基础。企业产品的设计、生产前的技术准备、生产过程的资源调度、加工操作以及生产过程中的安全等都与机械加工工艺息息相关,好的加工工艺是 经济效益和技术的保障;夹具是组成加工过程的重要分支,其地位不言而喻,优良的夹具可以提高产品的加工效率和制造精度,同时降低生产的成本,因此对机械加工工艺及夹具的研究具有重要的意义。
本次研究方法是按照零件加工工艺制定的基本流程,经过详细的对比、论证,并经过生产实践验证,选择了实用的工艺路线。首先对曲轴箱体零件的加工工艺性进行分析,制定了可行的工艺路线并对切削力、夹紧力、定位误差等进行了计算,对夹具的工作原理进行了详细的解说,最后通过专业软件,绘制出夹具的三维图,这也是本设计的创新之处,在夹具制造之前通过三维软件将夹具的三位数据模型绘制出来,这样就避免了设计过程中错误的地方,节省了由于夹具设计带来的资源浪费,本次设计为工艺设计人员介绍了基本的设计流程,以及新的工装夹具设计方法。
关键词:曲轴箱体,工艺,夹具
目录
第1章 绪论
1.1 课题的目的及意义
1.2 国内外发展动态
1.3 主要研究内容
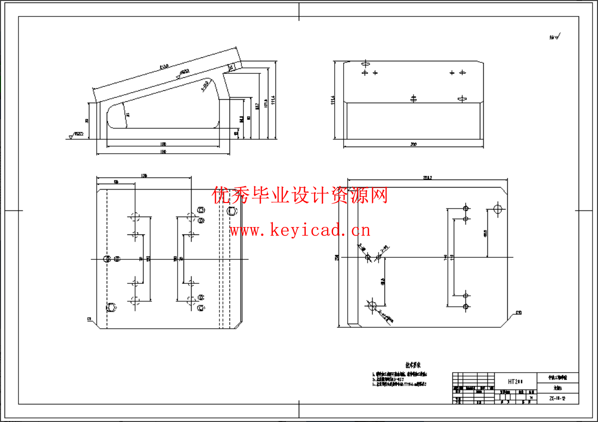
第2章 零件分析
2.1 零件详细分析图
2.2 零件的作用
2.3 零件加工表格面的详细技术分析
2.4 把毛坯的余量跟形状确定
2.5 绘制毛坯图
第3章 机械加工的工艺流程设计
3.1 准确选择定位基准
3.2 拟订的工艺过程
第4章 加工设备跟工艺装备的选取
4.1 依照不同的工序来选择不同的机床
4.2 刀具,夹具以及量具的选取
4.3 切削用量的计算和确定
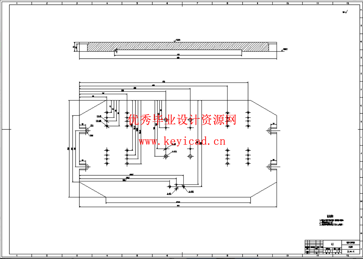
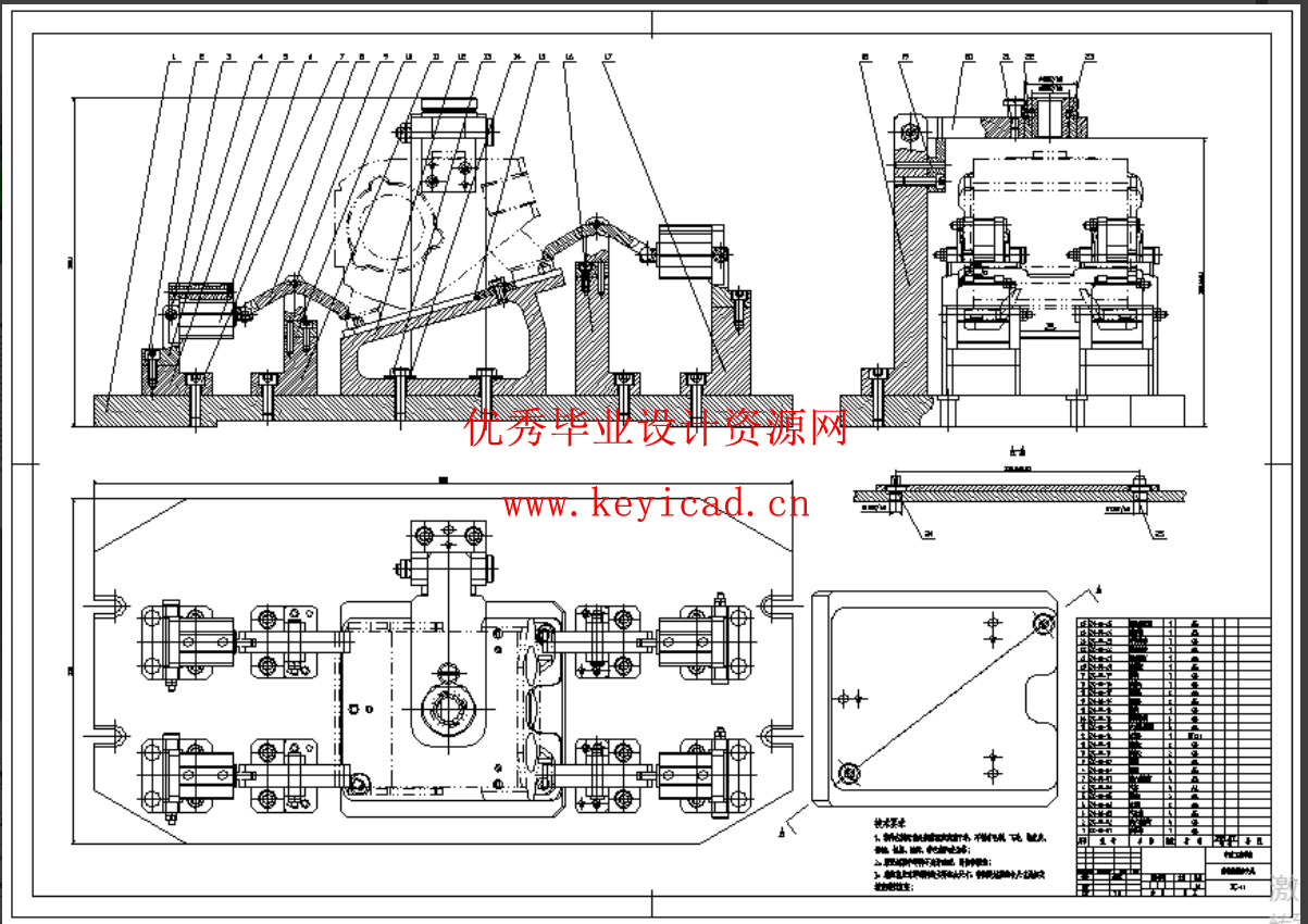
第5章 铣床夹具的内部结构设计
5.1 确定出设计的任务跟收集并分析原始的资料
5.2 夹具的结构以及类型
5.3 工件定位基准的选择和自由度分析
5.4 定位基准的选择
5.5 夹具的内部结构
5.6 对夹具的精度进行分析
5.7 夹紧力计算
5.8 夹具设计及操作的简要说明
第6章 钻床夹具的内部结构设计
6.1 确定出设计的任务跟收集并分析原始的资料
6.2 工件定位基准的选择和自由度分析
6.3 定位基准的选择
6.4 夹具的内部结构
6.5 对夹具的精度进行分析
6.6 夹紧力计算
6.7 夹具设计及操作的简要说明
第7章 总结与展望
7.1 总结
7.2 展望
参考文献
致谢
说明书

工艺过程卡
工序卡

铣床夹具三维模型
钻床夹具三维模型
CAD图纸



