摘要
本文是对变压器铁芯片的冲孔及其落料模具的设计,通过对零件图形的结构和生产工艺性的分析,决定采取冲孔和落料在同一道工序完成的复合模,同时考虑到正装式复合模的冲孔废料直接由冲孔凸模从凸凹模内孔推下,结构简单,操作方便,故选用正装式复合模具。
此正装式复合模具的设计,包含1.首先对零件的工艺性进行分析,然后选择了几个可行的方案,接着对工艺方案进行演算和比较,最终确定采用倒装式复合冲裁模,2.制订工艺流程,选择排样图,对材料的利用率进行计算,3.初步确定冲模结构,包括(1)模具的具体形式(2)定位装置(3)卸料装置(4)导向零件(5)模架 4.冲裁力的计算 5.模具刃口尺寸的计算 6.冲裁模具主要零件的设计及计算 包括(1)落料凹模(2)冲孔凸模(3)凸凹模 7.标准零件的设计计算 包括(1)模架(2)导柱,导套(3)上,下模座(4)卸料螺钉 8.其它支承零件 包括(1)模柄 (2)变压器铁芯片及垫板 9.紧固件的选择
关键词:冲孔;落料;正装式;复合模;
目录
1 制件的工艺性分析及冲压工序安排
1.1 零件工艺分析
1.1.1 冲裁件的材料分析
1.1.2 冲裁件的结构工艺性
1.1.3 冲裁件的尺寸精度
1.2 确定工艺方案
1.2.1 冲压工艺方案确定
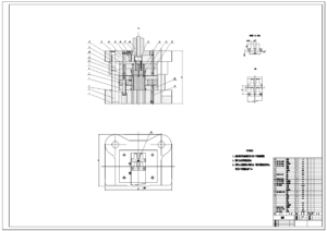
2 模具结构形式的确定
2.1 模具类型的选择
2.2 定位方式的选择
2.3 卸料、出件方式的选择
2.4 导向方式的选择
3 工艺计算
3.1 冲裁排样图设计及材料利用率计算
3.1.1 排样方法的确定
3.1.2 搭边
3.1.3 搭边值的确定及排样方案的确定
3.1.4 材料利用率计算
3.2 冲压力计算
3.3 冲压设备的选择及设备工作能力
4 模具工作零件的刃口尺寸和公差值的计算
4.1 凸模与凹模刃口尺寸的确定
4.2 工作零件的结构设计
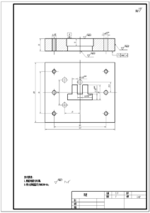
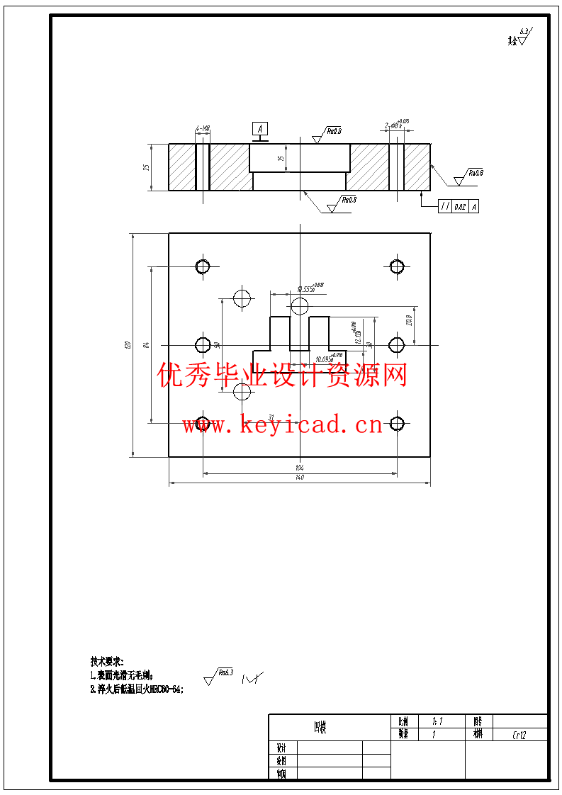
4.2.1 凹模尺寸
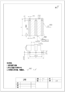
4.2.2 凸模尺寸
4.2.3 凸凹模尺寸
5 压力机的校核及其他冲裁零件的选择
5.1 压力机的校核
5.2 其他冲裁零件
5.3 模架的选择
总 结
参考文献
说明书

三维模型
CAD图纸
文件列表

图纸列表

模型文件列表

