摘要
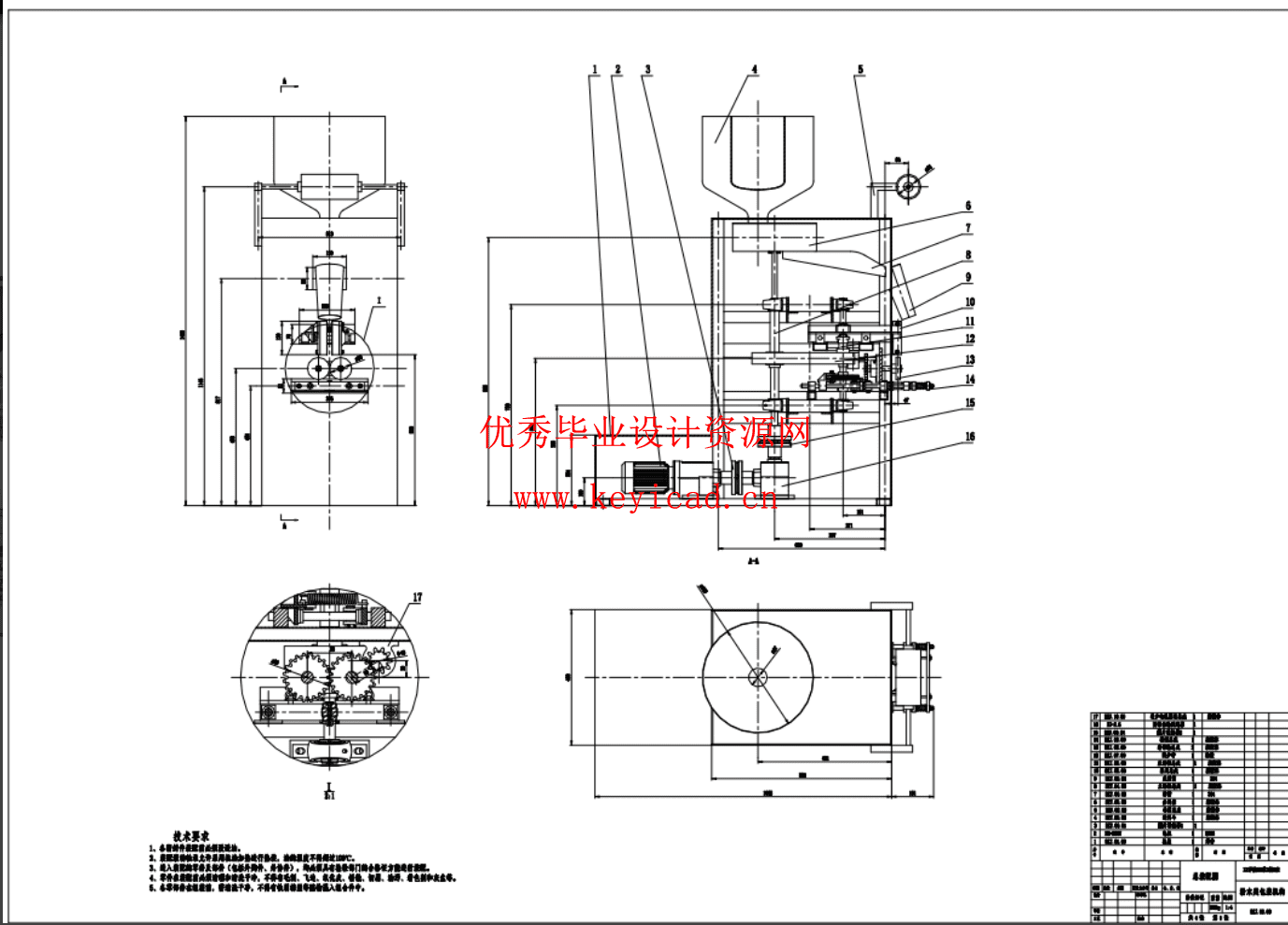
全自动粉料立式包装机适用于日化、医药、食品、农药等行业的粉料类产品的灌装生产。整机采用不锈钢制造,清洁卫生。它的特点是机械式传动,设计紧凑合理,外形简洁美观,调节便利,同时具有计量功能。灌装速度和灌装容量均可在一定范围内进行调节,从而满足不同的生产需求。整机灵敏性高,低速转矩大,速度稳定,工作电压稳定,抗干扰能力强。粉料立式包装机由供料装置、供膜装置、传动系统、热封装置、切割装置、操作箱等儿部分组成。本次设计主要完成传动系统(包括带轮、凸轮、轴),物料计量装置及总体因配的结构设计。
关键词:包装机、带传动、凸轮、有限元分析、封装
目录
- 前言
1.1 包装机械概述
1.2 国外发展现状
1.3 国内发展现状 - 可采用方案比较与选择
2.1 粉末类包装机构的一般构成
2.2 供料装置
2.3 卷带机构
2.4 计量机构
2.4.1 转盘式计量机构
2.4.2 转鼓式计量机构
2.4.3 螺杆式计量机构
2.5 封装机构 - 方案设计与结构校核
3.1 结构设计与动作分析
3.2 封装装置凸轮设计
3.3 电机功率计算与电机及减速器选型
3.3.1 分料机构负载功率计算
3.4 同步带计算 - 主轴应力校核与有限元仿真
4.1 有限元分析原理
4.2 主轴模型建立及导入
4.3 网格划分
4.4 施加负载、边界条件及结果分析 - 整体设计方案
总结
致 谢
参考文献
说明书


三维模型

CAD图纸
文章评论