摘要
车床尾座套筒是机械产品中常见的套类零件,本设计为车床尾座套筒零件的机械加工工艺规程及专用夹具设计,包括零件加工的工艺设计、工序设计以及专用夹具的设计三部分。在工艺设计中要首先对零件进行分析,了解零件的工艺再设计出毛坯的结构,并选择好零件的加工基准,设计出零件的工艺路线;接着对零件各个工步的工序进行尺寸计算,关键是决定出各个工序的工艺装备及切削用量;然后进行专用夹具的设计,选择设计出夹具的各个组成部件,如定位元件、夹紧元件、引导元件、夹具体与机床的连接部件以及其它部件,分析夹具结构的合理性,用本文的方案设计的夹具结构合理,操作和维护方便,符合提高加工零件劳动生产率的要求。
关键词:车床尾座套筒;工艺规程;定位基准;专用夹具
目录
1 绪论………………………..……………………………….…………………………. …1
1.1 本设计的内容及义……………………………………………………………………1
1.2 课题背景知识…………………………………………………………………………1
1.2.1 零件的功能…………………………………………………………………….1
1.2.2车床相关知识介绍……………………………………………………………. 2
1.2.3机械制造工艺技术相关知识…………………………………………………. 3
1.2.4机床夹具设计基础知识………………………………………………………. 4
2 车床尾座套筒的机械加工工艺规程设计……………………………………………… 8
2.1 零件的工艺分析及生产类型的确定………………………………………………. .8
2.1.1 零件的作用…………………………………………………………………….8
2.1.2 确定零件的生产类型 ………….……………………………………………8
2.1.3 零件的工艺分析 ………….…………………………………………………9
2.2工艺规程设计…………………….……………………….…………………………9
2.2.1 确定毛坯的制造形式………………………………………………….…… 9
2.2.2基准的选择…………………………………………………….……..………10
2.2.3制定工艺路线…………………………………………………….…………11
2.2.4 机械加工余量、工序尺寸、及毛坯尺寸的计算……………………………13
2.2.5绘制毛坯图…………………………………………………….……………14
2.2.6确定切削用量及基本工时……………………………………………….…15
3 车床尾座套筒零件专用夹具设计……… ………………….………………..…………32
3.1 确定夹具的结构方案 ………………………………………….…… ……………32
3.1.1 确定定位方案、选择定位元件………………………………………….…. 32
3.1.2确定夹紧机构………………………………………………….……………34
3.1.3确定辅助定位装置………………………………………….………………34
3.2 设计夹具体 ………………………………………….…… ………………………34
3.2.1问题的提出………………………………………….….……………………34
3.2.2夹具设计………………………………………….…………………………34
3.2.3夹具使用说明………………………………………….…… ………………36
4 总结 ………………………………………………………………………………… …38
参考文献……………………………………………………………………………….……..39
致谢………………………………………………………………………………….….. …40
附录…………………………………………………………………………….……………..41
附录A………………………………………………………………….…………………41
附录B……………………………………………………………..………………………43
零件图

说明书




工艺过程卡

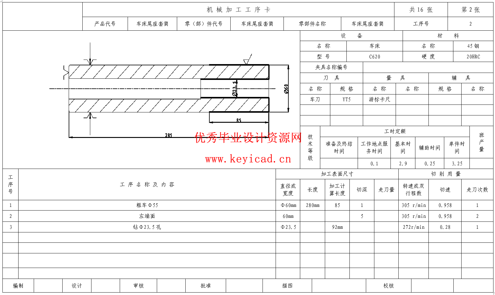
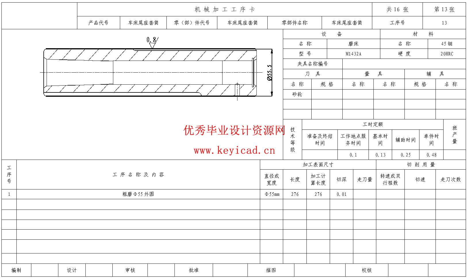
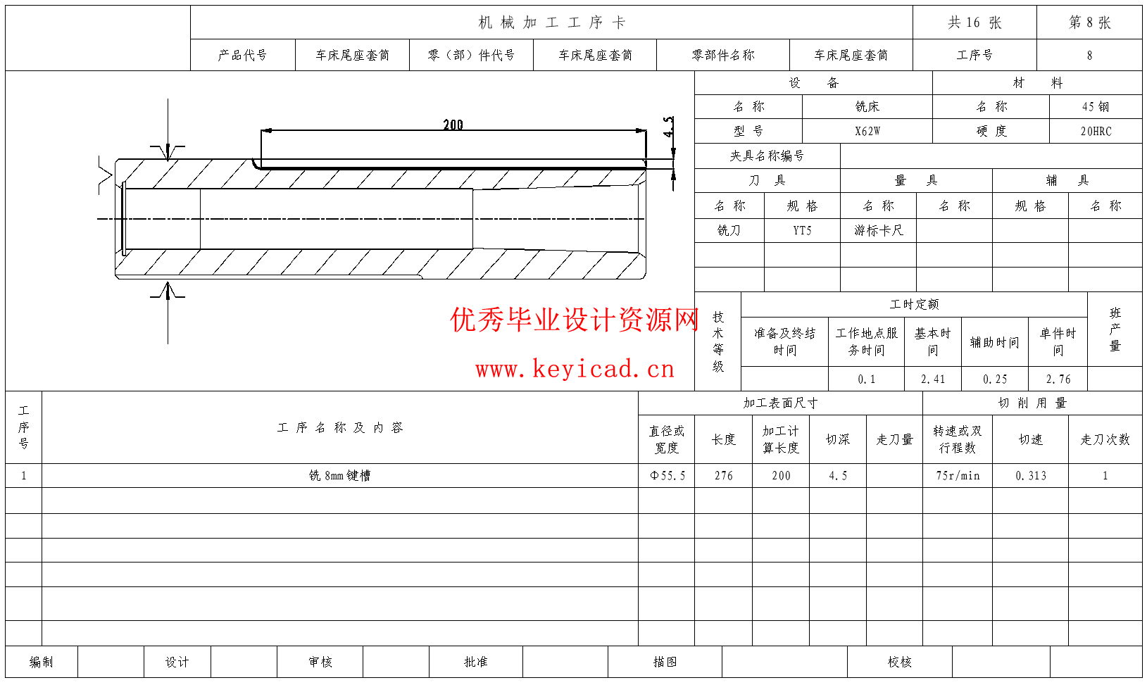
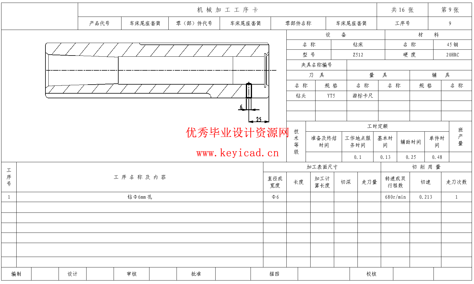
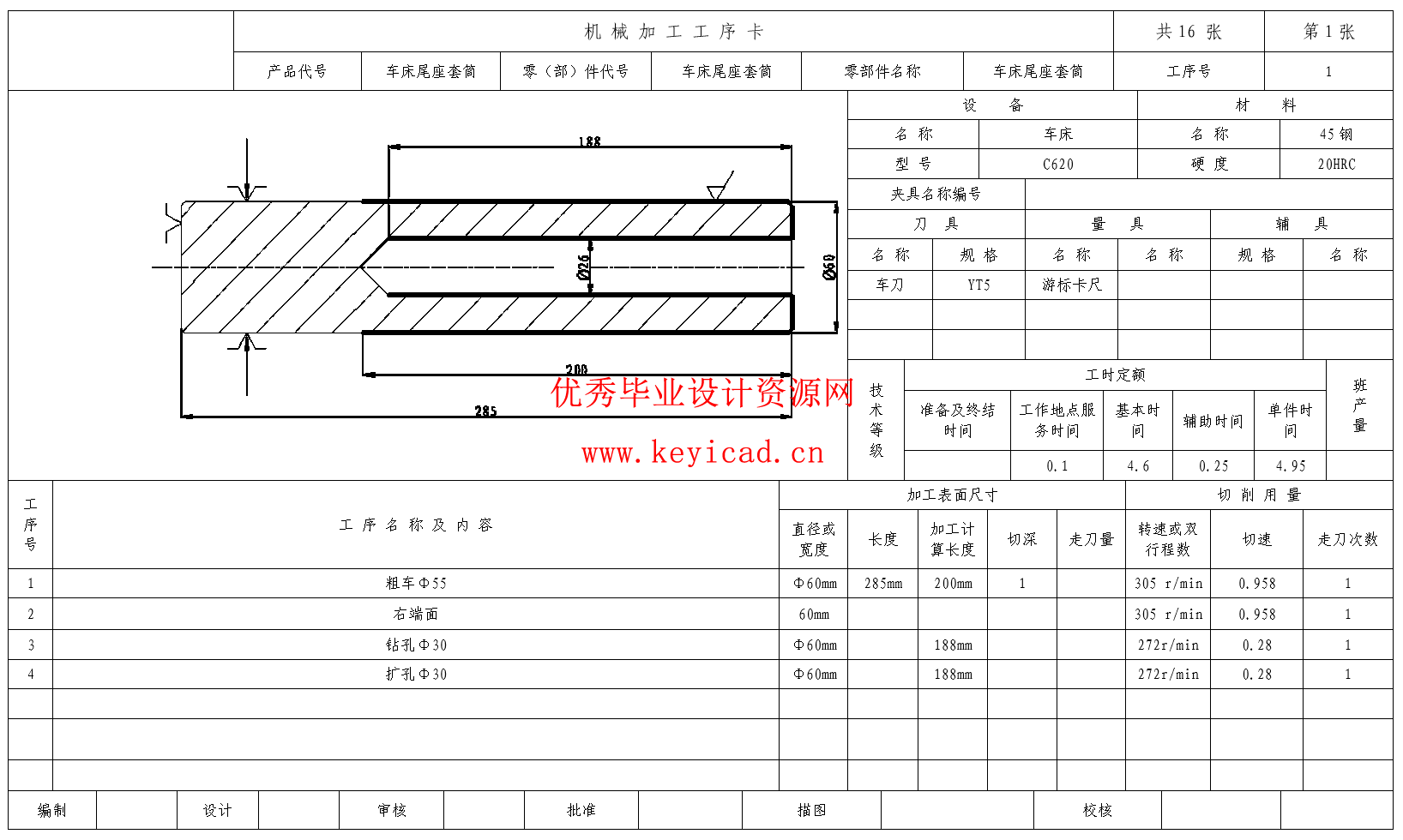
工序卡
CAD图纸

文章评论