摘要
本文主要探讨了绞肉机结构设计的研究背景、现状、目的、意义以及研究内容。首先,介绍了绞肉机结构设计的重要性,特别是在食品加工行业中的应用。接着,对当前绞肉机结构设计的研究现状进行了概述,包括手动和电动绞肉机的发展现状。然后,阐述了本课题的研究目的、意义和研究内容,旨在设计一款高效、安全、易于操作的绞肉机。
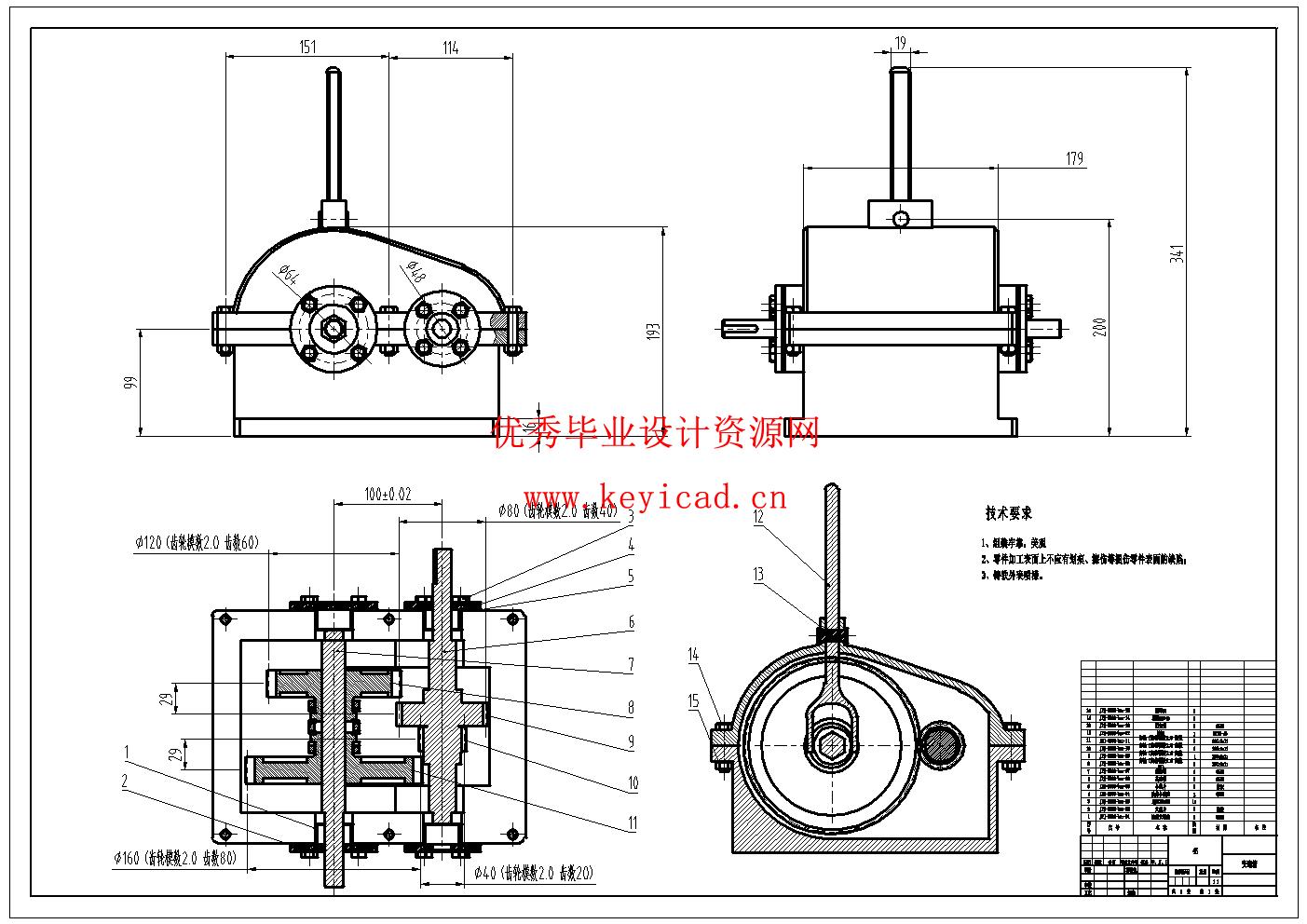
在总体方案设计中,详细介绍了送料机构、切割机构和驱动机构的设计思路和原理。同时,阐述了绞肉机的工作原理,为后续的设计提供理论支持。在螺旋供料器设计中,重点考虑了绞笼和绞筒的设计,包括材料选择、螺旋直径、转速、螺旋节距等参数的确定。传动系统设计部分,主要介绍了电机的选择、带传动和齿轮传动的设计。通过计算和校核,确定了电机的功率和型号,以及带传动和齿轮传动的参数。此外,还对轴的设计进行了简要说明。最后,重点讨论了绞刀的设计,包括刀刃的起讫位置、前角、后角、刃倾角以及刀片的结构等。这些设计旨在提高绞肉机的切削效率和刀片的使用寿命。
关键词:绞肉机;挤肉样板;绞刀;绞笼
目录
1 绪论 3
1.1 课题的研究背景 3
1.2 绞肉机结构设计研究现状 4
1.3 本课题研究的目的、意义及研究内容 6
2 总体方案设计 8
2.1 绞肉机工作原理 8
2.2 送料机构 8
2.3 切割机构 9
2.4 驱动机构 9
2.5 绞肉机结构 9
3 传动系统的设计 11
3.1 电机的选择 11
3.2 带传动的设计 11
3.3 齿轮传动设计 14
4.4 轴的设计 19
4 关键零部件设计 21
4.1绞笼的设计 21
4.2 绞筒的设计 22
4.3 绞刀设计 22
5 结论 28
参考文献 29
致谢 30
说明书

三维模型
CAD图纸
文件列表

