摘要
橙汁作为日常饮品,其生产过程中的技术问题一直备受关注。当前,市场上的主流榨汁设备为电动铰刀式,其工作原理依赖于电动机驱动,导致能源消耗较大,主要适用于大规模生产。对于家庭、食堂、餐馆等小型需求者而言,使用此类设备进行橙汁生产显然不经济,存在能源浪费的问题。此外,橙子的去皮过程亦耗时费力,目前尚未有广泛接受的小型去皮及榨汁机械。
本研究旨在解决上述问题,首先对现有的橙子去皮技术进行了综述,对去皮机的类型、结构、特点及其局限性进行了详细分析。在此基础上,本研究借鉴了现有榨汁机的优点,并通过原始数据的深入分析、方案的论证比较与选择,完成了去皮及榨汁机的总体设计。具体包括去皮装置的设计、榨汁机构的设计以及传动方案的选择等关键环节。通过三维建模和有限元仿真技术,本研究设计出一款适用于家庭和餐馆等场合的新型橙子去皮及榨汁机械。本文详细阐述了该新型机械的结构、特点及使用方法,为小型需求者提供了一种高效、简便、安全的去皮榨汁解决方案。该机械集成了去皮、榨汁等功能,操作简便,可靠性高,安全性能良好,显著提高了工作效率。
关键词:去皮;榨汁;三维建模;有限元分析
目录
摘 要 I
Abstract II
1 绪论 14
1.1 研究背景及意义 14
1.2 橙子剥皮榨汁机的研究现状 14
1.2.1剥皮机的研究现状 14
1.2.2榨汁机的研究现状 21
1.3 本文主要工作内容 23
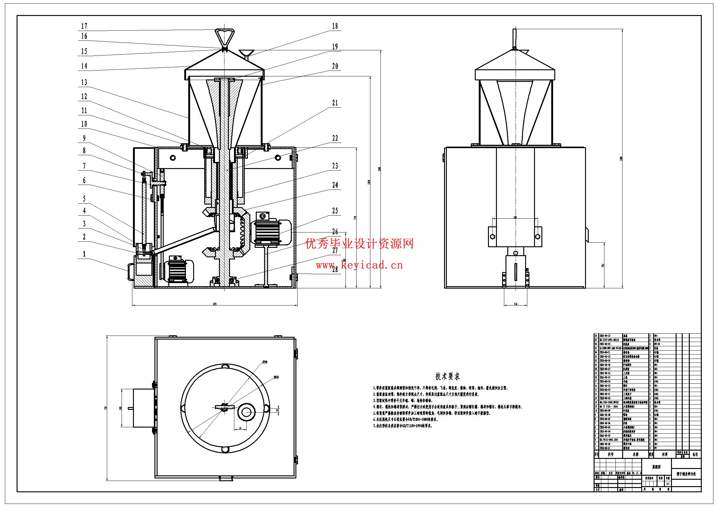
2 橙子剥皮及榨汁机总体方案 25
2.1 去皮装置的方案 25
2.2 榨汁装置的方案 25
2.3总体布局 25
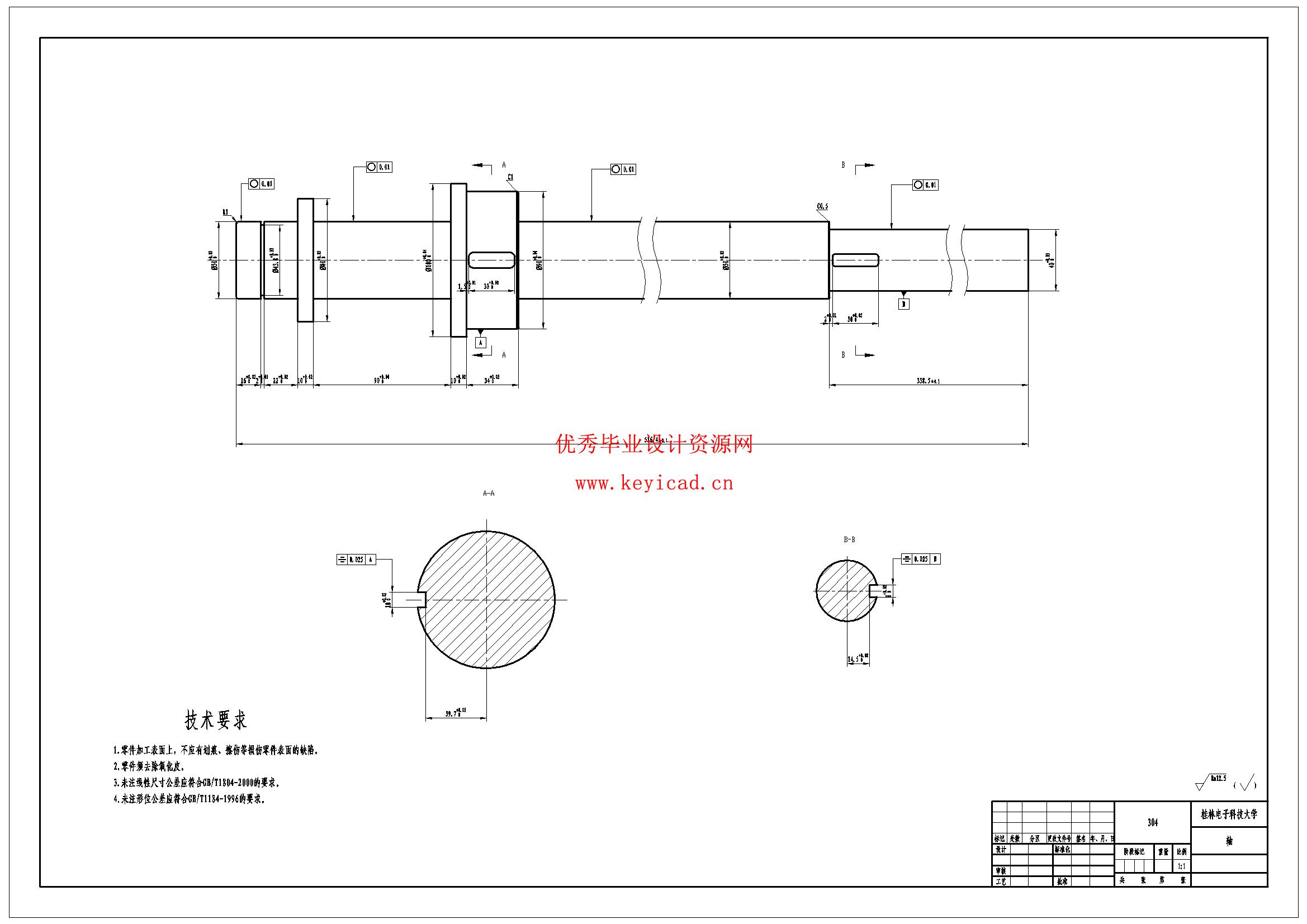
3 橙子剥皮及榨汁机去皮机构设计 27
3.1 进料口的设计 27
3.2 去皮装置的设计 27
3.3 橙子剥皮及榨汁机的工作原理 28
3.4 受力分析 28
3.5 锥齿轮传动系统设计及其剥皮装置动力装置设计 30
3.6 橙子皮收集装置的设计 31
4 榨汁机构的的设计 32
4.1 榨汁机构电机的选择 32
4.2 传动系统的设计 32
4.3 曲柄滑块机构设计计算 34
4.3.1最小传动角γmin的计算 34
4.3.2X和最小传动角γmin的关系 34
4.3.3 设计最优传力性能的曲柄滑块机构 35
4.3.4该机构中的数据计算结果 36
4.4 榨汁杯的设计 36
5 利用Solidworks 有限元分析 38
5.1 有限元模型 38
5.2 有限元计算 39
6 结论 40
6.1 设计总结 40
6.2 自我评价 41
谢 辞 42
参考文献 43
说明书

三维模型

CAD图纸
文件列表

