摘要
本文设计了一种新型带式运输机传动装置,旨在满足快递行业对高效、节能及高承载抗压能力的需求。装置由电机、减速机、联轴器、带传动、齿轮传动及轴传动等部件构成。通过深入分析行业现状及传统装置不足,确定了总体方案,并详细计算了关键部件参数。设计过程中,进行了结构设计与强度校核,配置了隔音罩与张紧装置,以降噪并保障运行稳定。此外,选用高强度合金钢材料,优化传动系统润滑与散热机制,提高了装置承载能力与能源利用效率。该新型传动装置的应用,可显著提升快递行业运输效率,降低运营成本,具有广泛的应用前景与推广价值。
关键词:新型带式运输机 传动装置 快递行业
目录
第1章 前言 1
1.1 研究背景 1
1.2 研究目的与意义 2
第2章 总体设计方案 3
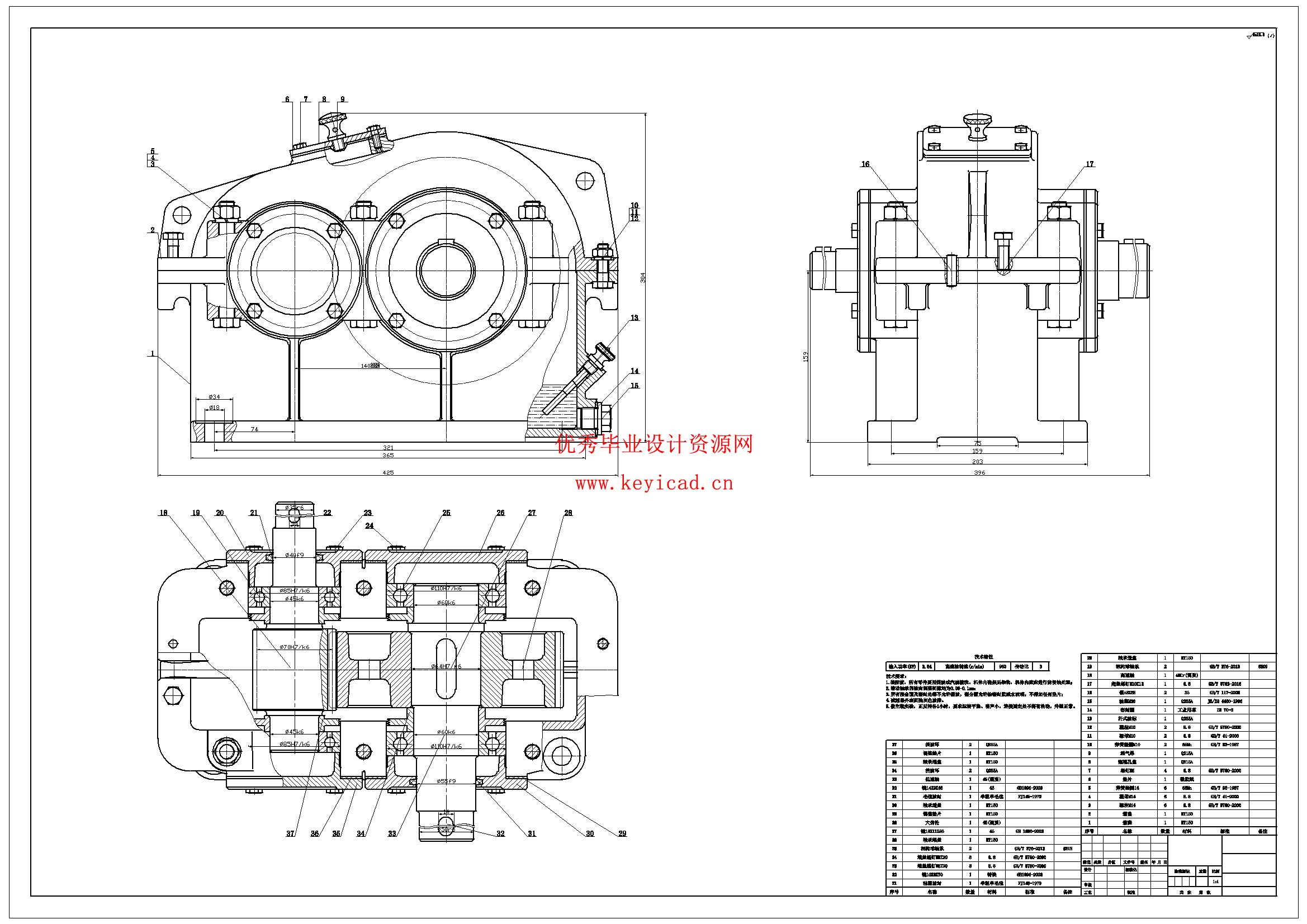
2.1 新型带式运输机传动装置的组成 3
2.2 工作原理 4
第三章 传动系统设计 6
3.1 电动机选型 6
3.2 确定传动装置的总传动比和分配传动比 7
3.3动力学参数计算 7
3.3.1各轴转速 7
3.3.2各轴输入功率 7
3.3.3各轴输入转矩 8
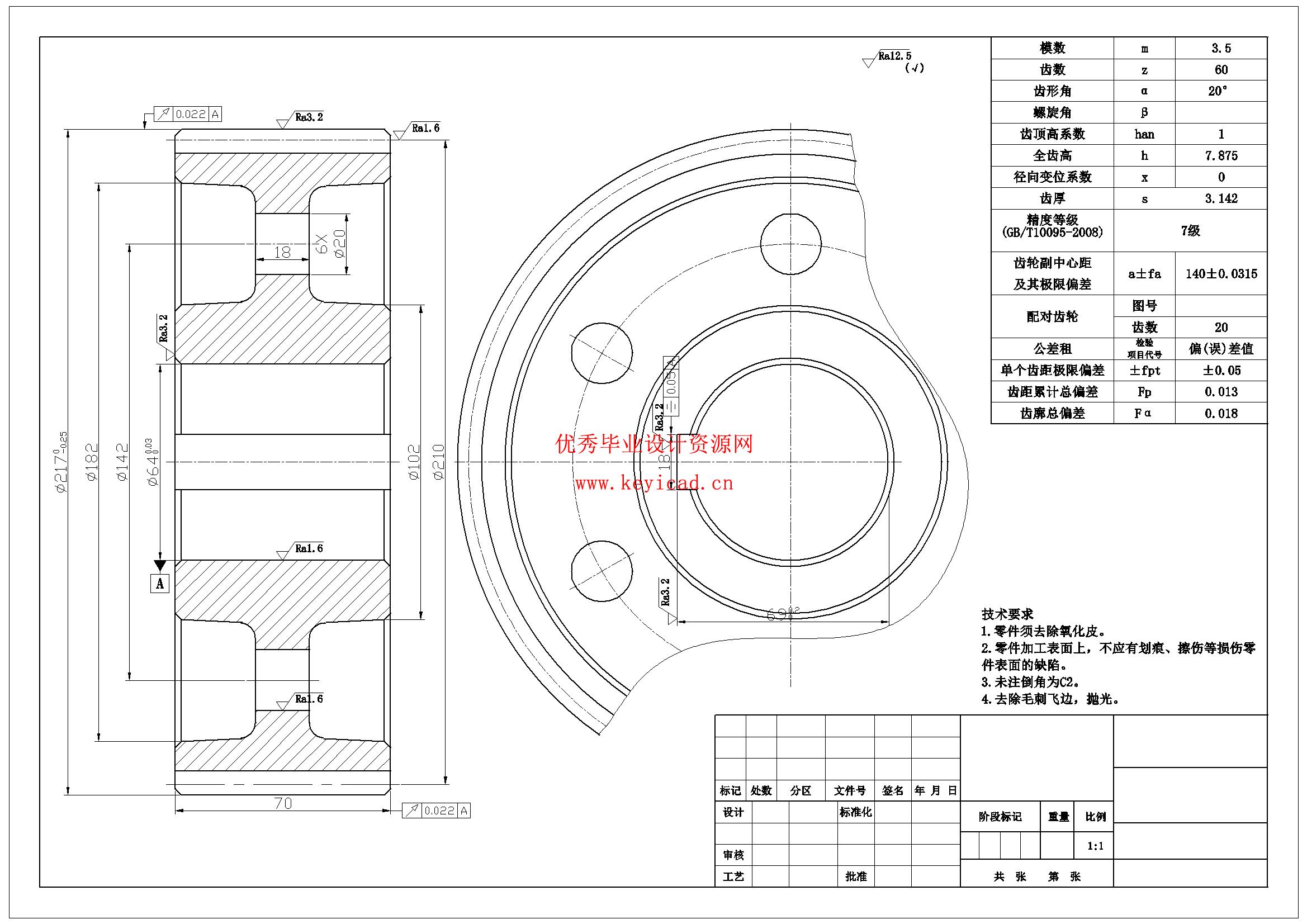
3.4选定齿轮类型、精度等级、材料及齿数 8
3.5按齿面接触疲劳强度设计 8
3.6确定传动尺寸 11
3.6.1计算中心距 11
3.6.2计算小、大齿轮的分度圆直径 11
3.6.3计算齿宽 11
3.7校核齿根弯曲疲劳强度 12
3.8计算齿轮传动其它几何尺寸 13
3.9齿轮参数和几何尺寸总结 14
3.10高速轴设计计算 14
3.11低速轴设计计算 20
3.12高速轴上的轴承计算与校核 25
3.13低速轴上的轴承计算与校核 26
3.14高速轴与联轴器键连接校核 27
3.15低速轴与大齿轮键连接校核 27
3.16低速轴与外件键连接校核 28
3.17高速轴上联轴器 28
第四章 带式输送机部件的选用 29
4.1 输送带 29
4.1.1 输送带的分类 29
4.1.2 输送带的连接 31
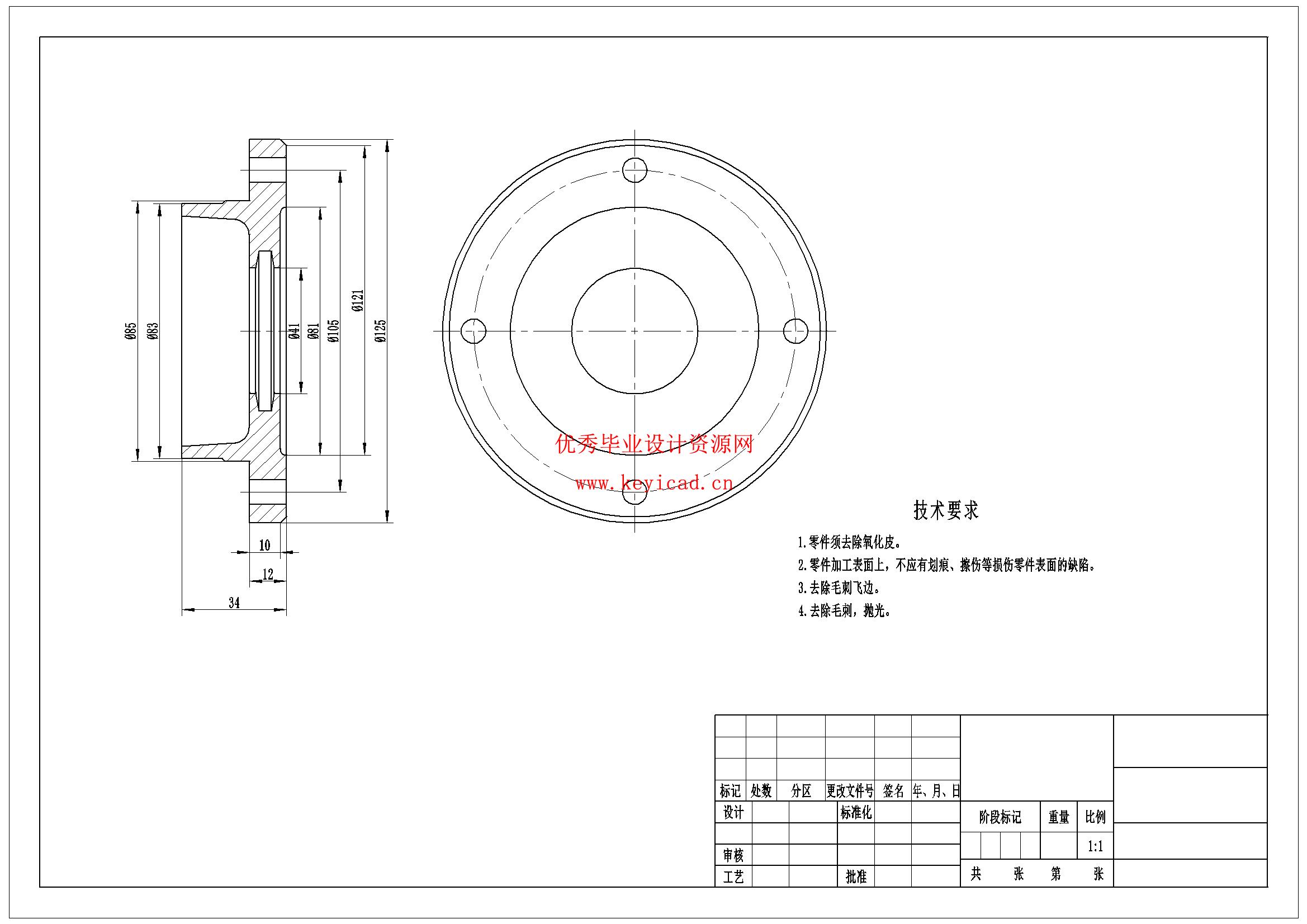
4.2 传动滚筒 32
4.2.1 传动滚筒的作用及类型 32
4.2.2 传动滚筒的选型及设计 33
4.2.3 传动滚筒结构 33
4.2.4 传动滚筒的直径验算 34
4.3 托辊 35
4.3.1 托辊的作用与类型 35
4.3.2 托辊的选型 39
5.3.3 托辊的校核 42
结 论 46
参考文献 47
致 谢 48
说明书

三维模型

CAD图纸
文件列表

