摘要
农业现代化进程推动苹果园管理向智能化、精准化方向发展。传统苹果园病虫害防治方式存在效率低下、劳动强度大且农药使用过量的问题,这对农产品安全和生态环境构成了威胁。为此,研发高效、精准的苹果园喷药机器人显得尤为重要。这一举措旨在提高农业生产效率,减少农药使用量,同时保护生态环境。
本文聚焦于苹果园喷药机器人的结构设计。首先,分析了苹果园生长环境、病虫害发生规律及喷药需求,据此确定了喷药机器人的设计目标和性能要求。随后,对喷药机器人的整体结构进行了细致设计,涵盖行走机构、喷药系统、控制系统等核心部件。行走机构选用履带式设计,以适配苹果园复杂地形;喷药系统通过精确调控喷药量和角度,确保农药均匀喷洒;控制系统集成传感器与算法,实现机器人自主导航和智能避障功能。此外,还对喷药机器人性能进行了测试与优化,以保障其在实际应用中的可靠性和稳定性。本研究为苹果园智能化管理提供了新技术方案。
关键词:苹果种植;农业机械;果园喷药;结构设计
目录
1 引言 1
1.1 研究背景及意义 1
1.2 国内外研究现状 1
1.2.1 国外研究现状 1
1.2.2 国内研究现状 2
1.3 本文主要研究内容 4
2 总体结构设计 5
2.1 动力方案设计 5
2.2 行走系统方案设计 5
2.2.1 行走系统设计要求 5
2.2.2 行走系统方案选择 5
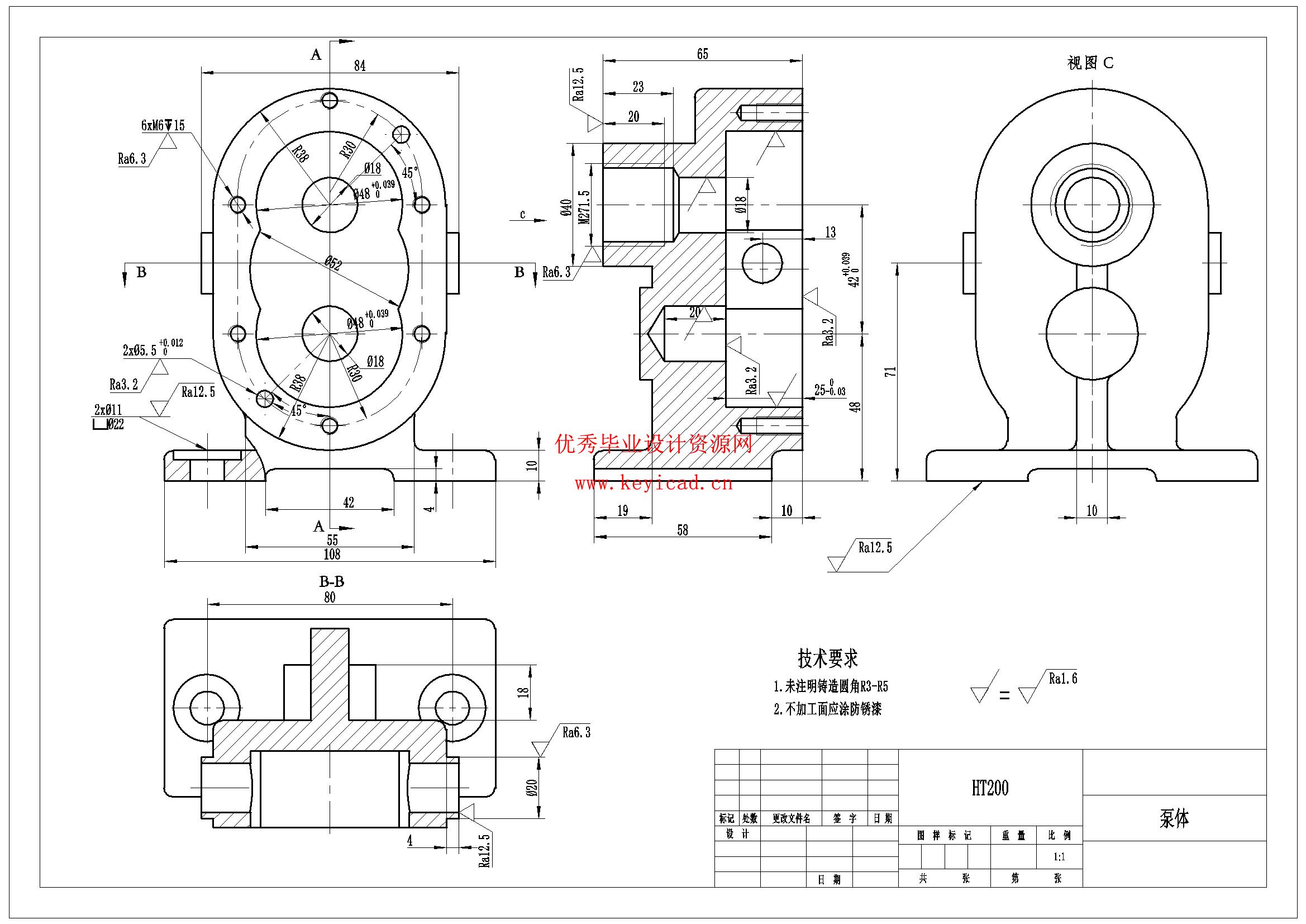
2.3 喷药系统方案设计 6
2.4 总体结构及工作原理 6
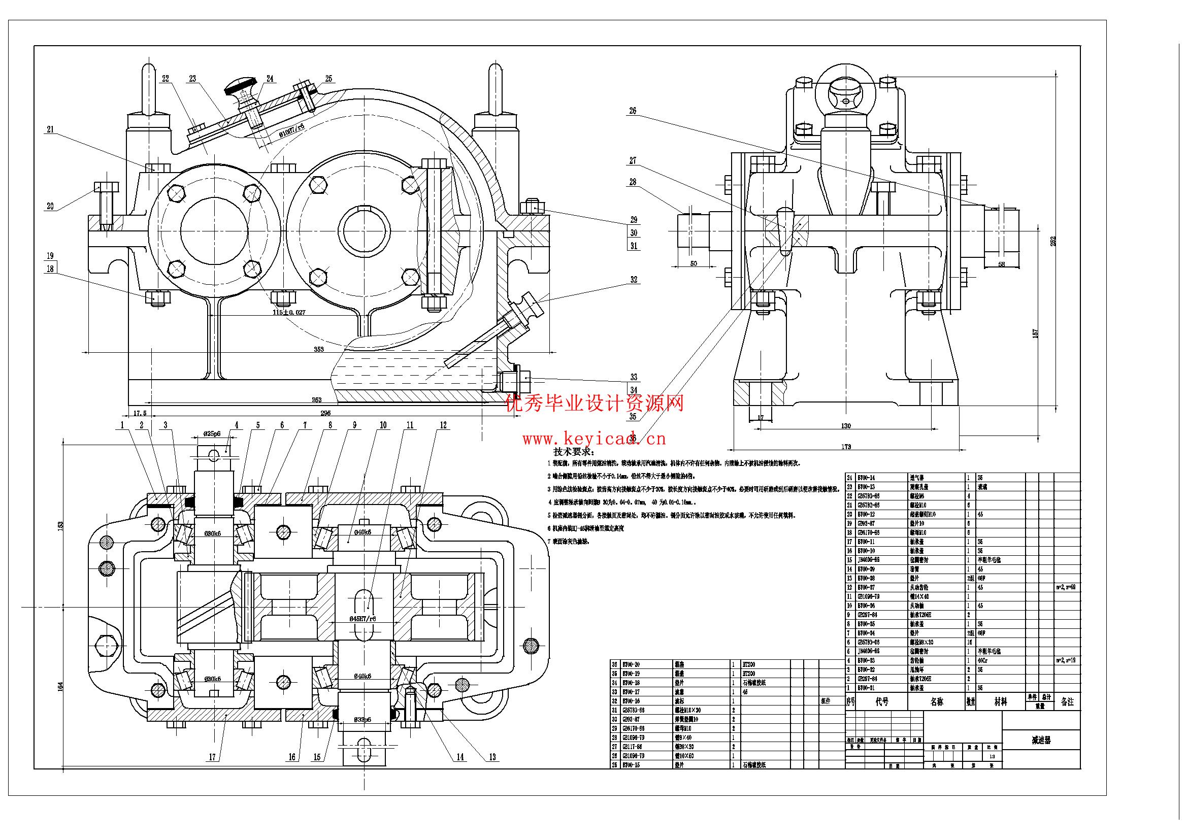
3 行走系统设计 8
3.1移动机构 8
3.2动力来源 8
3.3转向方式 8
3.4供电系统 9
3.5驱动功率计算 9
4 喷药系统设计 11
4.1系统组成 11
4.2喷雾机 11
4.3控制阀 11
4.4传感器 12
4.5喷洒系统功率计算 12
4.6带传动计算 13
5 控制系统设计 17
5.1控制系统结构 17
5.2红外线光电开关模块 17
5.2.1 光电开关的工作原理 17
5.2.2 光电开关的类型 18
3.2.3 光电开关电路的设计 19
5.3 电机驱动模块 20
5.4 红外循线模块 21
5.4.1 红外放射式光电传感器特性与工作原理 21
5.4.2 红外循线具体设计与实现 22
5.5 最小系统模块 23
5.5.1 单片机最小系统 23
5.5.2时钟电路 23
5.5.3复位电路 24
5.5.4中断系统 25
5.6 系统仿真测试 25
参考文献: 28
附录 29
说明书

三维模型

CAD图纸
文件列表

