摘要
本文针对全自动旋转装载搬运机的结构设计与性能优化展开系统性研究,解决传统人工搬运效率低、精度不足及自动化水平有限等问题。研究以提升设备运行效率、定位精度和可靠性为目标,围绕旋转动力装置、联轴器补偿机构、旋转中心轴、升降气缸装置及蜗轮蜗杆传动系统等核心部件进行创新设计与分析。
通过对比伺服电机、步进电机与直流电机的动态响应特性,最终选用闭环控制伺服电机。联轴器装置设计中,基于抗扭刚度的综合评估,采用聚氨酯材质梅花联轴器,有效解决了轴系安装偏差与动态振动问题。旋转中心轴结合精密加工工艺实现高负载工况下的旋转稳定性。升降气缸装置通过双作用气缸与真空吸盘的协同设计,实现物料的快速升降。蜗轮蜗杆传动系统经模数优化材料选择,在输入功率1.5kW、转速1440r/min条件下,输出扭矩、齿面接触强度符合设计标准。基于SolidWorks的参数化建模与虚拟装配技术,完成了旋转台、联轴器及蜗轮蜗杆箱体的三维模型构建,
实验结果表明,该设计使设备搬运效率得到提升,适用于汽车零部件加工、精密模具制造和机床加工等高要求场景。研究为工业自动化提供了高效、可靠的解决方案,未来可通过轻量化材料应用、AI预测性维护算法及5G物联网协同控制进一步扩展其功能,推动智能制造系统升级。
关键词:结构设计;伺服电机;梅花联轴器;蜗轮蜗杆装置;SolidWorks建模
目录
摘要 1
Abstract 1
第一章 绪论 3
1.1. 课题主要研究内容 3
1.2. 国内外研究现状 3
1.2.1. 国内研究现状 3
1.2.2. 国外研究现状 7
1.3. 课题研究背景及意义 8
第二章 研究内容 9
2.1. 总体结构设计 9
2.2. 核心机构设计 10
2.2.1. 总结 10
第三章 旋转装载搬运机的结构设计 12
3.1. 旋转动力装置结构设计 12
3.2. 联轴器装置结构设计 13
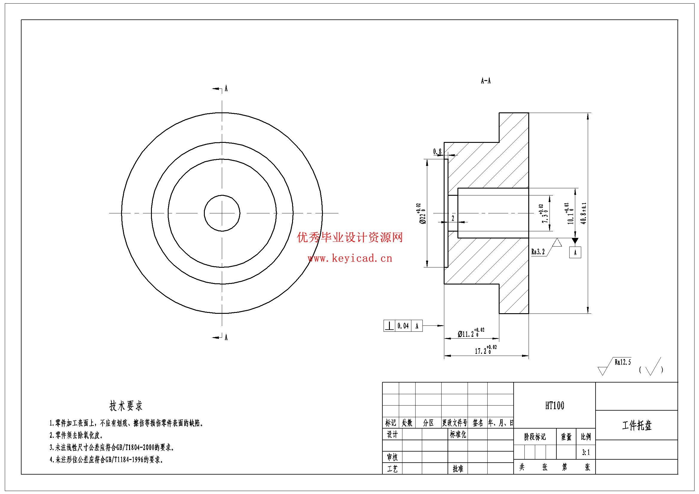
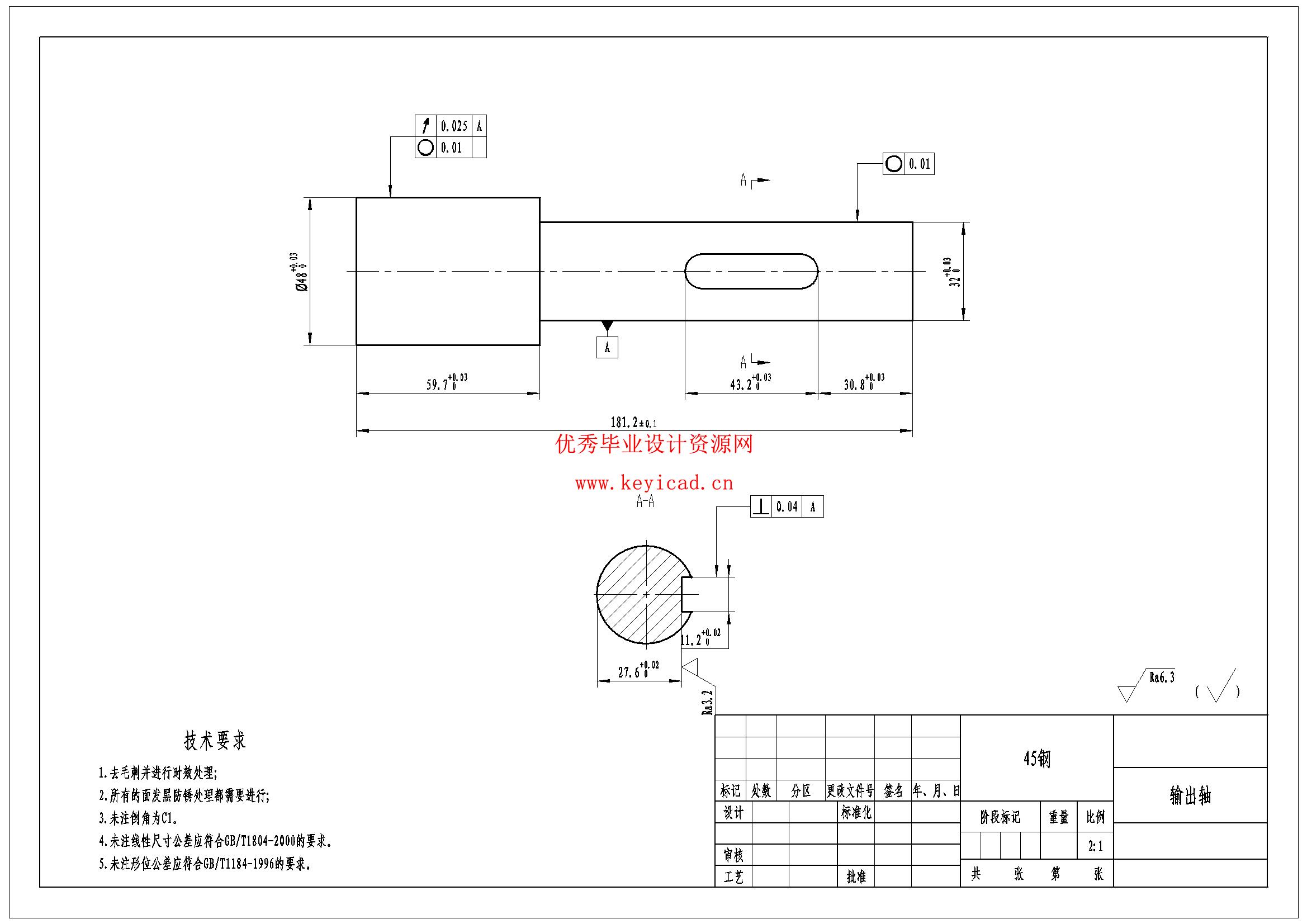
3.3. 旋转中心轴装置结构设计 15
3.4. 升降气缸装置结构设计 16
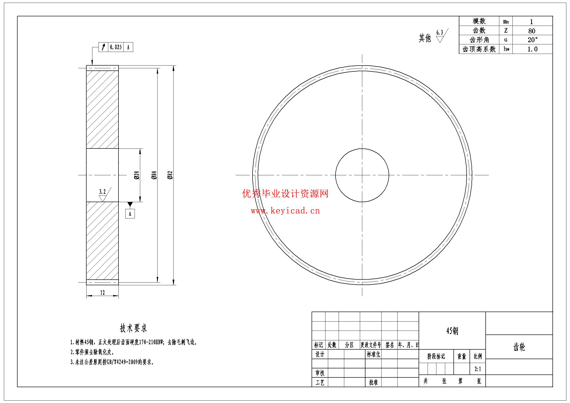
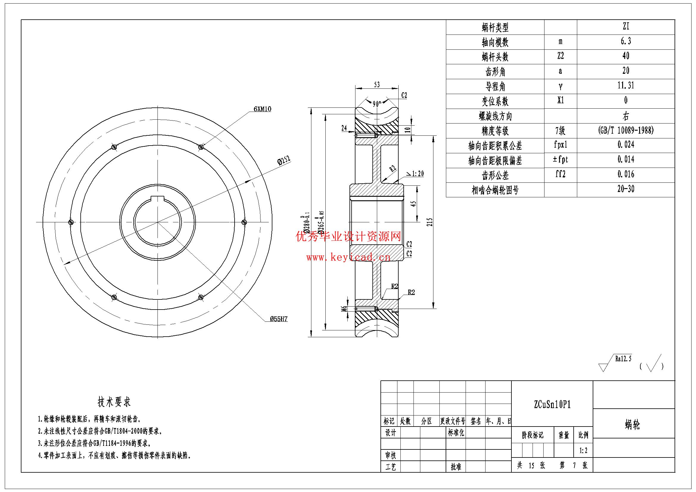
3.5. 蜗轮蜗杆装置结构设计 17
3.6. 全自动旋转装载搬运机总成设计 18
第四章 传动部分的软件介绍 19
4.1. 旋转动力装置部件设计 19
4.2. 旋转中心轴装置部件设计 20
4.3. 蜗轮蜗杆装置部件设计 22
4.4. 全自动旋转装载搬运机整体建模设计 24
4.11动旋转装载搬运机 24
第五章 总结与展望 25
5.1. 结束语 25
5.2. 致谢 26
第六章 参考文献 26
说明书

三维模型

CAD图纸
文件列表

