摘要
随着我国畜牧业的迅速发展,养殖业科技水平不断提高,对饲料提出了更高的要求,原有的饲料厂的成料已无法同时满足每家每户的不同要求。饲料工业是现代畜牧业和水产养殖业发展的物质基础,直接关系着农业、农村经济发展和人民群众生活水平的提高,己成为中国国民经济的重要基础产业之一。为了进一步提高养殖质量,养殖户需要自行对饲料进行调整,这样能够满足养殖户的要求的占地面积小、制造成本低的饲料混合搅拌机便迅速在市场中热销。
饲料混合搅拌机的发展至今已在饲料机械行业占有重要位置,对其所开展的理论分析和实验研究也更加深入。对混合搅拌技术的研究主要围绕着两个方面展开:一方面是开发新型、高效的混合设备,另一方面是合理地选择混合设备。为了提高饲料混合搅拌机的混合质量,本课题对市场上现有的精粗饲料混合搅拌机的进行改进研究,并设计了立式电机驱动精粗饲料混合搅拌机。
关键词:养殖业;饲料;混合搅拌机;立式
目录
1 概述 1
1.1课题综述 1
1.2 设计任务分析及方案选择 3
2 结构设计 4
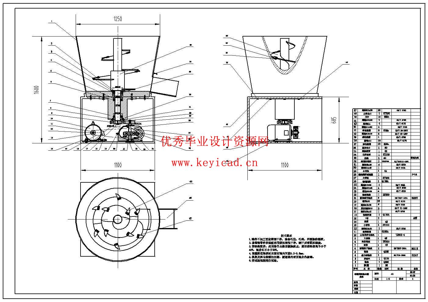
2.1 搅拌机总体结构设计 4
2.2 搅拌机主要结构详细设计 4
3 传动系统总体设计 8
3.1 传动方案的拟定 8
3.2 搅龙转速的确定 8
3.3 电机的选择 9
3.4传动装置总传动比的计算和各级传动比的分配 11
3.5传动装置运动和动力参数的计算 11
4 传动零件的设计计算 13
4.1 带轮传动设计 13
4.2 减速器传动设计 14
4.3 齿轮传动设计 15
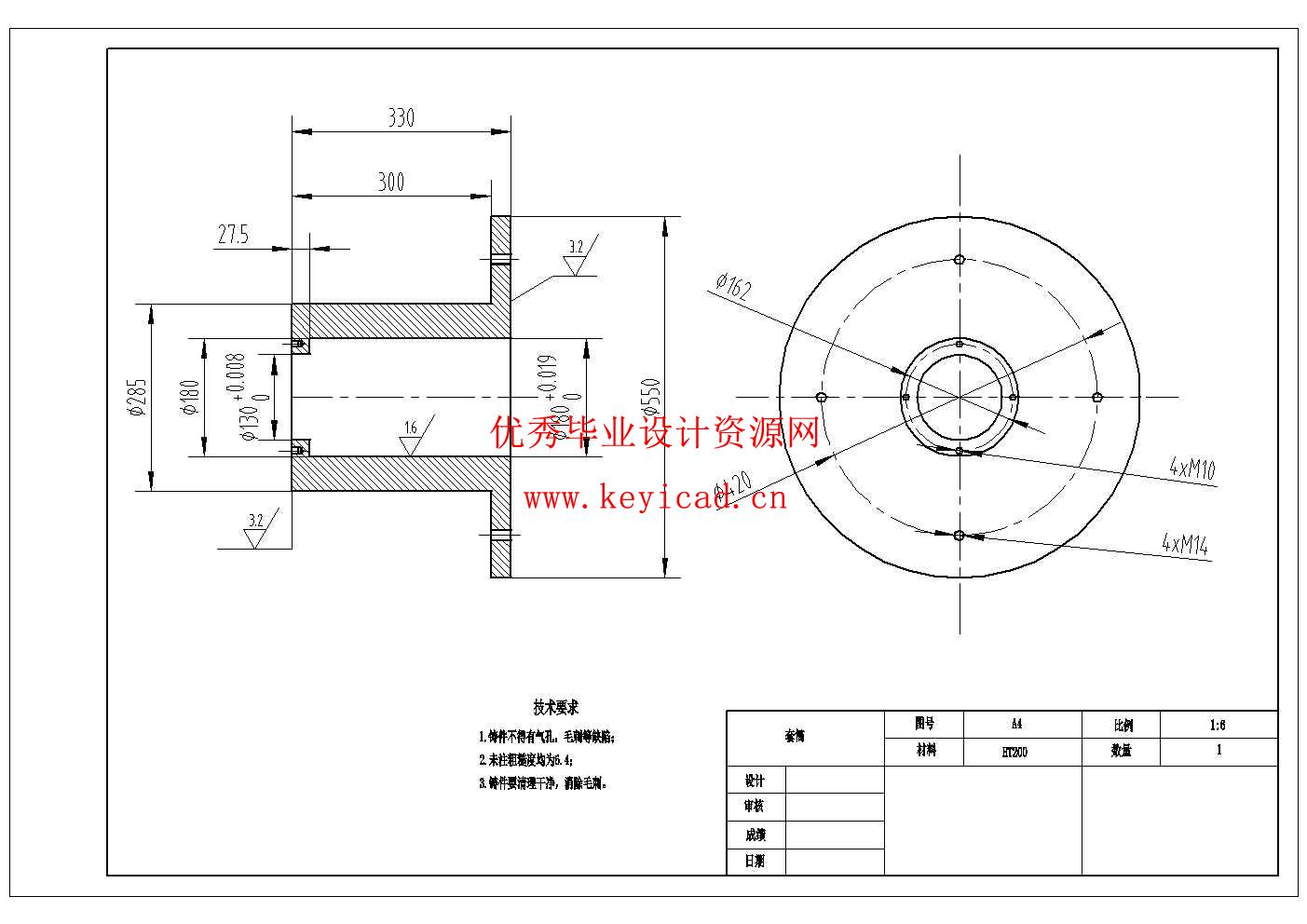
4.4 主轴的设计与校核 20
4.5 轴承的选定及校核 25
5 其他结构设计、密封及润滑 28
5.1 料仓门设计 28
5.2 刀片的选择 28
5.3 润滑和密封 29
总 结 30
致 谢 31
参考文献 32
说明书

三维模型

CAD图纸
文件列表
