摘要
全球经济飞速发展,智能物流与运输成了现代工业里必不可少的一部分,尤其是在物料搬运方面更是发挥着极为关键的作用,不过传统的人力搬运或者叉车搬运方式有着效率低,人力成本高以及各类安全隐患频繁出现等诸多问题,很难符合现代工业生产的高效率,大批量需求,而智能化搬运平车的出现为解决这些问题供应了新想法,凭借集成先进的传感器技术,导航算法和控制系统,以达成自动化,智能化的物料搬运,从而极大地提升了生产效率和安全性。
本文完成了背负式智能搬运平车的设计与开发工作。根据当前工业生产和物流仓储的实际需求,进行小车总体结构设计以及车架、驱动系统、控制系统等重要部件设计,并采用六轮轮系布局、磁条导引的方式,使小车具有较好的稳定性和灵活性。在上述基础上着重对小车驱动系统的设计,进行电动机的选择、链传动和动力系统的设计,使小车能够在复杂的环境中稳定运行且具有一定的负载能力。 利用博图软件开展小车控制系统的设计工作,选取西门子S7 - 1200PLC当作控制器,编写梯形图程序以及HMI画面,再加上ESP32用以连通蓝牙手机APP,从而做到对小车的精确操控与简便操作,通过细致的结构设计与系统调试之后,本文开发出一种可以自动,智能地搬运物料的背负式智能搬运平车,给工业生产,物流存储等行业赋予了有效,稳定的解决办法。
关键词:智能搬运小车;AGV;智慧车间;工业4.0
目录
第1章 引 言 3
1.1课题背景 3
1.2课题研究意义 3
1.3 国内外研究现状 4
1.3.1 国外研究现状 4
1.3.2 国内研究现状 6
1.4 AGV研究趋势 7
1.5 主要研究内容 8
第2章 背负式智能搬运平车结构设计 10
2.1 技术需求 10
2.2 背负式智能搬运平车轮系结构设计 10
2.2.1 小车轮系结构布置分析 10
2.2.3 六轮轮系结构 12
2.3 导引方式选择 13
2.4 驱动形式选择 14
2.5 动力系统设计 14
2.6 装卸方案设计 15
2.7 总体结构设计 16
2.7.1 外形尺寸设计 16
2.7.2 底盘框架设计与材料选择 17
2.7.3 舱内布置设计 18
第3章 驱动系统设计 20
3.1 电动机选择 20
3.1.1 电动机类型选择 20
3.1.2 小车运行阻力计算 20
3.1.3 伺服电机的选择 21
3.2 链传动设计 22
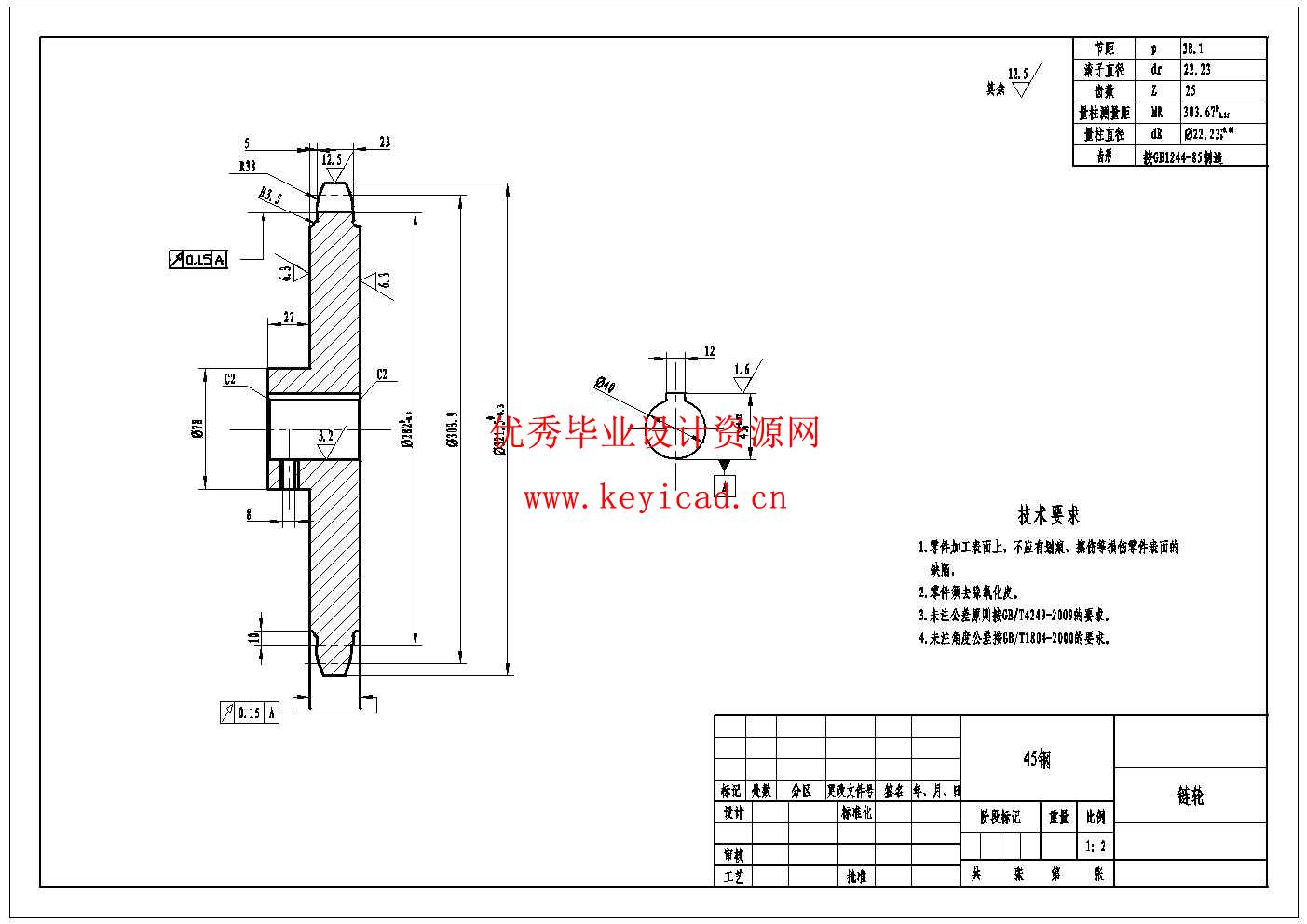
3.2.1 传动比与链轮齿数设计 23
3.2.2 链条型号与节距选择 23
3.2.3 链轮参数设计 23
3.2.4 链条长度与中心距计算 24
第4章 控制系统设计 26
4.1 控制功能要求 26
4.2 控制器选型 26
4.3 I/O地址分配 27
4.4 梯形图编写 28
4.5 HMI画面设计 30
第5章 基于APP Inventor的应用软件开发 31
5.1 小车远程控制系统设计 31
5.2 蓝牙APP界面设计 32
5.3 蓝牙APP的程序制作 32
第6章 结论 35
参考文献 36
致 谢 37
说明书

三维模型

CAD图纸
文件列表

