摘要
本文旨在研究四自由度SCARA机器人的结构设计,以契合现代工业自动化对高速、高精度、高灵活性机器人的需求。研究方法包括分析国内外SCARA机器人的研究现状,提出总体设计方案,并详细设计机械手的模块化结构、驱动方案、转动关节和移动关节。研究结果包括选择了行星减速器作为转动关节的减速器,设计了 电机联合滚动丝杠螺母机构和滚动导轨副的移动关节方案,以及真空吸附回路的设计与气动元件选型。主要结论为成功设计了一款优化的四自由度SCARA机器人,该机器人在结构上实现了高效、稳定的设计,为工业自动化领域提供了更加优质、高效的解决方案。
关键词:SCARA机器人;结构设计;模块化设计;真空吸附回路
目录
摘 要 I
Abstract II
目 录 III
第1章 绪 论 1
1.1 研究背景 1
1.2 研究目的及意义 1
1.3 国内外研究现状 1
1.3.1 国外研究现状 1
1.3.2 国内研究现状及分析 3
1.4 本文主要研究内容 5
2.1 机械手设计原则 6
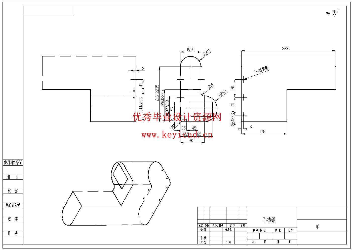
2.1.1 机械手本体的模块化设计 6
2.1.2 机械手本体的模块化设计 6
2.2机械手驱动方案 7
2.2.1 机械手驱动方式 7
2.2.2 控制电机的类型、特点 7
2.3机械手转动关节设计 7
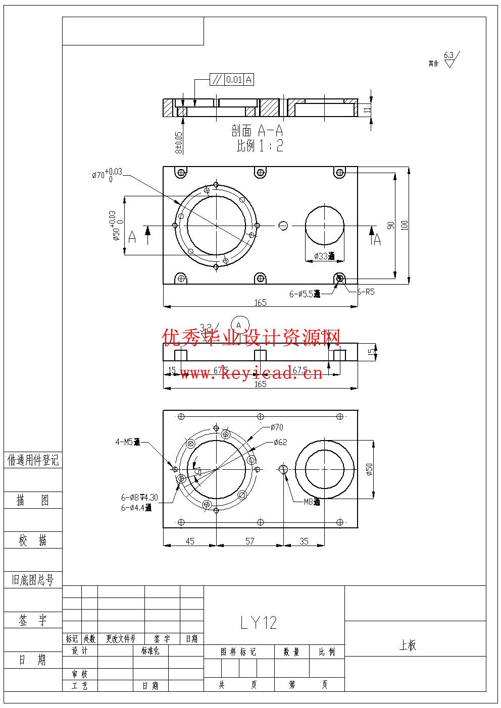
2.4机械手移动关节设计 8
第3章 真空吸附回路设计及气动元件选型 9
3.1 气爪选择与计算 9
3.1.1 气爪类型 9
3.1.2 气爪加持力计算 9
3.1.3 气爪尺寸选型 10
第4章 机械手各关节设计计算 12
4.1 机械手移动关节设计 12
4.1.1 电机的选型计算 12
4.1.2 滚珠丝杠选型设计与计算 12
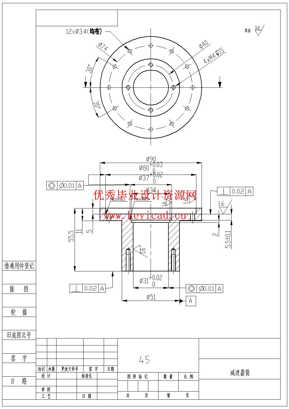
4.2 转动关节减速机的设计计算 15
4.2.1 电机的设计计算 15
4.3 同步齿形带的设计计算 16
4.4 轴承的校核 18
4.4 本章小节 19
结 论 20
参考文献 21
致 谢 22
附 录 23
说明书

三维模型

CAD图纸
文件列表

