摘要
本文旨在设计一种适应山地环境的手动割草机,通过对比往复式、旋转式切割装置和轮胎式、履带式行走装置的优缺点,最终选择链条式切割装置和小型三角履带行走装置。研究方法包括理论分析、结构设计和有限元分析。研究结果确定了割草机的总体设计方案,完成了关键零部件的结构设计,并通过有限元分析验证了主承力件的结构可靠性。主要结论表明,所设计的手动割草机在复杂山地环境中表现出良好的适应性和稳定性,为割草机在山地环境的应用提供了有效方案。
关键词:割草机;链条式切割;三角履带行走;有限元分析
目录
1 绪论 1
1.1 研究背景 1
1.2 研究意义 1
1.3 国内外研究现状 2
1.3.1 国外研究现状 2
1.3.2 国内研究现状 3
1.4 本文主要研究内容 5
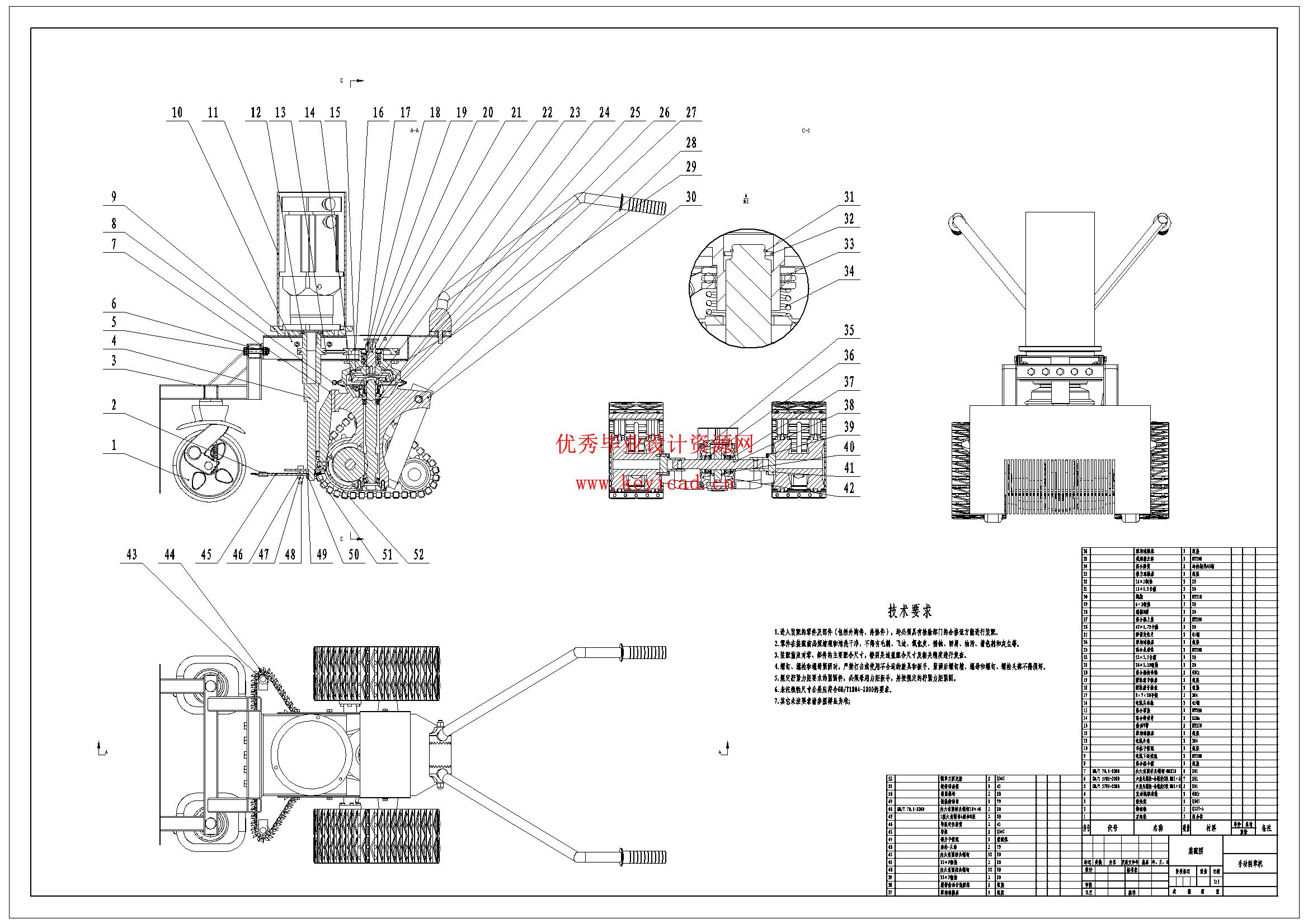
2 总体方案设计 7
2.1 割草机的工作要求及主要技术参数 7
2.1.1 设计需求分析 7
2.1.2主要技术参数 7
2.2 割草机总体方案的确定 7
2.2.1 切割装置方案 7
2.2.2行走装置方案 9
2.3 总体方案的确定 10
2.3.1 切割装置的确定 10
2.3.2 行走装置的确定 10
2.4 结构方案 11
2.5 本章小结 12
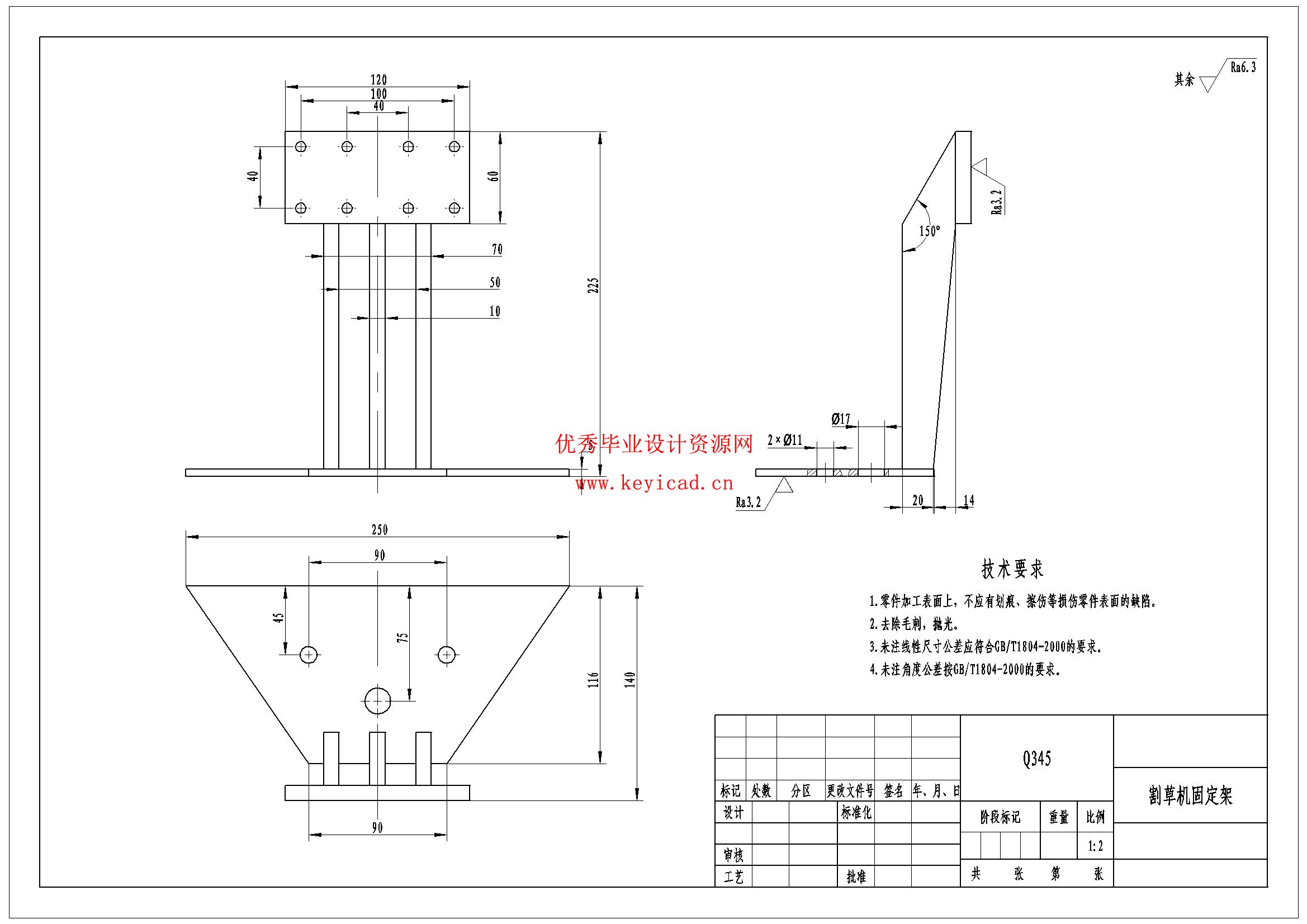
3 割草机关键零部件结构设计 13
3.1 割草系统设计 13
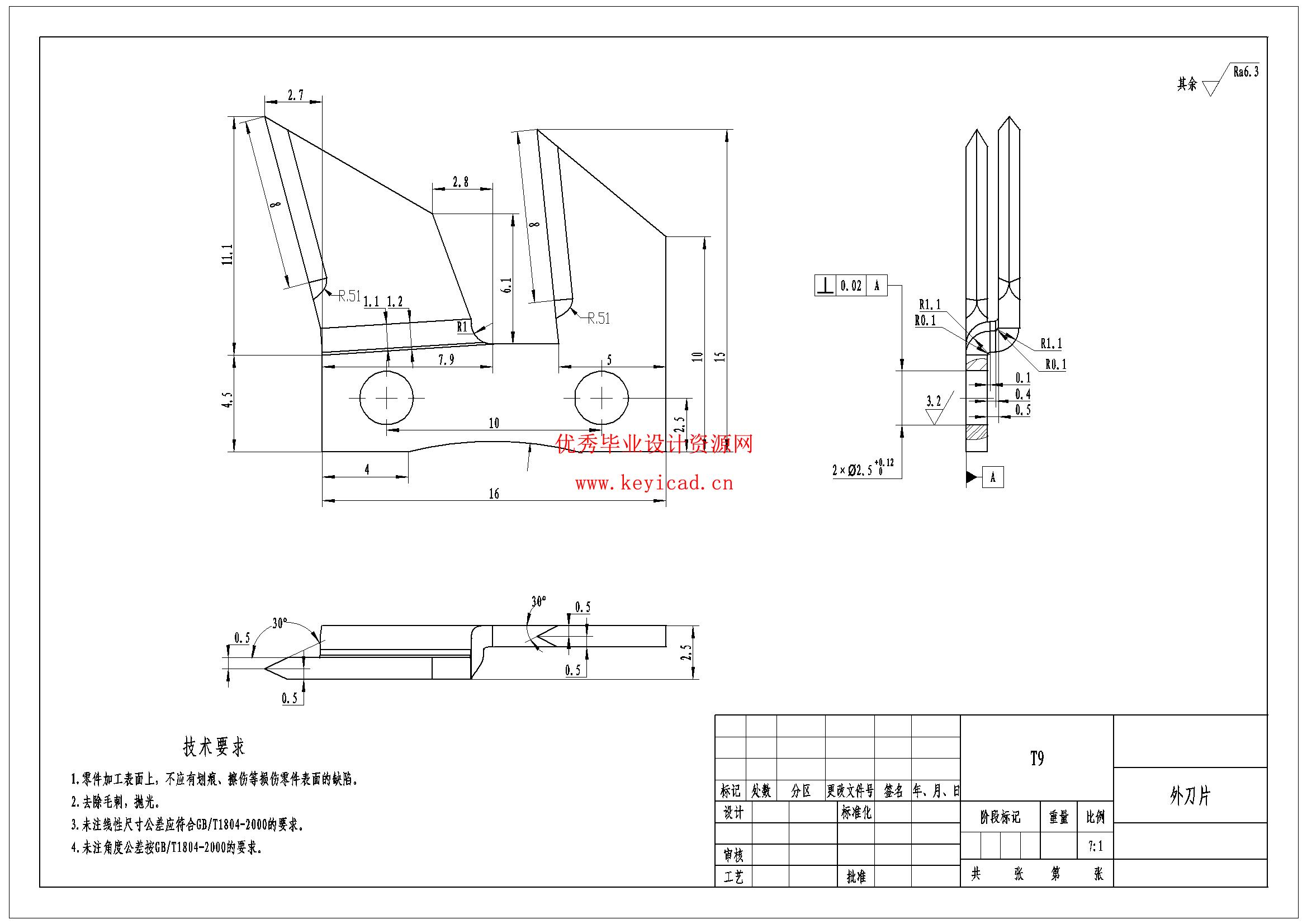
3.1.1 切割方式及刀型 13
3.1.2 割草传动系统的设计 14
3.1.3 传动轴的设计 15
3.1.4 完成设计参数 16
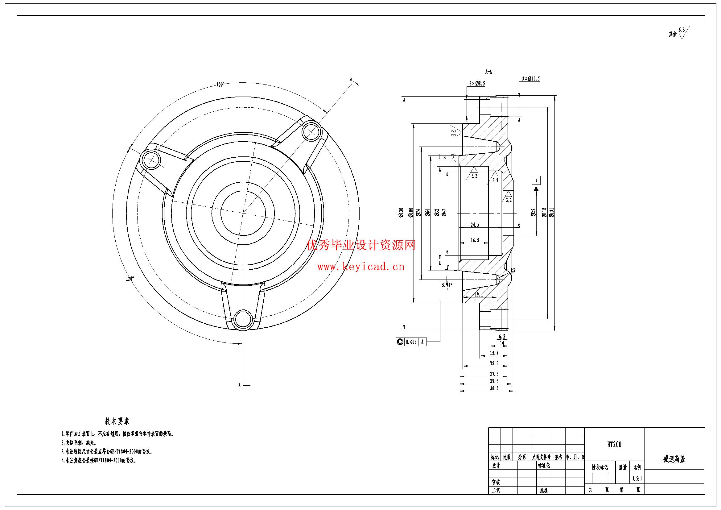
3.2 行走系统的设计 16
3.2.1 传动系统的设计 16
3.2.2 带传动的计算与校核 17
3.2.3 从动轴轴承的选型与设计 20
3.2.4 履带行走系统的设计 22
3.3 本章小结 23
4 割草机主承力件的有限元分析 24
4.1 割草刀的有限元分析 24
4.2 行走机构的有限元分析 26
4.2.1 履带行走动力轴的有限元分析 26
4.2.2 履带轮的有限元分析 27
4.3 机架的有限元分析 29
4.4 本章小结 31
结论与展望 33
5.1 结论 33
5.2 展望 33
参考文献: 34
致 谢 35
说明书

三维模型

CAD图纸
文件列表

