摘要
本次毕业设计围绕不锈钢管校直机的结构设计与优化展开,重点研究其校直机理、机械结构及液压系统集成方案。校直机主要由输送机构、校直执行机构、液压驱动系统及检测反馈单元组成。首先,基于弹塑性力学理论建立弯矩-曲率数学模型,分析钢管校直过程中的弹区比与压下量关系(误差控制≤0.1mm/m),推导校直力计算公式(最大载荷120kN);其次,对校直机主机结构进行模块化设计,通过有限元分析校核上横梁刚度(挠度<0.05mm)与强度(安全系数>3.5),优化立柱连接结构(螺栓预紧力偏差<5%);液压系统采用比例阀闭环控制(压力精度±0.5MPa),实现校直行程自适应调节(响应时间<0.3s)。最后指出液压系统温升(ΔT>15℃)与多规格钢管适配性不足等问题,为后续轻量化设计及智能化升级提供改进方向。本设计系统阐述了校直机开发的理论基础与工程实践方法,对同类设备研发具有参考意义。
关键词:不锈钢管;校直机;液压传动
目录
第1章 绪论 6
1.1 选题的背景及意义 6
1.2 国内外研究现状 6
1.2.1 国内研究现状 6
1.2.1 国外研究现状 8
1.3 主要研究内容 8
第2章 校直理论 9
2.1 引言 9
2.2 弯矩与曲率 9
2.2.1 模型简化 9
2.2.2 弯矩 10
2.2.3 曲率 12
2.2.4 弹区比与总曲率的关系 13
2.3 校直原理 14
2.3.1 校直原理 14
2.3.2 压下量 15
2.4 本章小结 20
第3章 自动校直机机械结构设计 21
3.1 自动校直机的工作过程介绍 21
3.1.1 自动校直机的工作过程 21
3.1.2 自动校直机的分类与选型 22
3.2 液压自动校直机的机械结构设计分析 22
3.3 液压自动校直机的主机结构设计计算 23
3.3.1 主机上横梁的受力分析 23
3.3.2 主机上横梁的刚度计算 24
3.3.3 主机上横梁的强度校核 26
3.3.4 主机与立柱联接螺钉的受力分析 26
3.4 本章小结 27
第4章 自动校直机液压系统设计 1
4.1 校直机液压系统的组成 1
4.2 校直机液压系统的行程控制和压力控制 1
4.3 校直机液压缸主要参数的确定 3
4.4 本章小结 7
第5章 经济型分析 8
参考文献 9
致 谢 10
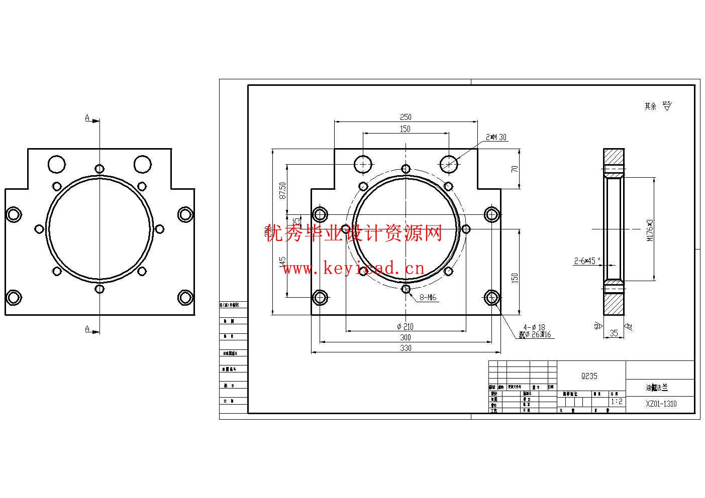
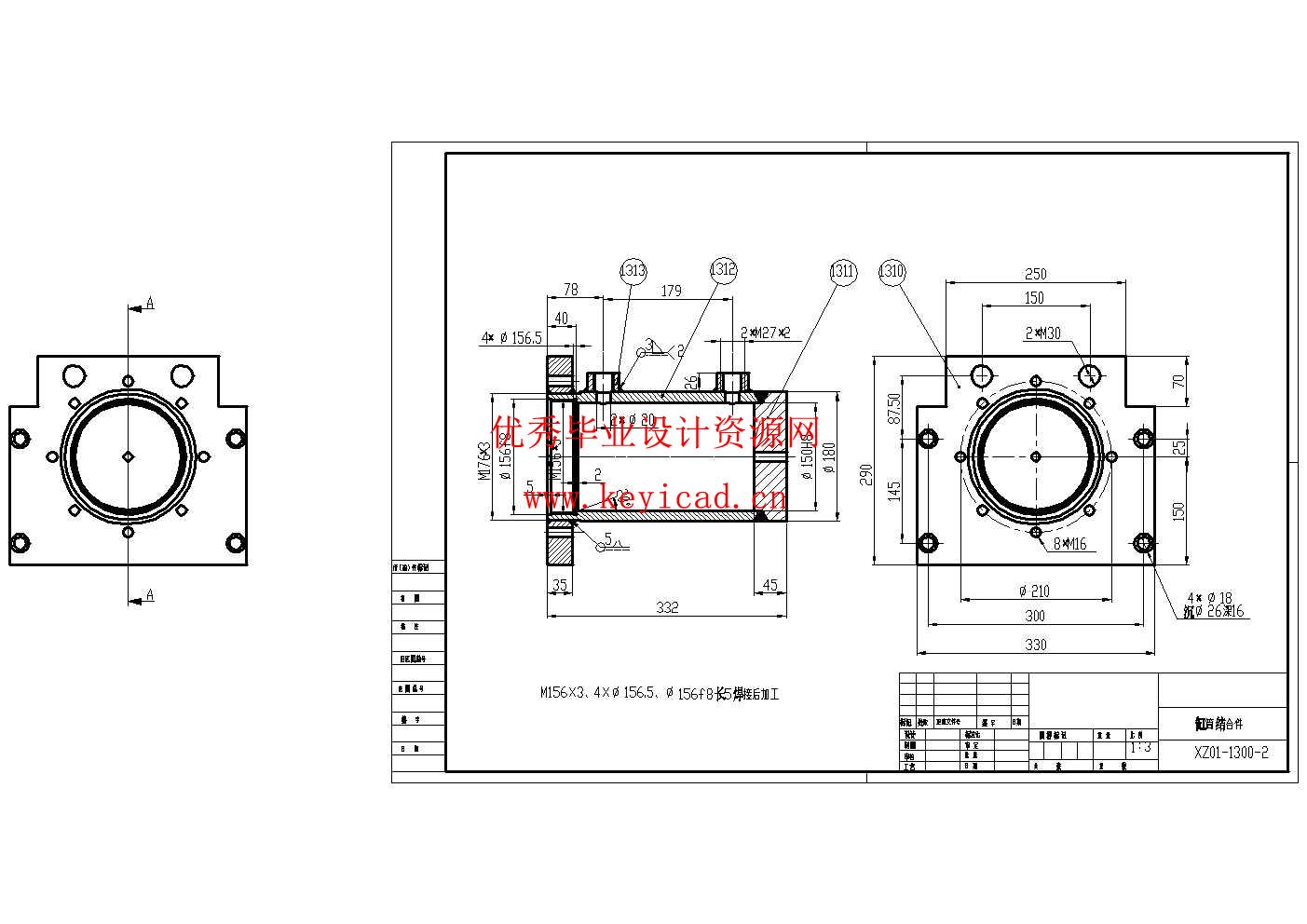
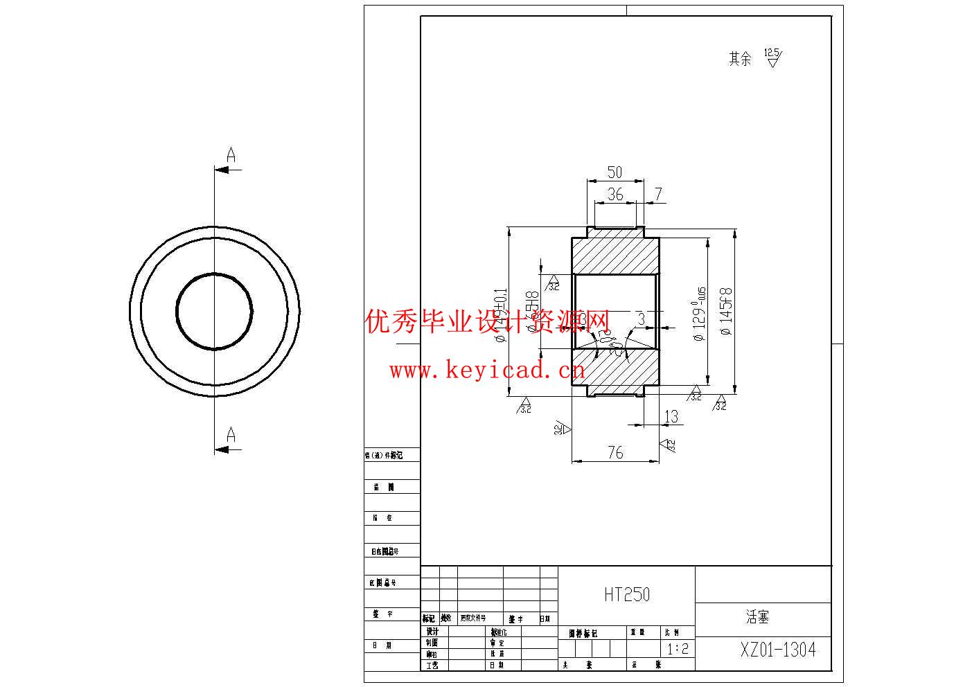
附录 图纸列表 11
说明书

三维模型

CAD图纸
文件列表

