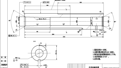
机械专业的同学们,毕业设计的号角即将吹响!你是否还在为选题而迷茫?选题,绝不仅仅是填个题目那么简单,它是你未来几个月甚至半年的奋斗方向,直接关系到你的毕业成果、求职竞争力甚至读研方向。选得好,事半功倍;选得差,苦不堪言!这篇超详细指南,将手把手教你如何科学选题,看懂题目类型、要求与难度,迈出毕设成功的第一步! 二、选题流程 1.自我剖析: 兴趣点: 对机械的哪个子领域最感兴趣?(机器人?汽车?航空航天?精密仪器?智能制造?新能源?) 知识储备: 哪些专业课学得扎实?(力学、机械原理、机械设计、控制、材料、制…
