摘要
针对塔筒表面锈蚀处理效率低、人工成本高等问题,设计了一种基于气动喷砂技术的爬壁式自动化除锈设备。该设备以真空吸盘吸附与履带行走机构为核心,集成砂带打磨与柱塞式喷砂装置,实现塔筒表面粗精两级除锈作业。通过模块化结构设计优化喷砂头布局与气动系统参数,结合PLC控制实现行走路径规划与喷砂压力自适应调节,解决了传统除锈设备适应性差、能耗高的难题。研究结果表明,该设计兼顾高效性与环保性,能够显著提升塔筒维护的自动化水平,降低作业风险,为大型钢结构表面处理提供了一种创新解决方案。
关键词:气动喷砂;爬壁机器人;结构设计;喷砂装置;表面处理
目录
1 绪论
1.1 研究背景和意义
1.2 国内外研究现状
1.2.1 国内研究现状
1.2.2 国外研究现状
1.3 研究内容
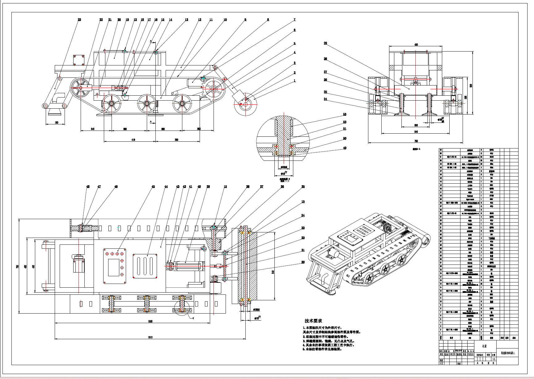
2 总体设计
2.1 系统功能需求分析
2.2 整机结构方案设计
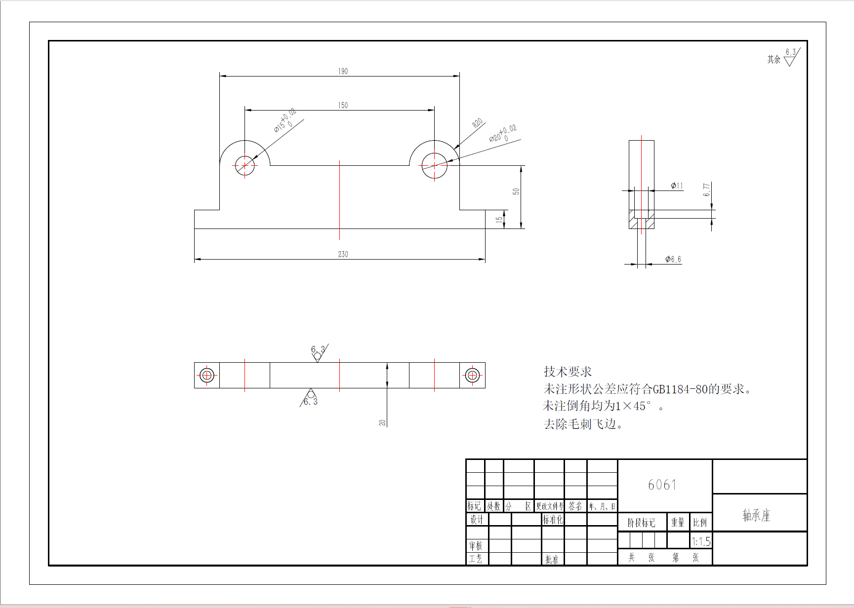
2.2.1 行走机构设计
2.2.2 功能模块布局
2.3 控制系统框架
3 气动系统与喷砂装置结构设计
3.1 气动动力系统设计
3.2 真空吸附机构优化
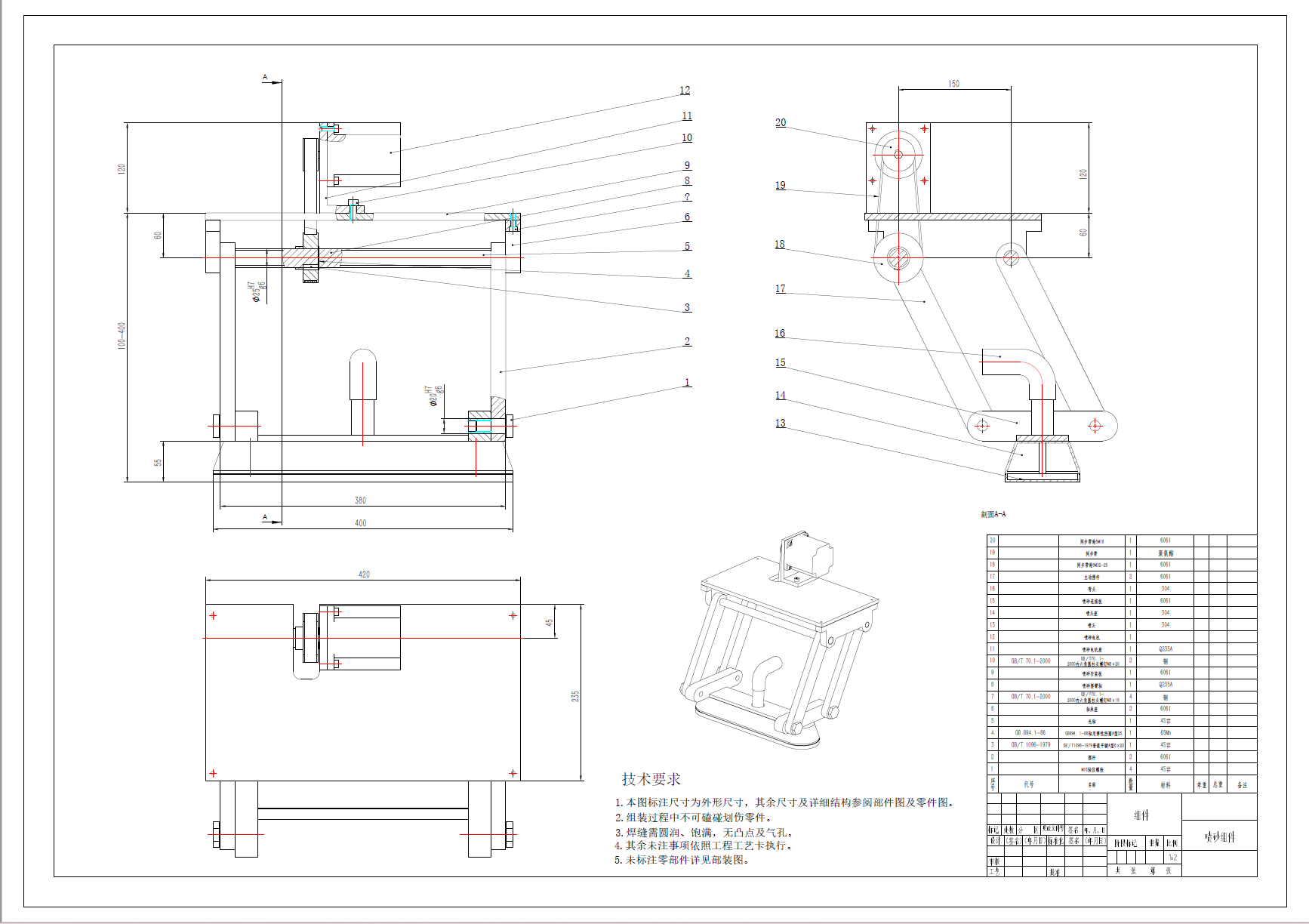
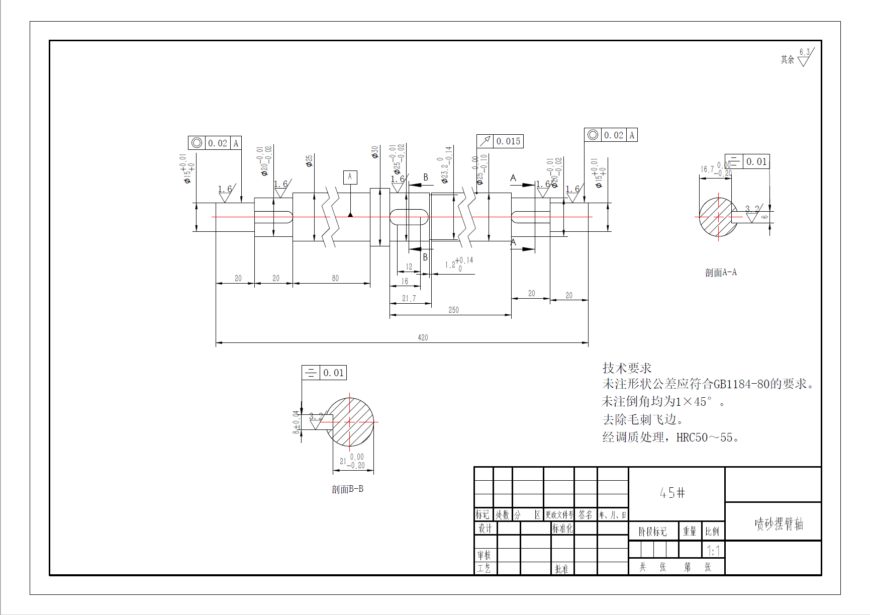
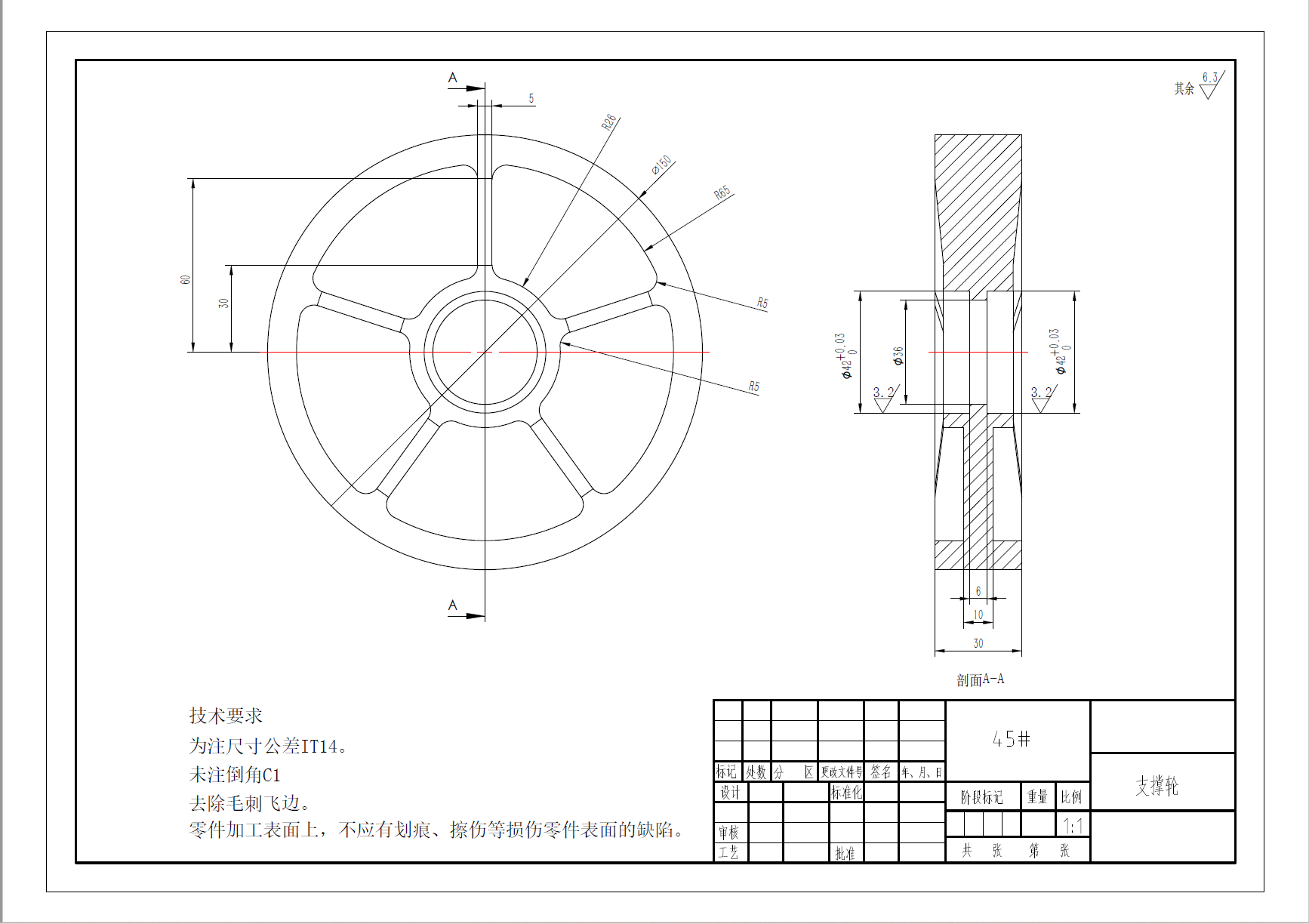
3.3 喷砂执行装置设计
3.4 砂料循环与过滤系统
4 结构分析与动力计算
4.1 静力学分析与强度校核
4.1.1 吸盘支架分析
4.1.2 喷砂臂强度校核
4.1.3 实验验证与误差分析
4.2 动力学仿真与能耗优化
4.2.1 行走机构动力匹配
4.2.2 气动系统能耗建模
4.3 有限元模态分析
4.3.1 模型建立与材料参数
4.3.2 网格划分与边界条件
4.3.3 模态求解与结果分析
4.3.4 结构优化与频率调整
结 论
致 谢
参考文献
说明书

三维模型

CAD图纸
文件列表

