摘要
随着果园现代化管理进程加速的背景下,传统人工除草方式暴露出效率低下、成本高昂的弊端,难以满足规模化果园的生产需求。与此同时,国内现有的除草机械因果园种植模式日趋多样化,存在作业适配性不足、效果欠佳等问题,基于上述现实需求,本文设计了一款果园杂草清理机器人。该机器人聚焦果园行间与株间杂草的精准割断作业,在功能设计上,机器人配备机械式触碰避障杆,可灵敏检测树干位置,并联动避障装置及时调整作业路径,有效规避碰撞风险,保障果园树木安全。通过实际测试验证,该果园杂草清理机器人展现出优异的作业性能,提升平均作业效率,显著降低了人力成本与时间成本,具备良好的经济效益与实用性。该研究成果为果园智能化管理提供了创新性技术解决方案,对推动果园生产向自动化、智能化方向发展具有重要的现实意义与应用前景。
关键字:除草机;电动割草;避障割草;果园种植
目录
第1章 绪 论 1
1.1 研究目的与意义 1
1.2 国内外发展历史及现状 2
1.2.1 国外电动除草机的生产研究概况 2
1.2.2 国内电动除草机机的生产研究概况 4
1.2.3 国内外电动除草机械切割部件发展概况 5
1.3 本章小结 6
第2章 整体方案的确定 7
2.1 工作原理 7
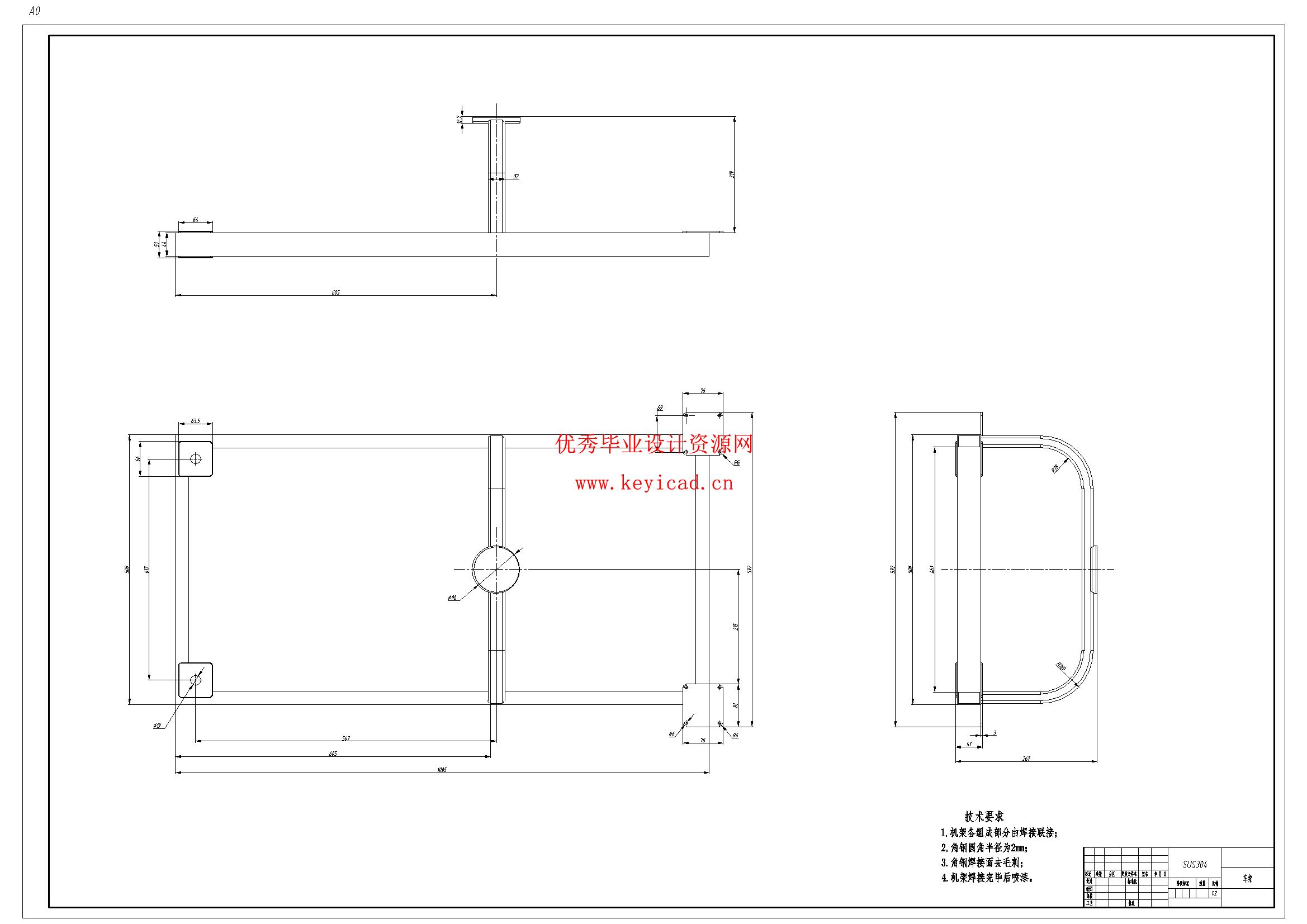
2.2 结构分析 7
2.3 本章小结 8
第3章 切割系统的设计 9
3.1 除草方式的选择 9
3.2 转轴输出带轮设计 10
3.2 中间传动轴的计算 14
3.3 中间传动轴的校核 15
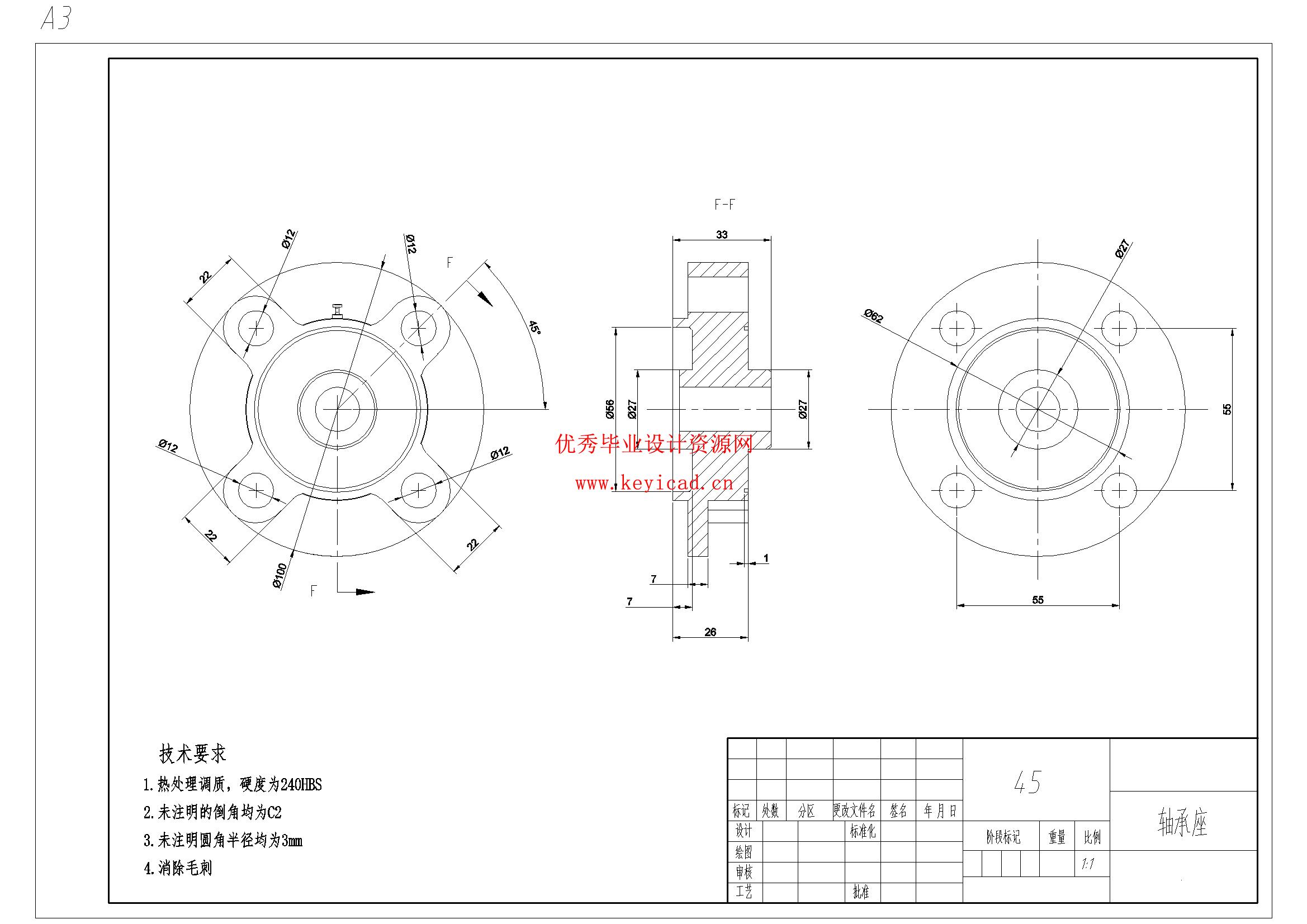
3.4 中间传动轴轴承的校核 20
3.5 中间轴的键的选择和校核 23
3.7 本章小结 24
第4章 行走部分设计 25
4.1 方案的确定 25
4.2 驱动机构选择 26
4.3 传动装置 26
4.4 涡轮蜗杆减速器的设计 26
4.4.1 按计齿面接触疲劳强度计算进行设计 27
4.4.2 蜗杆与蜗轮的主要参数与几何尺寸 29
4.4.3 精度等级公差和表面粗糙度的确定 31
4.5 本章小结 31
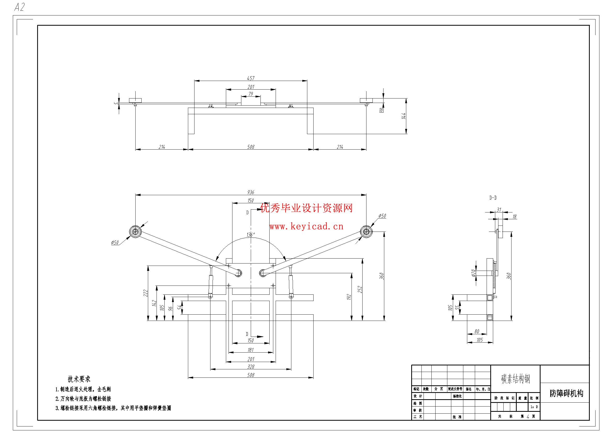
第5章 避障机构的设计 32
5.1 避障方案的选择 32
5.2 避障机构的设计 32
5.3 避障原理 33
5.4 本章小结 33
第6章 控制电路设计 34
6.1 除草机器人的控制系统功能 34
6.1 除草机器人的控制系统功能 34
6.2 控制系统框图 35
6.3 硬件选型 36
6.4 关键电路设计 36
6.5 本章小结 37
第7章 经济与环境分析 38
7.1 经济性分析 38
7.2 环境性分析 38
7.3 本章小结 39
第8章 全文结论与展望 40
8.1 全文工作总结 40
8.2 未来展望 40
参考文献 I
致 谢 III
说明书

三维模型

CAD图纸
文件列表

