摘要
现下日趋严重的污染的形势下为解决一般水域与道路废弃物以及垃圾的处理难题,研制了一台水陆两栖垃圾清理机。
为减轻垃圾清除设备的负担,我们采用了垃圾清除设备的上下两个部分的设计方式,该设备使用电瓶作为电源,并且配备有直流电动机和马达来驱使其运转。清洁设备的前部是用电动机推动的,它可以控制机器的移动和旋转。当电力经由减速器减少速度后,动力被传递给 V 型皮带,进而让中间运输链条和链轮获得了动力以产生旋转。在前方,运输链负责将垃圾从水面上移至垃圾储藏箱内。若此存储箱已满,可以通过人力将其倾倒进清洁设备里。另外,链轮则是依靠链式传输系统来驱动锥形齿轮,然后由蜗轮蜗杆减速器提供动力给垃圾采集设备。这样就实现了对废弃物的处理过程。最大的优势在于能够借助两侧收集轮的双向旋转功能,将水域及道路上的废弃物集中于清洁设备中心位置,然后再由清理机的垃圾传送装置机械传送带将这些废弃物转移至垃圾储藏箱。对于水域内的废弃物, 储藏箱还会运用滤网技术去掉其中的水分,对于路面的废弃物则去掉其中的尘土。这有助于缩小废弃物的体积和数量。整个清洁设备的结构设计得非常科学工作效率高且操控简便稳定,既能满足水域又能在路面进行垃圾处理的需求,而且制造成本相对较低,因此具有广阔的市场发展潜力。
通过 SolidWorks 软件设计三维模型,直观的展示了水陆两栖垃圾清理机的结构。该垃圾清理机能够清理水面和路面两种环境下的垃圾,具有效率高成本低等特点。
关键词:水陆两栖;垃圾清理机;蜗轮蜗杆减速器
目录
第 1 章 引言 1
1.1 选题背景与意义 1
1.2 国内外研究现状 1
1.2.1 国内研究现状 1
1.2.2 国外研究现状 3
1.3 发展趋势 3
1.4 研究内容与目标 4
第 2 章 总体方案设计 5
2.1 设计依据与方案 5
2.2 设计方案的确定 7
2.3 总体结构设计 7
2.3.1 总体动力系统的设计 7
2.3.2 船体结构的设计 7
第 3 章 驱动及传动装置的设计 9
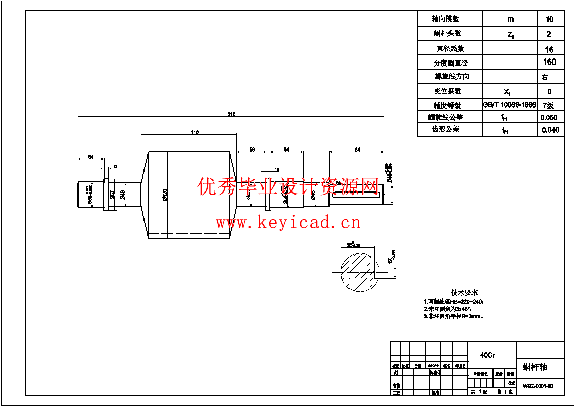
3.1 蜗轮蜗杆减速器的设计 9
3.1.1 参数选择 9
3.1.2 传动系统总体设计 9
3.1.3 电动机的选择 10
3.1.4 运动参数计算 11
3.1.5 蜗杆蜗轮设计计算 11
3.1.6 蜗杆蜗轮的基本尺寸设计 14
3.1.7 蜗轮轴的校核 17
3.1.8 箱体的结构形式和材料 19
3.1.9 铸铁箱体主要结构尺寸和关系 19
3.1.10 键等相关标准的选择 20
3.2 过渡链轮轴上带传动的设计 20
3.3 链传动的设计 21
3.4 传送装置轴的设计 22
第 4 章 执行部件的设计 23
4.1 收集装置的设计 23
4.2 传送装置的设计 24
第 5 章 三维实体模型设计 25
5.1 总装配和部分零件三维建模 25
5.2 重要零件的三维建模 26
第 6 章 结论与展望 27
6.1 结论 27
6.2 展望 27
参考文献 28
致谢 29
说明书





三维模型
CAD图纸
文件列表



文章评论